GM Service Manual Online
For 1990-2009 cars only
Makes
🢒
Chevrolet
🢒
1998
🢒
Chevy C Pickup - 2WD
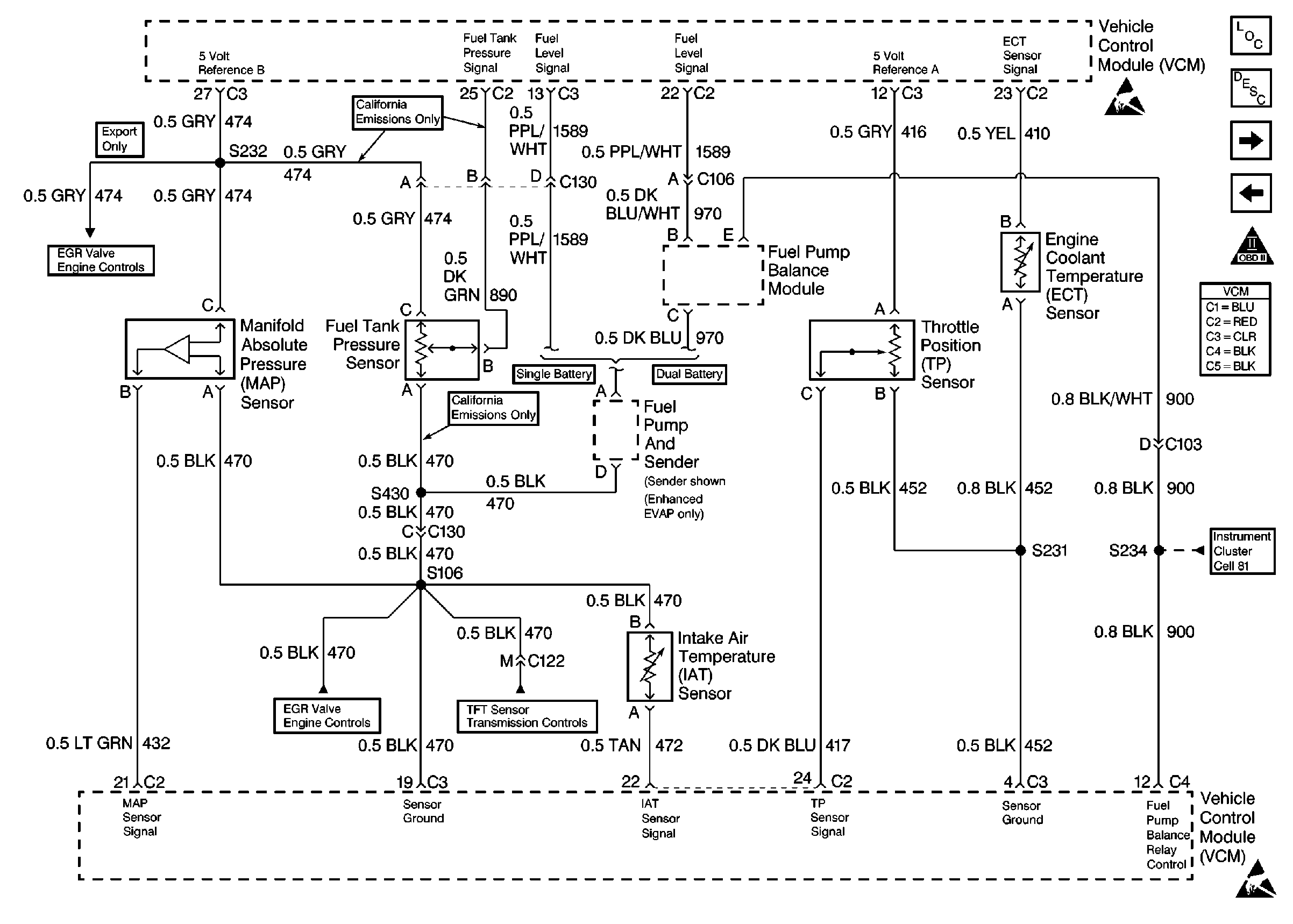
🢒 Engine Sensors
Engine Sensors
Engine Sensors
Engine Controls Components
Information Sensors/Switches Description
Feul Pump Controls
PWR, Ground, MIL and DLC
OBDII Symbol Description Notice