GM Service Manual Online
For 1990-2009 cars only
Makes
🢒
Chevrolet
🢒
1998
🢒
Chevy C Pickup - 2WD
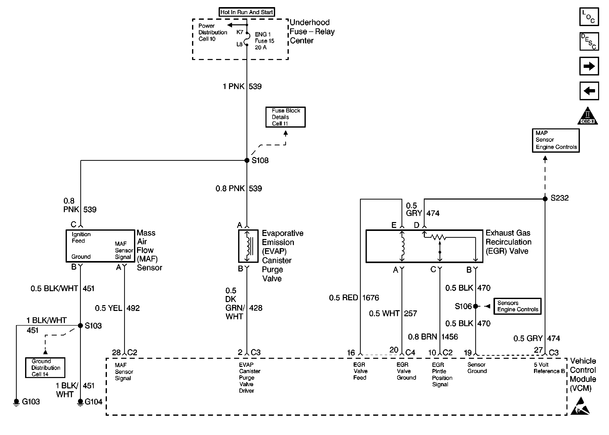
🢒 EVAP and EGR Controls
EVAP and EGR Controls
EVAP and EGR Controls
Engine Controls Components
Information Sensors/Switches Description
HO2S Controls (W/HO2S13)
Engine Sensors
OBDII Symbol Description Notice