GM Service Manual Online
For 1990-2009 cars only
Makes
🢒
Chevrolet
🢒
1998
🢒
Chevy C Pickup - 2WD
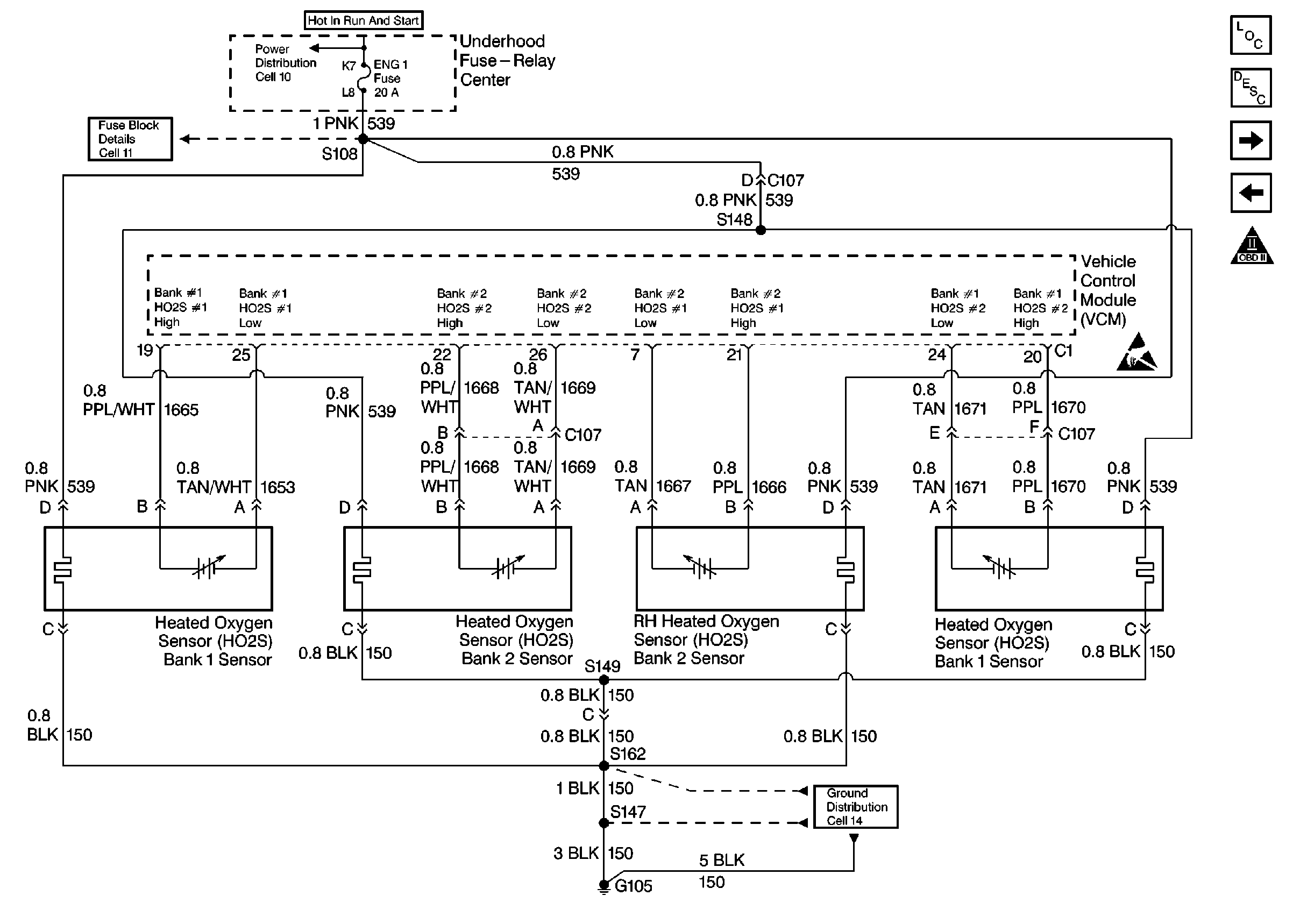
🢒 HO2S Controls
HO2S Controls
HO2S Sensors 5.7L
Engine Controls Components
Information Sensors/Switches Description
4WD, Upshift and IAC Controls
HO2S Controls (W/HO2S13)
OBDII Symbol Description Notice