GM Service Manual Online
For 1990-2009 cars only
Makes
🢒
Chevrolet
🢒
1998
🢒
Chevy C Pickup - 2WD
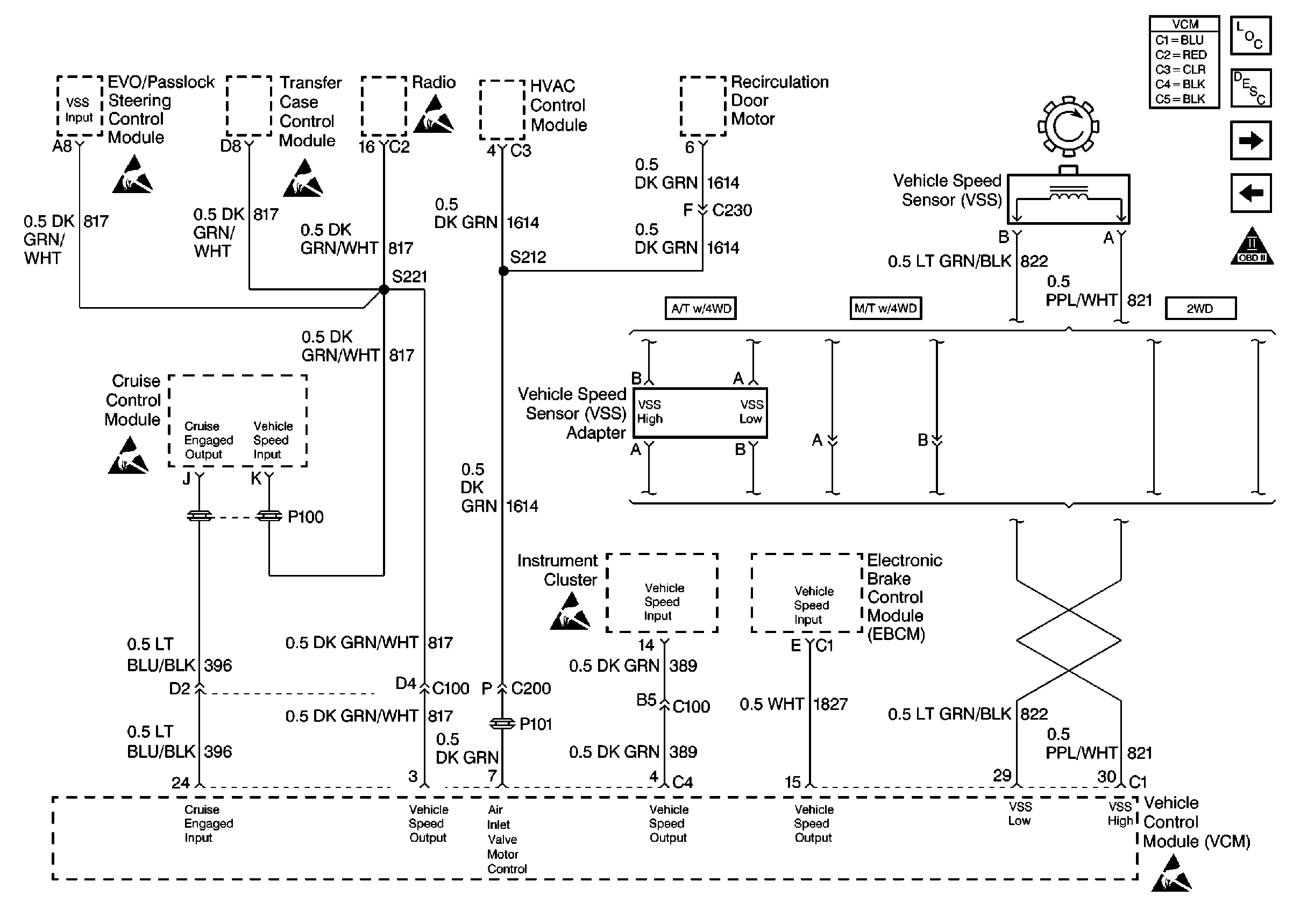
🢒 Cruise Control and VSS Controls
Cruise Control and VSS Controls
VSS and Cruise Controls
Engine Controls Components
Information Sensors/Switches Description
TCC, SS and Brake Input Transmission Controls (4L60-E)
4WD, Upshift and IAC Controls
OBDII Symbol Description Notice