GM Service Manual Online
For 1990-2009 cars only
Makes
🢒
Chevrolet
🢒
1998
🢒
Chevy C Pickup - 2WD
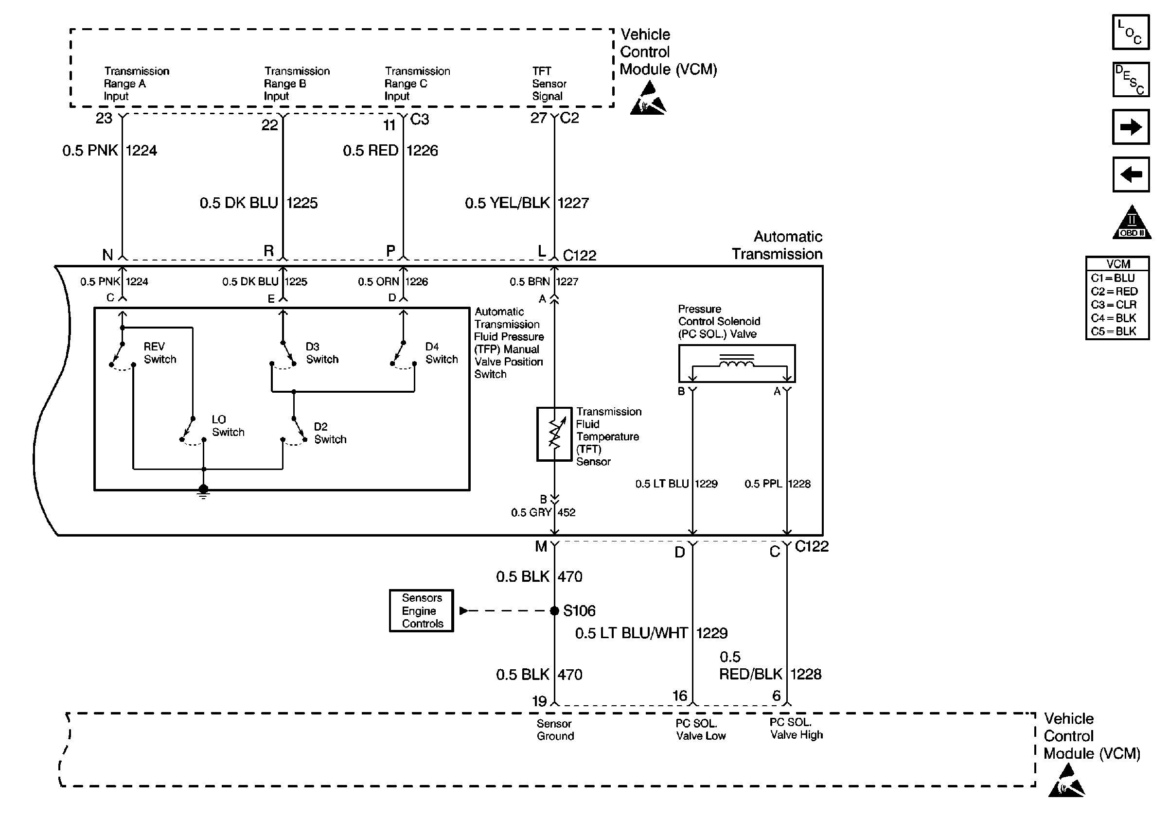
🢒 Pressure Controls and Range Inputs (4L80-E)
Pressure Controls and Range Inputs (4L80-E)
Transmission and TCC Controls
Engine Controls Components
Information Sensors/Switches Description
A/C Controls
Pressure Controls
OBDII Symbol Description Notice