GM Service Manual Online
For 1990-2009 cars only
Makes
🢒
Chevrolet
🢒
1998
🢒
Chevy C Pickup - 2WD
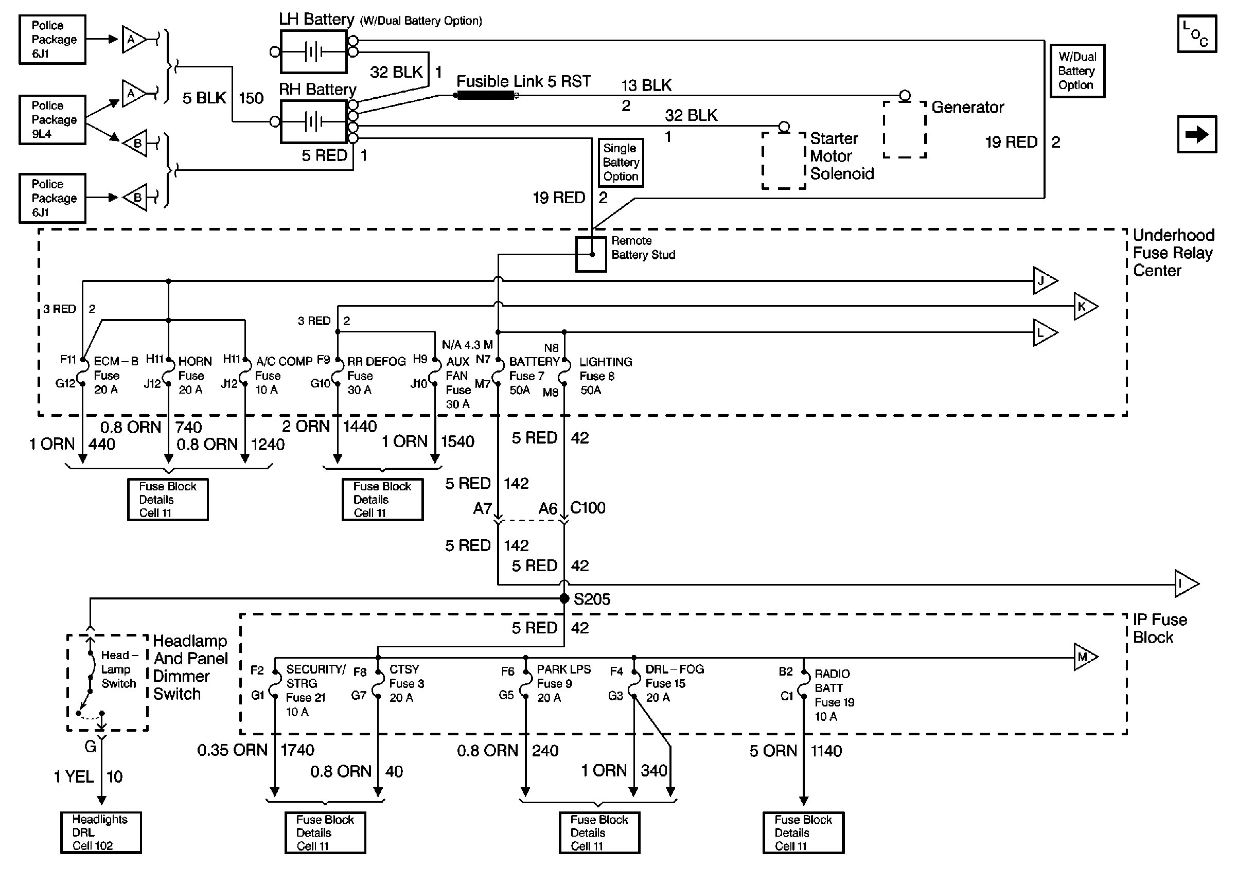
🢒 Cell 10: Battery, LIGHTING and RADIO BATT Fuses
Cell 10: Battery, LIGHTING and RADIO BATT Fuses
Cell 10: Battery, LIGHTING and RADIO BATT Fuses
Cell 10: IGN A and CIG LTR Fuses, PWR ACCY Circuit Breaker
Cell 10: IGN A and CIG LTR Fuses, PWR ACCY Circuit Breaker
Cell 10: IGN A and CIG LTR Fuses, PWR ACCY Circuit Breaker
Cell 10: IGN A and CIG LTR Fuses, PWR ACCY Circuit Breaker