GM Service Manual Online
For 1990-2009 cars only
Makes
🢒
Chevrolet
🢒
1998
🢒
Chevy C Pickup - 2WD
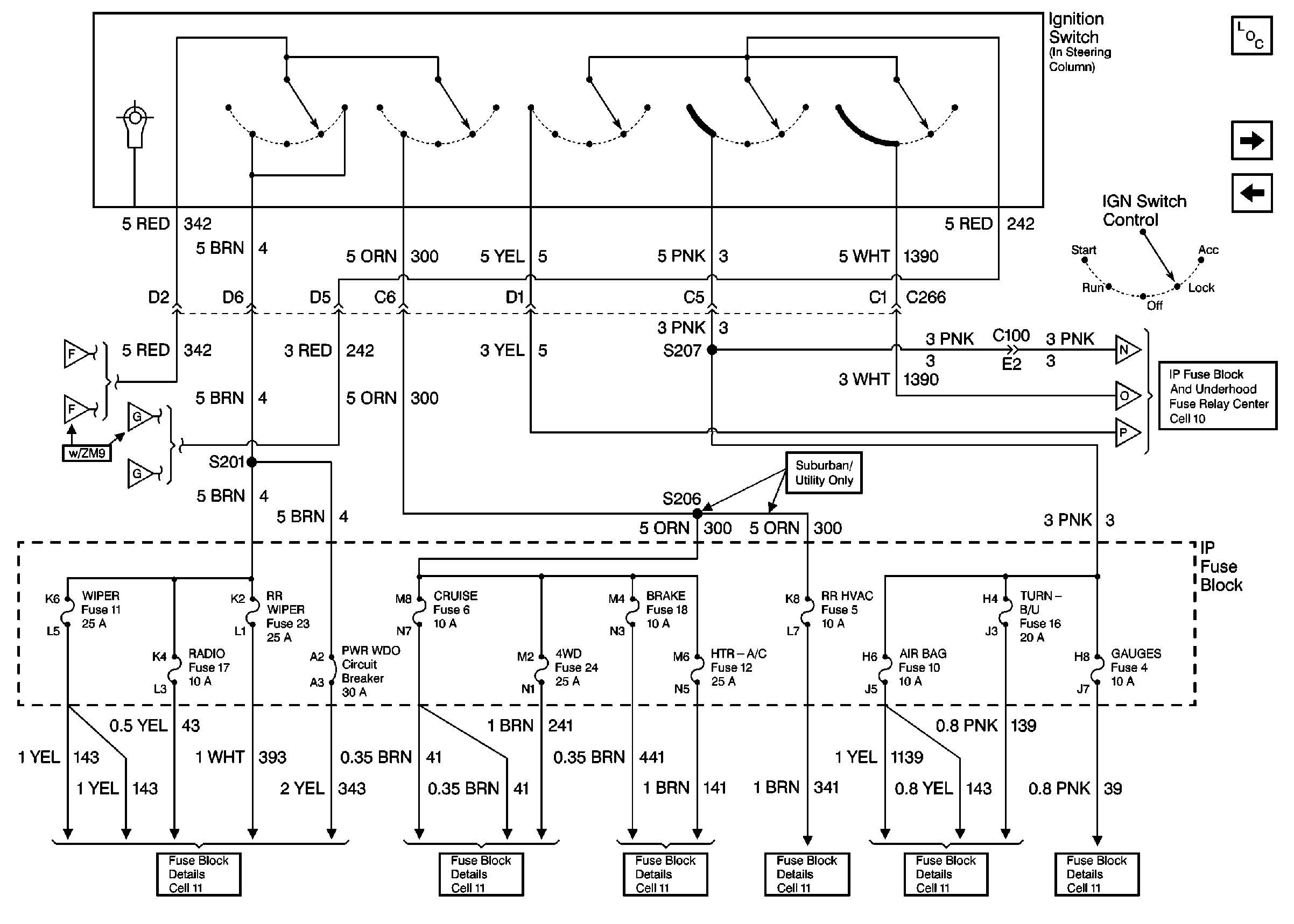
🢒 Cell 10: Ignition Switch and WIPER Fuse
Cell 10: Ignition Switch and WIPER Fuse
Cell 10: Ignition Switch and WIPER Fuse
Cell 10: IGN E and CRANK Fuses
Cell 10: IGN A and RADIO BATT Fuses, PWR ACCY Circuit Breaker (w/ ZM9)
Cell 10: IGN E and CRANK Fuses