GM Service Manual Online
For 1990-2009 cars only
Makes
🢒
Chevrolet
🢒
1998
🢒
Chevy C Pickup - 2WD
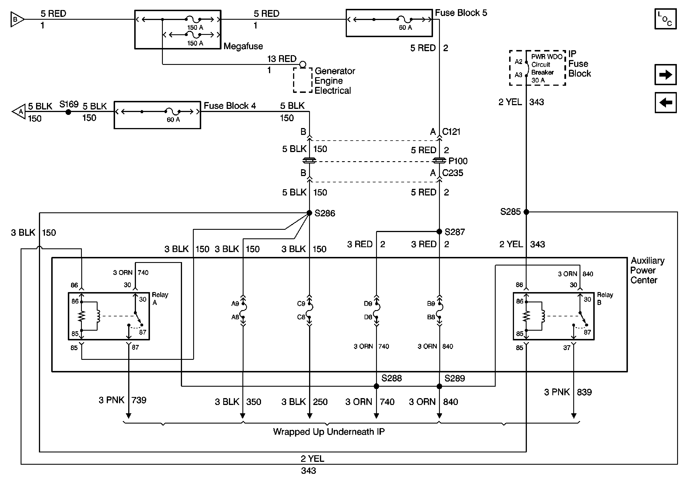
🢒 Cell 10: Megafuse, Fuse Block 4 and 5, Auxiliary Power Center
Cell 10: Megafuse, Fuse Block 4 and 5, Auxiliary Power Center
Cell 10: Megafuse, Fuse Block 4 and 5, Auxiliary Power Center
Cell 10: Megafuse, Fuse Block 3 and 4, Auxiliary Power Center
Cell 10: EBCM; Blower Motor, Brake Lamp and Starter Relay
Cell 10: Megafuse, Fuse Block 3 and 4, Auxiliary Power Center
Cell 10: Megafuse, Fuse Block 3 and 4, Auxiliary Power Center