GM Service Manual Online
For 1990-2009 cars only

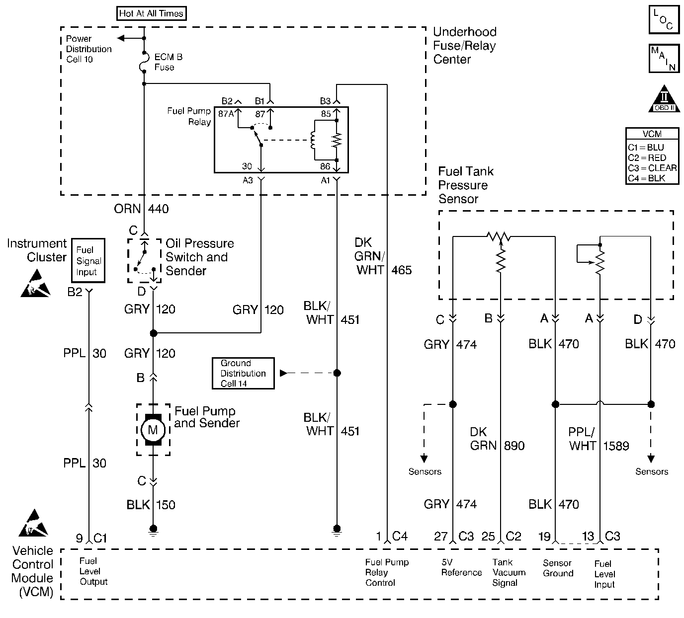
Object Number: 216948  Size: LF
Handling ESD Sensitive Parts Notice
Handling ESD Sensitive Parts Notice
Engine Controls Components
OBD II Symbol Description Notice

Circuit Description

The Fuel Level sensor is an important input to the VCM for the Enhanced Evaporative System Diagnostic. The VCM needs the fuel level information in order to know the volume of fuel in the tank. The fuel level affects the rate of change in the air pressure in the EVAP system. Several of the Enhanced Evaporative System Diagnostic sub-test are dependent upon the correct fuel level information. The diagnostic will not run when the tank is greater than 85% or less than 15% full. (This sensor signal disables the misfire when the fuel levels are less than 15%).

Conditions for Running the DTC

The ignition switch is in the run position.

Conditions for Setting the DTC

The fuel level sensor voltage remains above 2.9 volts for more than 20 seconds.

Action Taken When the DTC Sets

    • The control module stores the DTC in history after the first failure but will not illuminate the malfunction indicator lamp (MIL).
    • The control module records the operating conditions at the time the diagnostic fails. The control module stores the failure information in the scan tools Freeze Frame/Failure Records.

Conditions for Clearing the MIL or DTC

    • The control module turns OFF the MIL after 3 consecutive drive trips when the test has run and passed.
    • A history DTC will clear if no fault conditions have been detected for 40 warm-up cycles. A warm-up cycle occurs when the coolant temperature has risen 22°C (40°F) from the startup coolant temperature and the engine coolant reaches a temperature that is more than 70°C (158°F) during the same ignition cycle.
    • Use a scan tool in order to clear the DTCs.

Diagnostic Aids

Check for the following conditions:

    • A poor connection or damaged harness - Inspect VCM harness connectors for the following:
       - Backed out terminals
       - Improper mating
       - Broken locks
       - Poor wire to terminal connections
    • Intermittent test - monitor a scan tool or digital voltmeter connected between the related circuits while moving the connectors and harnesses. If the failure is induced, the voltage reading will change. This will help locate a circuit problem.

Test Description

The numbers below refer to the step numbers in the diagnostic table.

  1. This step checks the signal circuit and the VCM.

Step

Action

Value(s)

Yes

No

1

Important: : Before clearing the DTCs, use the scan tool Capture Info to save the Freeze Frame and Failure Records for reference. The control module's data is deleted once the Clear Info function is used.

Did you perform the Powertrain On-Board Diagnostic (OBD) System Check?

--

Go to Step 2

Go to Powertrain On Board Diagnostic (OBD) System Check

2

  1. Install the scan tool.
  2. Observe the Fuel Level Sensor on the scan tool.

Is the voltage greater than the specified value?

2.9V

Go to Step 4

Go to Step 3

3

This DTC is intermittent.

Are any other DTC stored?

--

Go to applicable DTC table

Go to Diagnostic Aids

4

  1. Disconnect the Fuel Level Sender at the fuel tank.
  2. Turn ON the ignition leaving the engine OFF.
  3. Probe the Fuel Level signal circuit with a J 39200 DMM connected to ground.

Is the voltage near the specified value?

5V

Go to Step 6

Go to Step 5

5

Check for a open in the Fuel Level signal circuit.

Was a problem found?

--

Go to Step 10

Go to Step 7

6

With a test light connected to B+, probe the Fuel Level ground circuit.

Is the test light ON?

--

Go to Step 9

Go to Step 8

7

Check for a short to voltage in the Fuel Level signal circuit.

Was a problem found?

--

Go to Step 10

Go to Step 12

8

Check for an open in the Fuel Level ground circuit.

Was a problem found?

--

Go to Step 10

Go to Step 12

9

Check the electrical connector at the Fuel Level Sender for corrosion and improper mating.

Was a problem found?

--

Go to Step 10

Go to Step 11

10

Repair the circuit as necessary. Refer to Wiring Repairs in Wiring Systems.

Is the action complete?

--

Go to Step 13

--

11

Replace the Fuel Level Sender. Refer to Fuel Sender Assembly Replacement .

Is action complete?

--

Go to Step 13

12

  1. Replace the VCM.
  2. Program the new VCM. Refer to VCM Replacement/Programming .
  3. Perform the VTD Password Learn Procedure. Refer to Password Learn .
  4. Perform the CKP System Variation Learning Procedure. Refer to Crankshaft Position System Variation Learn .

Is the action complete?

--

Go to Step 13

--

13

  1. Using the scan tool, clear the DTCs.
  2. Start the engine.
  3. Select DTC and the Specific DTC function.
  4. Enter the DTC number which was set.
  5. Operate the vehicle, with the Conditions for Setting this DTC, until the scan tool indicates the diagnostic Ran.

Does the scan tool indicate the diagnostic Passed?

--

Go to Step 14

Go to Step 2

14

Does the scan tool display any additional undiagnosed DTCs?

--

Go to the Applicable DTC Table

System OK