GM Service Manual Online
For 1990-2009 cars only

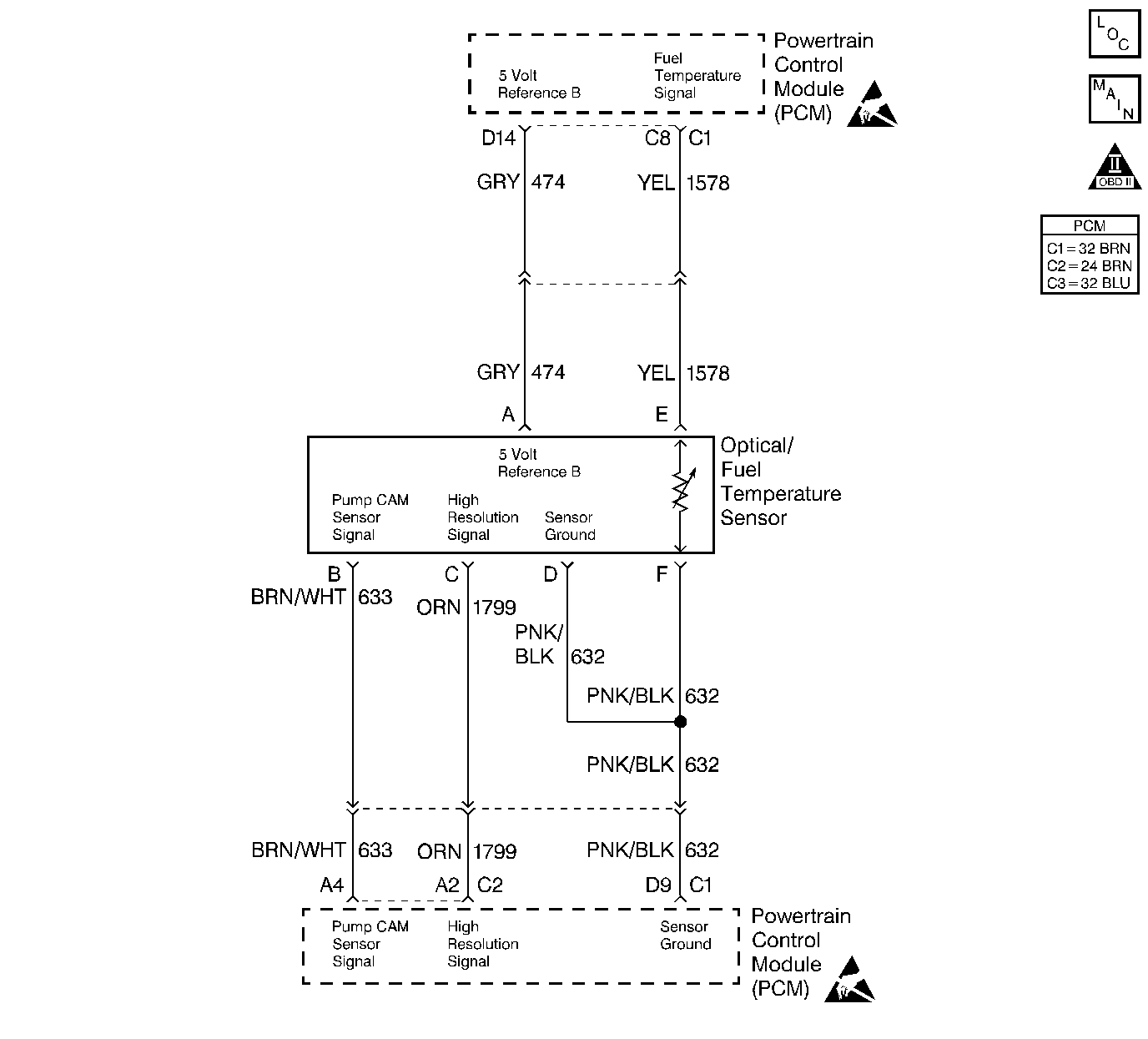
Object Number: 185024  Size: LF
Engine Controls Components
Ignition System
OBD II Symbol Description Notice
Handling ESD Sensitive Parts Notice
Handling ESD Sensitive Parts Notice

Circuit Description

The fuel temperature sensor is a thermistor that controls signal voltage to the PCM. When the fuel is cold, the sensor resistance is high, therefore the PCM will see high signal voltage. As the fuel warms, sensor resistance becomes less and voltage drops. The fuel temperature sensor is integrated with the optical sensor.

Conditions for Running the DTC

    • The PCM performs this DTC diagnostic continuously.
    • The engine operation time is more than 8 minutes.

Conditions for Setting the DTC

    • The fuel temperature is less than or equal to 18°C (64°F).
    • All of the diagnostic set conditions met for 2 seconds.

Action Taken When the DTC Sets

    • The PCM illuminates the malfunction indicator lamp (MIL) on the second consecutive drive trip that the diagnostic runs and fails.
    • The PCM records the operating conditions at the time the diagnostic fails. The first time the diagnostic fails, the Failure Records will store this information. If the diagnostic reports a failure on the second consecutive drive trip, the Freeze Frame records the operating conditions at the time of failure and updates the Failure Records.

Conditions for Clearing the MIL/DTC

    • The PCM will turn the MIL off after 3 consecutive trips without a fault condition.
    • A history DTC clears after 40 consecutive warm-up cycles, if this or any other emission related diagnostic does not report any failures.
    • The scan tool Clear Info function was used.

Diagnostic Aids

A scan tool reads fuel temperature in degrees centigrade.

An intermittent may be caused by any of the following conditions:

    • A poor connection
    • Rubbed through wire insulation
    • A broken wire inside the insulation

Thoroughly check any circuitry that is suspected of causing the intermittent complaint. Refer to Intermittents and Poor Connections Diagnosis in Wiring Systems.

If a repair is necessary, refer to Wiring Repairs or Connector Repairs in Wiring Systems.

Test Description

Number(s) below refer to the step number(s) on the Diagnostic Table.

  1. This step determines if DTC P0183 is a hard failure or an intermittent condition.

  2. This test simulates a DTC P0182. If the PCM recognizes the low signal voltage (high temp) the PCM and wiring are OK.

  3. This test will determine if signal circuit is open. There should be 5 volts at the sensor connector if measured with J 39200 . This will determine if there is a wiring problem or a malfunctioning PCM.

  4. This step determines if there is a short to voltage on the signal circuit. A short to voltage increases current flow through the sensor which overwhelms the sensor. This doesn't allow the sensor to pull down the circuit to the correct voltage and thus display the correct temperature.

  5. After repairing the short to voltage, check the sensor for proper operation.

Step

Action

Value(s)

Yes

No

1

Important: Before clearing the DTCs, use the scan tool Capture Info to save the Freeze Frame and Failure Records for reference. The control module's data is deleted once the Clear Info function is used.

Did you perform the Powertrain On-Board Diagnostic (OBD) System Check?

--

Go to Step 2

Go to Powertrain On Board Diagnostic (OBD) System Check

2

  1. Connect a scan tool.
  2. Start and idle the engine.
  3. Monitor the Fuel Temp display on the scan tool.

Is the fuel temp less than or equal to the specified value?

18°C (64°F)

Go to Step 3

Go to Step 5

3

  1. Turn the engine OFF.
  2. Turn the ignition ON.
  3. Disconnect the optical fuel temperature sensor connector.
  4. Jumper the fuel temperature signal circuit and sensor ground together at the sensor harness.

Does the scan tool display a fuel temperature greater than the specified value?

105°C (221°F)

Go to Step 6

Go to Step 4

4

Jumper the fuel temperature sensor signal circuit to a known good ground.

Does the scan tool display a fuel temp greater than the specified value?

105°C (221°F)

Go to Step 7

Go to Step 8

5

The DTC is intermittent. If no other DTC(s) are stored, refer to Diagnostic Aids. If additional DTCs are stored, refer to those table(s) first.

Are any other DTCs stored?

--

Go to the Applicable DTC Table

Go to Diagnostic Aids

6

  1. Inspect the sensor connector for a proper connection.
  2. If a problem is found, repair the problem as necessary. Refer to Wiring Repairs in Wiring Systems.

Did you perform a repair?

--

Go to Step 14

Go to Step 9

7

  1. Check the fuel temperature sensor ground circuit for an open between the fuel temp sensor and the PCM.
  2. If a problem is found, repair the problem as necessary. Refer to Wiring Repairs in Wiring Systems.

Did you perform a repair?

--

Go to Step 14

Go to Step 11

8

  1. Check the fuel sensor signal circuit for an open between the fuel temp sensor and the PCM.
  2. If a problem is found, repair the problem as necessary. Refer to Wiring Repairs in Wiring Systems.

Did you perform a repair?

--

Go to Step 14

Go to Step 11

9

With a J 39200 DMM set to the mA scale, measure the current across the fuel temperature signal and the sensor ground circuit at the sensor harness connector.

Is the current less than the specified value?

50 mA

Go to Step 12

Go to Step 10

10

Repair the short to voltage on the fuel temperature signal circuit. Refer to Wiring Repairs in Wiring Systems.

Is the action complete?

--

Go to Step 14

--

11

Inspect the PCM connectors for proper connections and replace the terminals, if necessary. Refer to Wiring Repairs in Wiring Systems.

Did you perform a repair?

--

Go to Step 14

Go to Step 13

12

Replace the injection pump. Refer to Fuel Injection Pump Replacement

Important: The new injection pump must be timed. Refer to Fuel Injection Pump Timing Adjustment .

Is the action complete?

--

Go to Step 14

--

13

Replace the PCM.

Important: The new PCM must be programmed. Refer to Powertrain Control Module Replacement/Programming

Is the action complete?

--

Go to Step 14

--

14

  1. Using the scan tool, clear the DTCs.
  2. Start the engine.
  3. Allow the engine to idle until the engine reaches normal operating temperature.
  4. Select DTC and the Specific DTC function.
  5. Enter the DTC number which was set.
  6. Operate the vehicle, with the Conditions for Setting this DTC, until the scan tool indicates the diagnostic Ran.

Does the scan tool indicate the diagnostic Passed?

--

Go to Step 15

Go to Step 2

15

Does the scan tool display any additional undiagnosed DTCs?

--

Go to the Applicable DTC Table

System OK