GM Service Manual Online
For 1990-2009 cars only

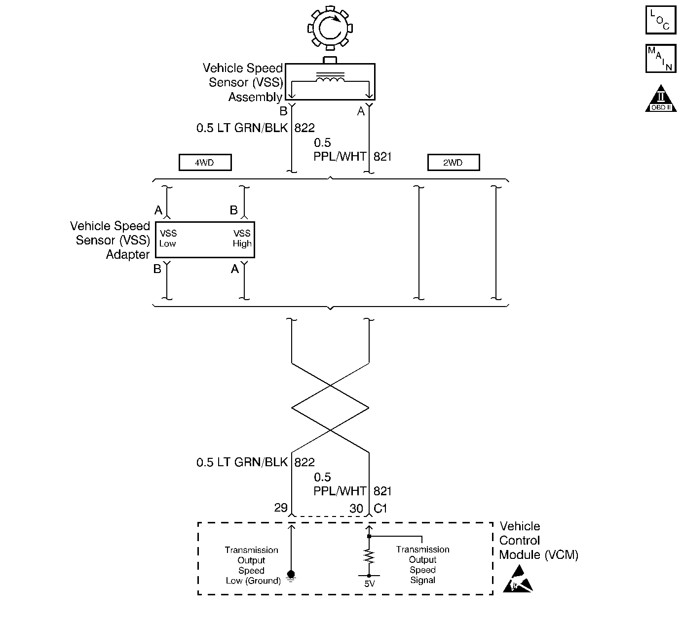
Object Number: 42264  Size: LF
Automatic Transmission Components
Automatic Transmission Controls Schematics 4L60
OBD II Symbol Description Notice
Handling ESD Sensitive Parts Notice

Circuit Description

The Vehicle Speed Sensor Assembly (VSS Assy.) provides vehicle speed information to the Vehicle Control Module (VCM). The VSS Assy. is a Permanent Magnet (PM) generator. The PM generator produces a pulsing AC voltage as rotor teeth on the transmission output shaft pass through the sensor's magnetic field. The AC voltage level and the number of pulses increase as the speed of the vehicle increases. The output voltage varies from a minimum of 0.5 volts AC at 100 RPM to more than 100 volts at 8000 RPM. The VCM converts the pulsing voltage to vehicle speed. The VCM uses the vehicle speed signal to determine shift timing and Torque Converter Clutch (TCC) scheduling.

When the VCM detects an unrealistically large drop in vehicle speed, then DTC P0503 sets. DTC P0503 is a type B DTC.

Conditions for Setting the DTC

DTC P0503 sets if the following conditions occur two consecutive times:

    • No TFP Val. Position Sw. DTC P1810.
    • The engine speed is greater than 450 RPM for 5 seconds.
    • Not in fuel cutoff.
    • The time since the last gear range change is greater than 6 seconds.
    • The transmission output speed rise does not exceed 600 RPM within 6 seconds.
    • The transmission output speed drops by greater than 1300 RPM for 3 seconds when not in Park/Neutral.

Action Taken When the DTC Sets

    • The VCM illuminates the Malfunction Indicator Lamp (MIL).
    • The VCM commands second gear only.
    • The VCM commands maximum line pressure.
    • The VCM freezes shift adapts from being updated.
    • The VCM inhibits TCC engagement.
    • DTC P0503 stores in VCM history.

Conditions for Clearing the MIL/DTC

    • The VCM turns OFF the MIL after three consecutive trips without a failure reported.
    • A scan tool can clear the DTC from the VCM history. The VCM clears the DTC from the VCM history if the vehicle completes 40 warm-up cycles without a failure reported.
    • The VCM cancels the DTC default actions when the fault no longer exists and the ignition is OFF long enough in order to power down the VCM.

Diagnostic Aids

    • Inspect the wiring at the VCM, the Vehicle Speed Sensor (VSS) connector and all other circuit connecting points for the following conditions:
       - A bent terminal
       - A backed out terminal
       - A damaged terminal
       - Poor terminal tension
       - A chafed wire
       - A broken wire inside the insulation
       - Moisture intrusion
       - Corrosion
    • When diagnosing for an intermittent short or open condition, massage the wiring harness while watching the test equipment for a change.

Test Description

The numbers below refer to the step numbers on the diagnostic table.

  1. This step tests the VSS Assembly circuit.

  2. This step tests the integrity of the VSS Assembly.

  3. This step tests the 5-volt and ground circuit of the VCM.

DTC P0503 Vehicle Speed Sensor Assembly Circuit -- Intermittent

Step

Action

Value(s)

Yes

No

1

Was the Powertrain On-Board Diagnostic (OBD) System Check performed?

--

Go to Step 2

Go to Powertrain On Board Diagnostic (OBD) System Check (4.3L) or Powertrain On Board Diagnostic (OBD) System Check (5.0L, 5.7L) in Engine Controls

2

  1. Install the Scan Tool .
  2. With the engine OFF, turn the ignition switch to the RUN position.
  3. Important: Before clearing the DTC(s), use the Scan Tool in order to record the Freeze Frame and Failure Records for reference. Using the Clear Info function will erase the stored Freeze Frame and Failure Records from the VCM.

  4. Record the DTC Freeze Frame and Failure Records, then clear the DTC(s).
  5. Raise and support the drive axle assembly.
  6. Start the engine.
  7. Place the transmission in D3 range.
  8. With the drive wheels rotating, slowly accelerate the engine to 2000 RPM and hold (Road test the vehicle if necessary).

Does the Transmission OSS drop or fluctuate more than the specified value?

1300 RPM

Go to Step 3

Go to Diagnostic Aids

3

  1. Turn the ignition OFF.
  2. Disconnect the C1 (blue) VCM connector.
  3. Using the J 39200 Digital Multimeter (DMM) and the J 35616-A Connector Test Adapter Kit, measure the resistance between VCM connector terminals C1-29 and C1-30.

Is the resistance within the specified range?

1470-2820 ohms

Go to Step 4

Go to Step 6

4

Measure the resistance between terminal C1-30 and ground.

Is the resistance greater than the specified value?

50 K ohms

Go to Step 5

Go to Step 7

5

  1. Place the transmission in Neutral.
  2. Select AC volts.
  3. Hold one rear wheel from turning.
  4. Rotate the other rear wheel by hand, ensuring that the driveshaft is turning.

Is the voltage greater than the specified value?

0.5 volts

Go to Step 8

Go to Step 9

6

  1. Inspect circuit 821 (PPL/WHT) for an open.
  2. Inspect circuit 822 (LT GRN/BLK) for an open.
  3. Refer to General Electrical Diagnosis in Wiring Repairs.

  4. Repair the circuits if necessary.
  5. Refer to Wiring Repairs in Wiring Repairs.

Did you find an open condition?

--

Go to Step 15

Go to Step 9

7

  1. Inspect circuit 821 (PPL/WHT) for a short to ground.
  2. Inspect circuit 822 (LT GRN/BLK) for a short to ground.
  3. Refer to General Electrical Diagnosis in Wiring Repairs.

  4. Repair the circuits if necessary.
  5. Refer to Wiring Repairs in Wiring Repairs.

Did you find a short to ground condition?

--

Go to Step 15

Go to Diagnostic Aids

8

  1. Reconnect the C1 (blue) VCM connector.
  2. Disconnect the VSS Assembly harness from the VSS Assembly.
  3. With the engine OFF, turn the ignition switch to the RUN position.
  4. Using the J 39200 DMM, measure the voltage at the VSS Assembly harness connector terminal A and terminal B.

Is the voltage within the specified range?

4.0-5.1 volts

Go to Step 14

Go to Step 11

9

  1. Remove the VSS Assembly.
  2. Check the output shaft speed sensor rotor for damage or misalignment.

Did you find a damaged condition?

--

Go to Step 15

Go to Step 10

10

Replace the VSS Assembly.

Refer to Vehicle Speed Sensor Replacement .

Is the replacement complete?

--

Go to Step 15

--

11

Was the voltage measured in step 8 less than the voltage in the value column?

4.0 volts

Go to Step 14

Go to Step 12

12

Was the voltage measured in step 8 greater than the voltage in the value column?

5.1 volts

Go to Step 13

--

13

Repair the short to B+ in circuit 821 (PPL/WHT).

Refer to Wiring Repairs in Wiring Repairs.

Is the repair complete?

--

Go to Step 15

--

14

Replace the VCM.

Refer to VCM Replacement/Programming (4.3L) or VCM Replacement/Programming (5.0L, 5.7L) in Engine Controls.

Is the replacement complete?

--

Go to Step 15

--

15

In order to verify your repair, perform the following procedure:

  1. Select DTC.
  2. Select Clear Info.
  3. Operate the vehicle, ensuring that the transmission output speed drop is less than 500 RPM for 2.5 seconds and output speed is greater than 600 RPM for 2.5 seconds.
  4. Select Specific DTC.
  5. Enter DTC P0503.

Has the test run and passed?

--

System OK

Begin the diagnosis again. Go to Step 1