GM Service Manual Online
For 1990-2009 cars only

Automatic Transmission Controls Schematics Gas

Figure 1:

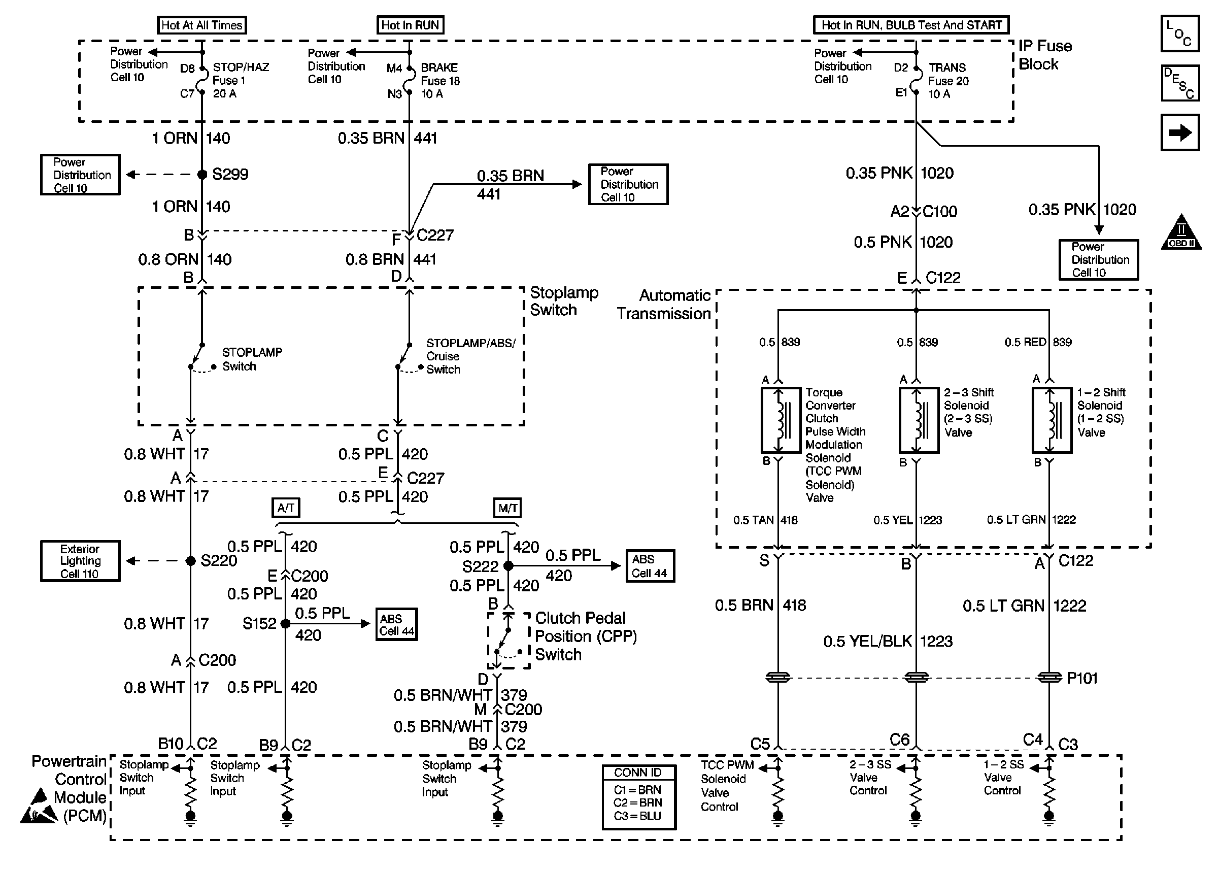
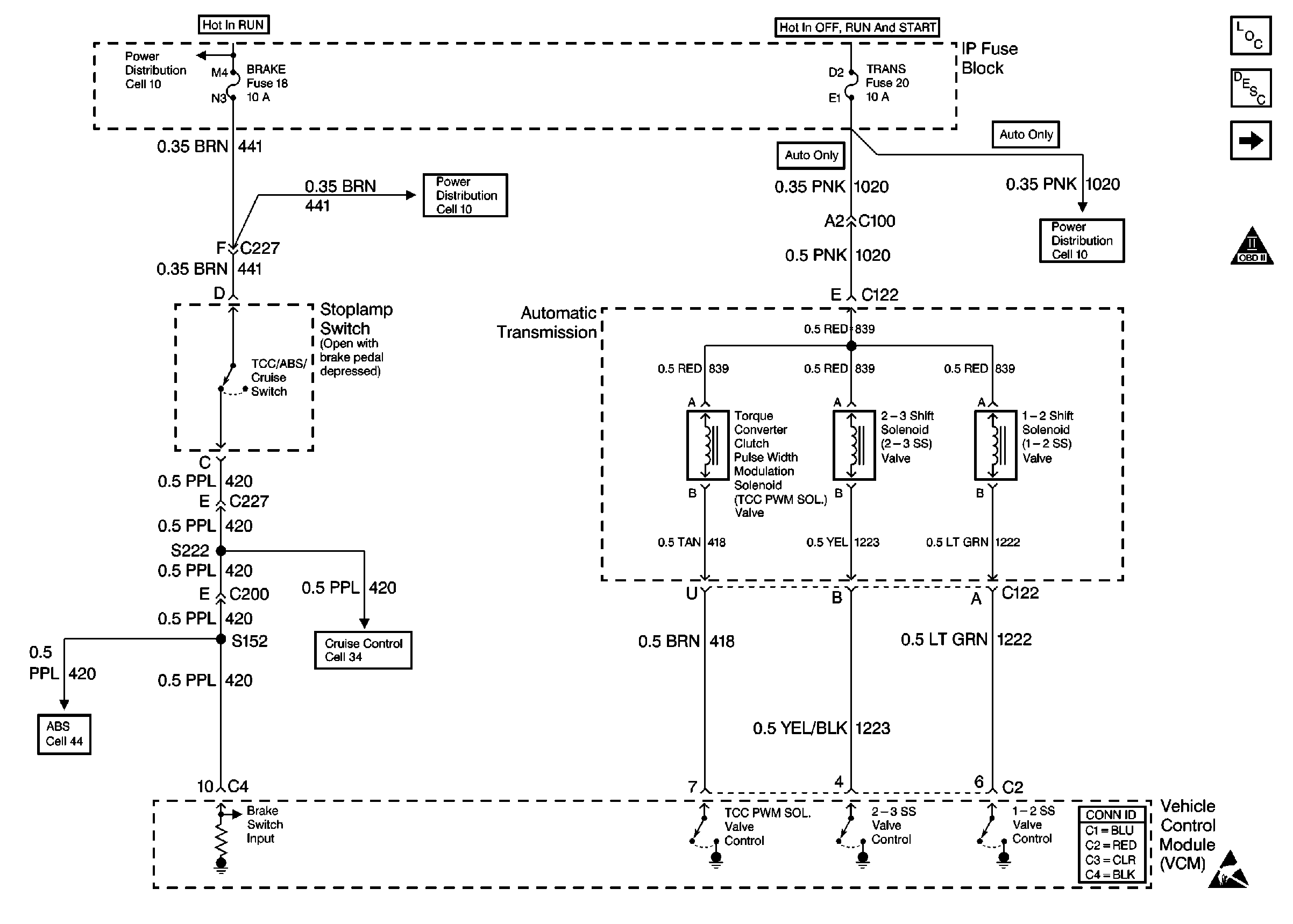
Automatic Transmission, Fuses, Stoplamp Switch


Object Number: 384862  Size: FS
Cell 10: IGN A Fuse and Ignition Switch
Cell 10: BRAKE and HTR-A/C Fuses
Cell 10: AIR BAG, TURN B/U, CRANK, and TRANS Fuses
ABS Schematics
Cell 34: Cruise Control Module, VCM (Gas) (2 of 2)
VCM Connector End Views
OBD II Symbol Description Notice
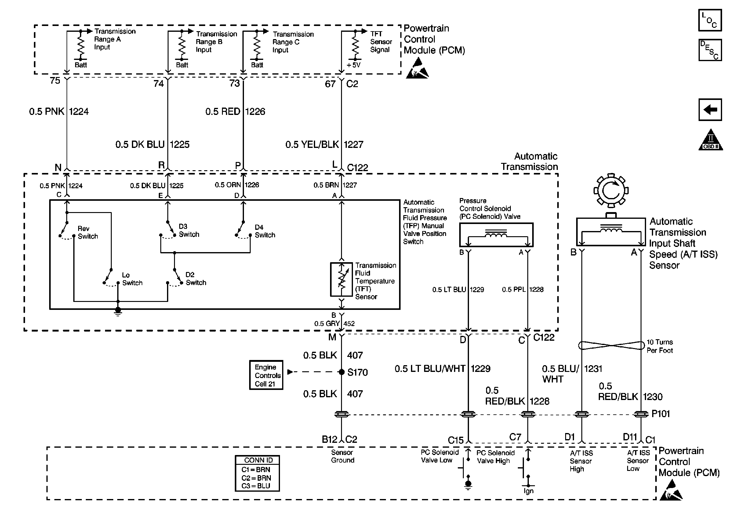
Automatic Transmission, VCM
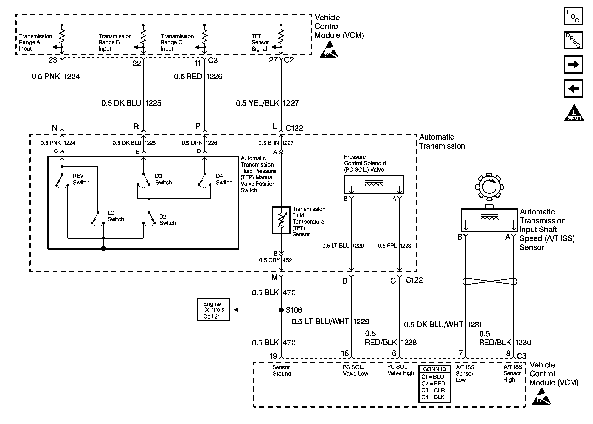
Figure 2:

Automatic Transmission, VCM


Object Number: 384868  Size: FS
Engine Sensors
Handling ESD Sensitive Parts Notice
VCM Connector End Views
Handling ESD Sensitive Parts Notice
OBD II Symbol Description Notice
Automatic Transmission, Fuses, Stoplamp Switch
Fuses, Automatic Transmission, VCM
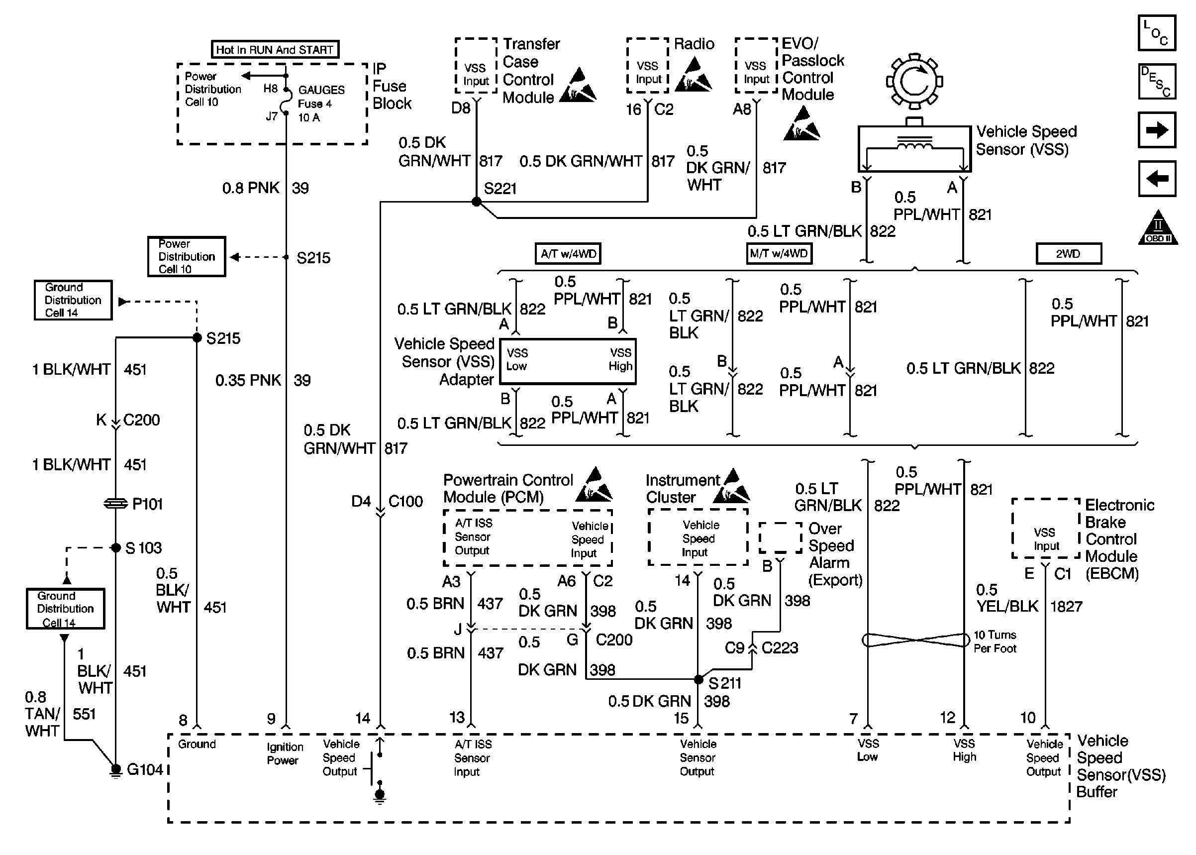
Figure 3:

Fuses, Automatic Transmission, VCM


Object Number: 384873  Size: FS
Cell 10: IGN B Fuse and Ignition Switch
Cell 10: BRAKE and HTR-A/C Fuses
Cell 34: Cruise Control Module, VCM (Gas) (2 of 2)
ABS Schematics
VCM Connector End Views
OBD II Symbol Description Notice
Automatic Transmission, VCM
VCM, Automatic Transmission
Cell 10: AIR BAG, TURN B/U, CRANK, and TRANS Fuses
Figure 4:

VCM, Automatic Transmission


Object Number: 384882  Size: FS
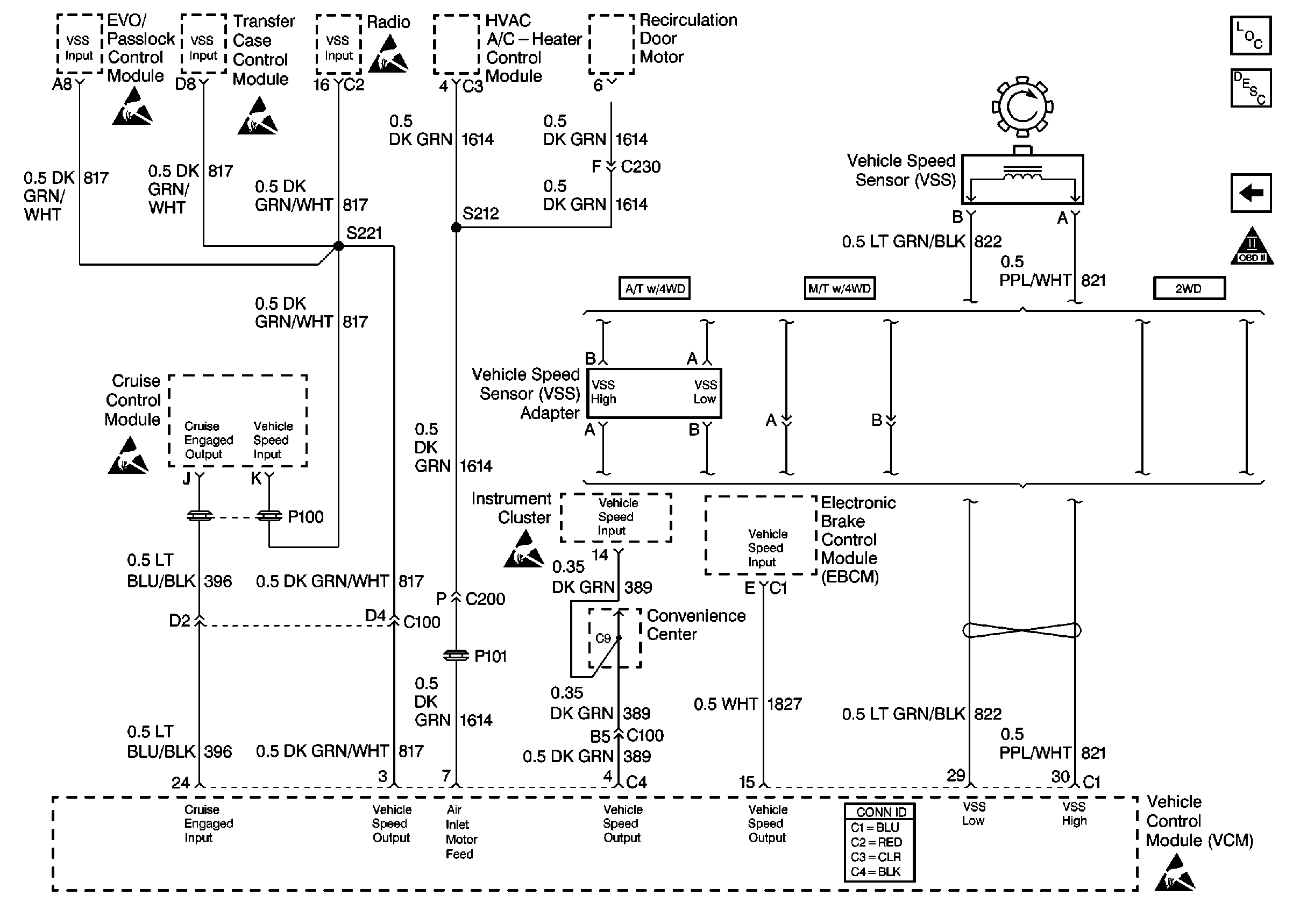
VSS, VCM, Cruise Control Module
Fuses, Automatic Transmission, VCM
OBD II Symbol Description Notice
Handling ESD Sensitive Parts Notice
Handling ESD Sensitive Parts Notice
Engine Sensors
VCM Connector End Views
Figure 5:

VSS, VCM, Cruise Control Module


Object Number: 384889  Size: FS
VCM, Automatic Transmission
OBD II Symbol Description Notice
VCM Connector End Views
Handling ESD Sensitive Parts Notice
Handling ESD Sensitive Parts Notice
Handling ESD Sensitive Parts Notice
Handling ESD Sensitive Parts Notice
Handling ESD Sensitive Parts Notice

Automatic Transmission Controls Schematics Diesel

Figure 1:

Automatic Transmission, TCC, PCM


Object Number: 384902  Size: FS
Cell 10: LIGHTING and BATTERY Fuses
Cell 10: IGN B Fuse and Ignition Switch
Cell 10: AIR BAG, TURN B/U, CRANK, and TRANS Fuses
Cell 10: STOP/HAZ, RADIO BATT, and AUX PWR Fuses
Cell 10: AIR BAG, TURN B/U, CRANK, and TRANS Fuses
Cell 110: STOP/HAZ Fuse 1, Turn/Hazard Switch, Turn/Hazard Flasher
ABS Schematics
ABS Schematics
Powertrain Control Module Connector End Views
Cell 10: AIR BAG, TURN B/U, CRANK, and TRANS Fuses
OBD II Symbol Description Notice
PCM, VSS, Transfer Case
Handling ESD Sensitive Parts Notice
Figure 2:

PCM, VSS, Transfer Case


Object Number: 384909  Size: FS
Powertrain Control Module Connector End Views
Handling ESD Sensitive Parts Notice
Handling ESD Sensitive Parts Notice
Handling ESD Sensitive Parts Notice
PCM, Automatic Transmission, ISS
Automatic Transmission, TCC, PCM
OBD II Symbol Description Notice
Figure 3:

PCM, Automatic Transmission, ISS


Object Number: 384914  Size: FS
Handling ESD Sensitive Parts Notice
Powertrain Control Module Connector End Views
Handling ESD Sensitive Parts Notice
OBD II Symbol Description Notice
PCM, VSS, Transfer Case