GM Service Manual Online
For 1990-2009 cars only
Makes
🢒
Chevrolet
🢒
1999
🢒
Chevy C Pickup - 2WD
🢒
Body and Accessories
🢒
Horns
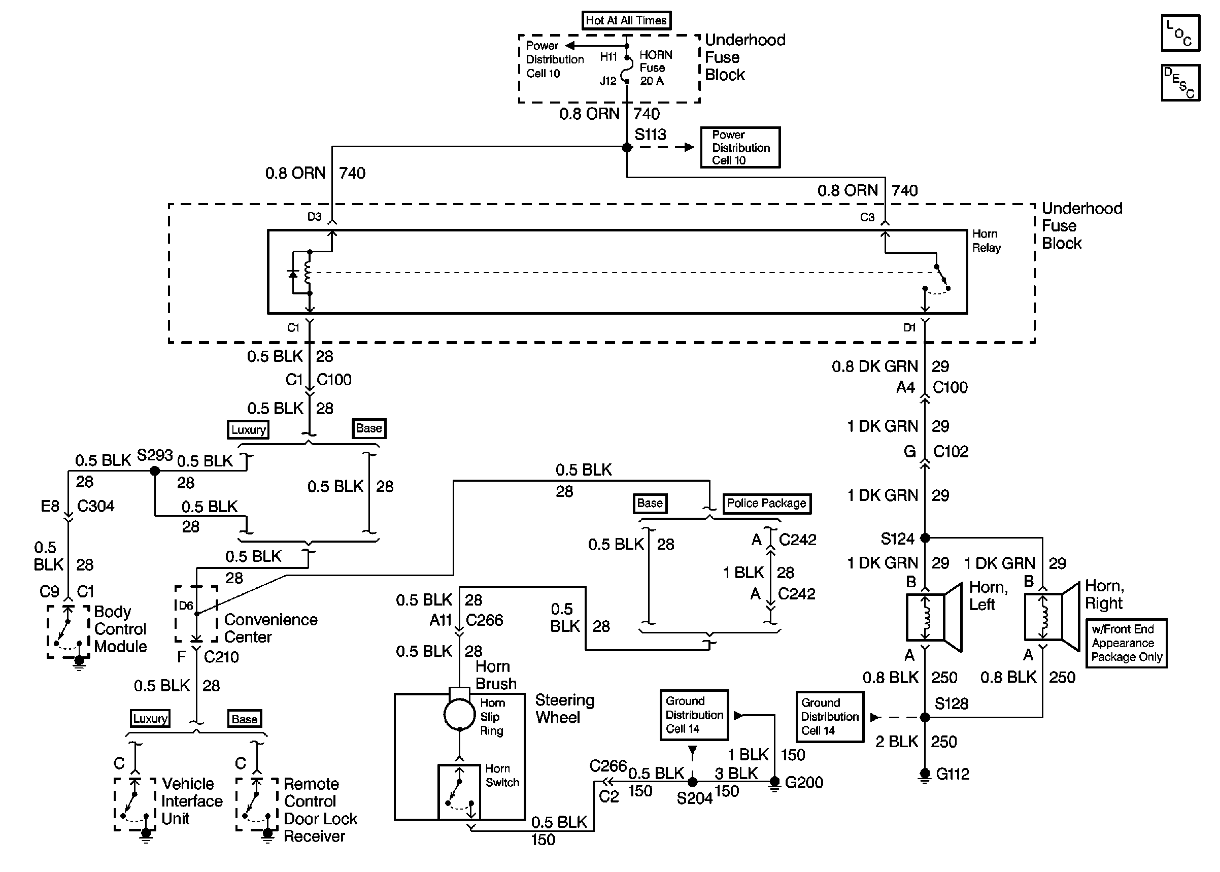
🢒 Horn Schematics
Cell 40
Horns Components
Horns Circuit Description
Cell 10: ECM-B, HORN and A/C COMP Fuses
Cell 10: Battery, and Underhood Fuse Block
Cell 14: G112