GM Service Manual Online
For 1990-2009 cars only
Makes
🢒
Chevrolet
🢒
1999
🢒
Chevy C Pickup - 2WD
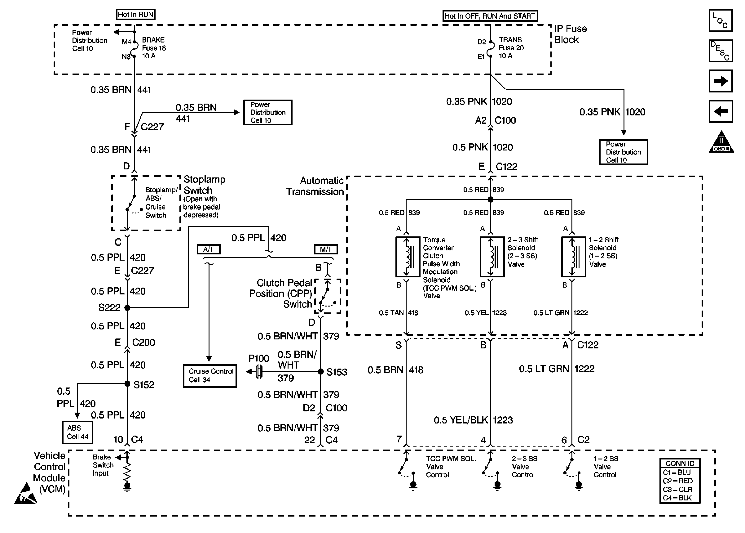
🢒 Shift Solenoids
Shift Solenoids
Shift Solenoids
Cell 10: IGN B Fuse and Ignition Switch
Cell 10: BRAKE and HTR-A/C Fuses
Cell 10: AIR BAG, TURN B/U, CRANK, and TRANS Fuses
Cell 34: Cruise Control Module, VCM (Gas) (2 of 2)
ABS Schematics
VCM Connector End Views
OBD II Symbol Description Notice
Transmission Controls