GM Service Manual Online
For 1990-2009 cars only

DTC P0138 HO2S Circuit High Voltage Bank 1 Sensor 2 Under 8600 GVW without C6P


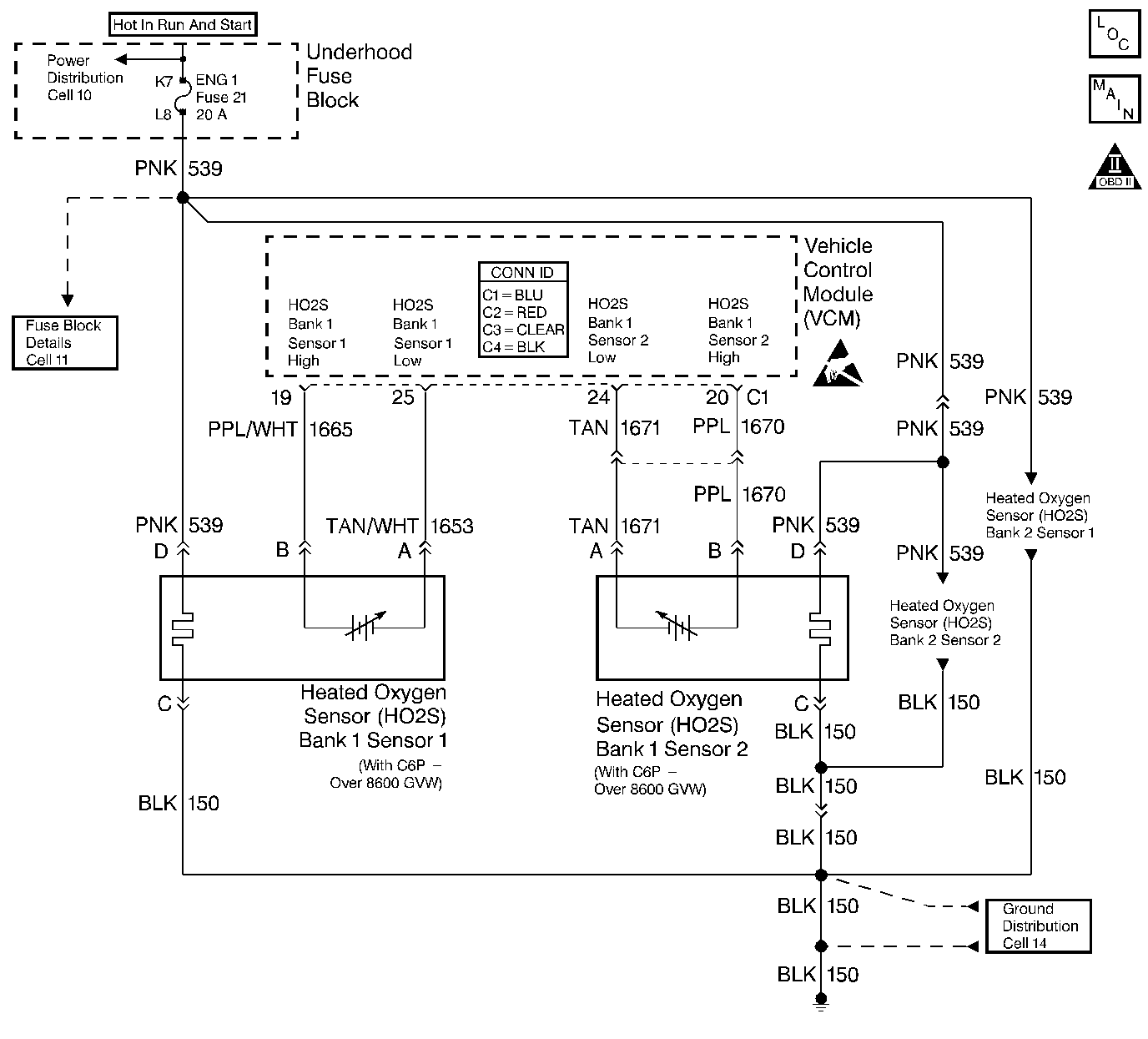
Object Number: 394274  Size: LF
Engine Controls Component Views
HO2S Sensors 5.7L
OBD II Symbol Description Notice
Handling ESD Sensitive Parts Notice

Circuit Description

The heated oxygen sensor (HO2S) is a sensor designed to create a voltage relative to the oxygen content in the engine exhaust stream. The control module supplies the HO2S with signal high and low circuits. Ignition voltage and ground are supplied to the HO2S heater by independent circuits. The oxygen content of the exhaust indicates when the engine is operating lean or rich. When the HO2S detects that the engine is operating rich, the signal voltage is high, and decreases the signal voltage as the engine runs leaner. This oscillation above and below the bias voltage, sometimes referred to as activity or switching, can be monitored with the HO2S signal voltage.

The HO2S contains a heater that is necessary in order to quickly warm the sensor to operating temperature. The heater also maintains the operating temperature during extended idle conditions. The HO2S needs to be at a high temperature in order to produce a voltage. When the HO2S reaches operating temperature, the control module monitors the HO2S bias, or reference, voltage. It also monitors the HO2S signal voltage for Closed Loop fuel control. During normal Closed Loop fuel control operation, the control module will add fuel, or enrich the mixture, when the HO2S detects a lean exhaust content. The control module will subtract fuel, or "lean-out" the mixture, when the HO2S detects a rich exhaust condition.

Certain vehicle models utilize an oxygen sensor behind the catalytic converter in order to monitor catalyst efficiency.

This diagnostic trouble code (DTC) determines if the HO2S is functioning properly. It checks for an adequate number of HO2S voltage transitions above and below the bias range of 300-600 mV. This DTC sets when the vehicle control module (VCM) fails to detect a minimum number of voltage transitions above and below the bias range during the test period. Possible causes of this DTC are:

    • An open or a short to voltage on either the HO2S signal or HO2S low circuits
    • A malfunctioning HO2S
    • A problem in the HO2S heater or its circuit
    • A faulty HO2S ground

This DTC is designed to detect an HO2S voltage that remains at a high (rich) voltage for more than 110 seconds during a 130 second test period. This DTC is set under the following conditions:

    • There is an HO2S circuit fault that results in a false rich exhaust condition.
    • The HO2S is correctly detecting the rich air/fuel ratio resulting from either a vacuum leak or a fuel control system fault.

Conditions for Running the DTC

    • No active TP sensor DTCs
    • No active EVAP system DTCs
    • No active IAT sensor DTCs
    • No active MAP sensor DTCs
    • No active ECT sensor DTCs
    • No active MAF sensor DTCs
    • No active misfire DTCs
    • No intrusive tests (i.e., EGR or Catalyst) in progress
    • No device control active
    • The system voltage is between 11.7-18 volts

Rich Test Enable

    • System in closed loop
    • The air/fuel ratio is between 14.5-14.8
    • The throttle position is between 0-50 percent
    • The above condition is met for 5 seconds

Decel Fuel Cut-off (DFCO) Rich Test Enable

    • DFCO mode active
    • System in closed loop
    • The elapsed time since test enabled is more than 2 seconds

Conditions for Setting the DTC

Rich Test

The HO2S sensor voltage is more than 994 mV for more than 110 seconds

DFCO Rich Test

The HO2S sensor voltage is more than 469 mV for more than 40 seconds

Action Taken When the DTC Sets

    • The control module illuminates the malfunction indicator lamp (MIL) if a failure is detected during 2 consecutive key cycles.
    • The control module sets the DTC and records the operating conditions at the time the diagnostic failed. The failure information is stored in the scan tool Freeze Frame/Failure Records.

Conditions for Clearing the MIL or DTC

    • The control module turns OFF the MIL after 3 consecutive drive trips when the test has run and passed.
    • A history DTC will clear if no fault conditions have been detected for 40 warm-up cycles. A warm-up cycle occurs when the coolant temperature has risen 22°C (40°F) from the startup coolant temperature and the engine coolant reaches a temperature that is more than 70°C (158°F) during the same ignition cycle.
    • Use a scan tool in order to clear the DTCs.

Diagnostic Aids

Important: Never solder the HO2S wires. For proper wire and connector repair refer to Wiring Repairs or Connector Repairs in Wiring Systems.

Check the following items:

    • The fuel pressure: If the pressure is too high, the system will run rich. The VCM can compensate for some increase; however, if the pressure gets too high, the DTC P0138 may set. Refer to Fuel System Diagnosis .
    • A rich injector. Perform an Injector Balance test. Refer to Fuel Injector Balance Test with Tech 2 .
    • A leaking injector. Refer to Fuel System Diagnosis .
    • Fuel contaminated oil
    • EVAP canister purge: Check for a fuel saturation. If full of fuel, check the canister control and hoses. Refer to Evaporative Emission Control System Diagnosis .
    • Leaking fuel pressure regulator diaphragm by checking the vacuum line to the regulator for fuel.
    • The TP sensor: An intermittent TP sensor output causes the system to run rich due to a false indication of the throttle moving.
    • False rich indication due to silicon contamination of the heated oxygen sensor. This DTC, accompanied by a lean driveability condition and a powdery white deposit on the sensor, may indicate a false rich indication.

An intermittent may be caused by any of the following conditions:

    • A poor connection
    • Rubbed through wire insulation
    • A broken wire inside the insulation

Thoroughly check any circuitry that is suspected of causing the intermittent complaint. Refer to Intermittents and Poor Connections Diagnosis in Wiring Systems.

If a repair is necessary, refer to Wiring Repairs or Connector Repairs in Wiring Systems.

Test Description

The number below refers to the step number on the diagnostic table.

  1. In order to determine if the engine is rich during De-acceleration Fuel Cut-Off (DFCO) operate the vehicle up to highway speed conditions and release the accelerator pedal allowing the vehicle to coast in gear. Monitor the scan tool HO2S voltage and the DFCO parameter. A rich condition will cause HO2S voltage to be above 468 mV during DFCO.

    An HO2S contaminated by silicon will have a white, powdery deposit on the portion of the HO2S that is exposed to the exhaust stream. The usual cause of silica contamination is the use of un-approved silicon RTV engine gasket material or the use of silicon based sprays or fluids within the engine. If the cause of this contamination is not corrected, the replacement HO2S will also get contaminated.

  2. Monitor the HO2S voltage of the opposite bank sensor. If the voltage activity of the opposite bank sensor is similar to the voltage activity of the suspect sensor check for rich conditions that would affect both cylinder banks. An opposite bank sensor with normal HO2S voltage activity indicates the suspect HO2S is defective or a rich condition exists only on the suspect HO2S cylinder bank.

  3. This step checks the HO2S HIGH signal circuit for a short to voltage.

  4. An HO2S contaminated by silicon will have a white, powdery deposit on the portion of the HO2S that is exposed to the exhaust stream. The usual cause of silica contamination is the use of un-approved silicon RTV engine gasket material or the use of silicon based sprays or fluids within the engine. If the cause of this contamination is not corrected, the replacement HO2S will also get contaminated.

Step

Action

Value(s)

Yes

No

1

Important: Before clearing the DTCs, use the scan tool Capture Info to save the Freeze Frame and Failure Records for reference. The control module's data is deleted once the Clear Info function is used.

Did you perform the Powertrain On-Board Diagnostic (OBD) System Check?

--

Go to Step 2

Go to Powertrain On Board Diagnostic (OBD) System Check

2

  1. Run the engine until normal operating temperature is reached.
  2. Using a scan tool monitor the HO2S voltage for the sensor that applies to this DTC.

Is the HO2S voltage fixed more than the value specified?

994 mV

Go to Step 4

Go to Step 3

3

This DTC is intermittent.

Are any additional DTCs stored?

--

Go to the applicable DTC table

Go to Diagnostic Aids

4

  1. Turn OFF the ignition.
  2. Disconnect the HO2S connector for the sensor that applies to this DTC.
  3. Jumper the HO2S LOW circuit terminal (engine harness side) to a known good ground.
  4. Turn the ON ignition leaving the engine OFF.
  5. Using the scan tool monitor the HO2S voltage for the sensor that applies to this DTC.

Is the HO2S voltage within the value range specified?

351 - 551 mV

Go to Step 5

Go to Step 6

5

The HO2S is detecting a rich exhaust condition or may be contaminated. Check for one of the following conditions:

    • HO2S connector water intrusion
    • silicon contaminated HO2S
    • fuel contaminated engine oil
    • EVAP canister purge condition. Refer to Evaporative Emission Control System Diagnosis .
    • Incorrect fuel pressure. Refer to Fuel System Diagnosis .
    • A leaking fuel pressure regulator
    • Rich fuel injectors. Refer to Fuel Injector Balance Test with Tech 2 .
    • An inaccurate MAF sensor

Repair any of the above or similar engine conditions as necessary.

Did you find a problem?

--

Go to Step 10

Go to Step 8

6

  1. Turn OFF the ignition.
  2. Remove the jumper from the HO2S LOW circuit terminal.
  3. Disconnect the VCM connector that contains the HO2S HIGH signal circuit.
  4. Turn ON the ignition leaving the engine OFF.
  5. Using a J 39200 DMM measure the voltage between the HO2S HIGH signal circuit VCM connector terminal (harness side) and ground.

Is the voltage more than the specified value?

20 mV

Go to Step 7

Go to Step 9

7

Repair the short to voltage in the HO2S HIGH signal circuit. Refer to Wiring Repairs in Wiring Systems.

Is the action complete?

--

Go to Step 10

--

8

Important: Before replacing a contaminated HO2S determine and repair the cause of the contamination.

Replace the HO2S. Refer to Heated Oxygen Sensor Replacement .

Is the action complete?

--

Go to Step 10

--

9

  1. Replace the VCM.
  2. Program the new VCM. Refer to VCM Replacement/Programming .
  3. Perform the Passlock Reprogramming Procedure.
  4. Perform the CKP System Variation Learn Procedure. Refer to Crankshaft Position System Variation Learn .

Is the action complete?

--

Go to Step 10

--

10

  1. Using the scan tool, clear the DTCs.
  2. Start the engine.
  3. Allow the engine to idle until the engine reaches normal operating temperature.
  4. Select DTC and the Specific DTC function.
  5. Enter the DTC number which was set.
  6. Operate the vehicle, with the Conditions for Setting the DTC, until the scan tool indicates the diagnostic Ran.

Does the scan tool indicate the diagnostic Passed?

--

Go to Step 11

Go to Step 2

11

Does the scan tool display any additional undiagnosed DTCs?

--

Go to the applicable DTC table

System OK

DTC P0138 HO2S Circuit High Voltage Bank 1 Sensor 2 Over 8600 GVW with C6P


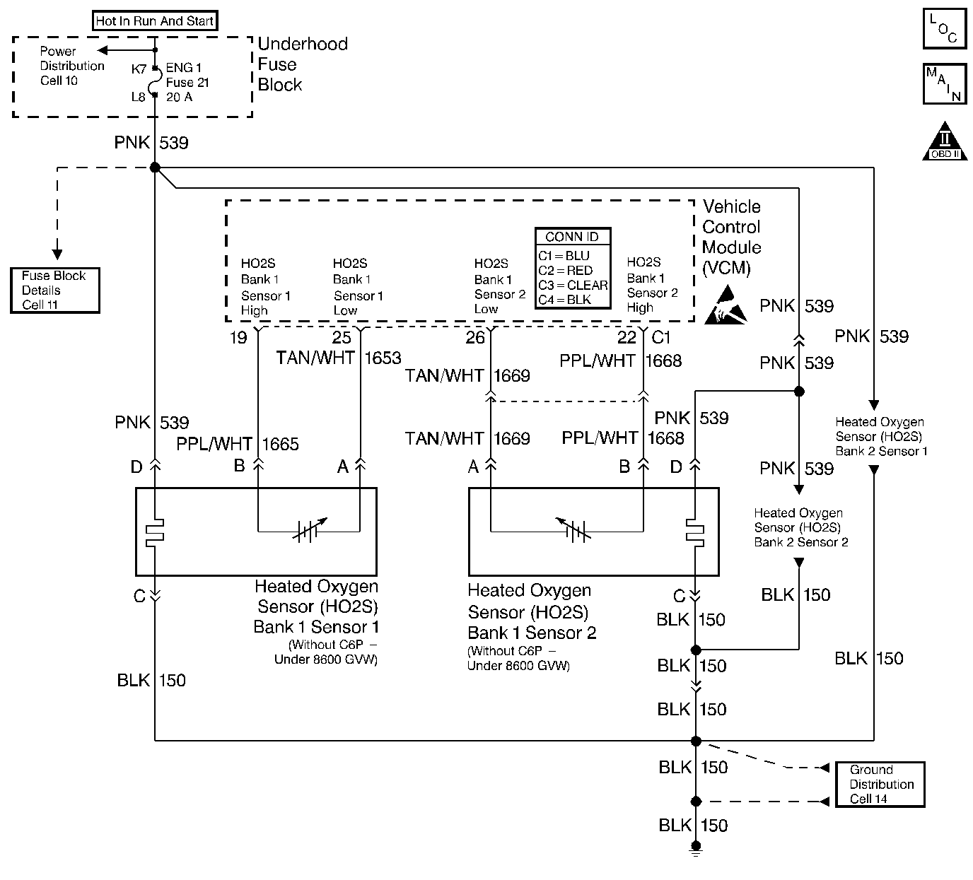
Object Number: 394293  Size: LF
HO2S (5.7L) - Comp Loc Figure
HO2S Sensors 5.7L
OBD II Symbol Description Notice
Handling ESD Sensitive Parts Notice

Circuit Description

The heated oxygen sensor (HO2S) is a sensor designed to create a voltage relative to the oxygen content in the engine exhaust stream. The control module supplies the HO2S with signal high and low circuits. Ignition voltage and ground are supplied to the HO2S heater by independent circuits. The oxygen content of the exhaust indicates when the engine is operating lean or rich. When the HO2S detects that the engine is operating rich, the signal voltage is high, and decreases the signal voltage as the engine runs leaner. This oscillation above and below the bias voltage, sometimes referred to as activity or switching, can be monitored with the HO2S signal voltage.

The HO2S contains a heater that is necessary in order to quickly warm the sensor to operating temperature. The heater also maintains the operating temperature during extended idle conditions. The HO2S needs to be at a high temperature in order to produce a voltage. When the HO2S reaches operating temperature, the control module monitors the HO2S bias, or reference, voltage. It also monitors the HO2S signal voltage for Closed Loop fuel control. During normal Closed Loop fuel control operation, the control module will add fuel, or enrich the mixture, when the HO2S detects a lean exhaust content. The control module will subtract fuel, or "lean-out" the mixture, when the HO2S detects a rich exhaust condition.

Certain vehicle models utilize an oxygen sensor behind the catalytic converter in order to monitor catalyst efficiency.

This diagnostic trouble code (DTC) determines if the HO2S is functioning properly. It checks for an adequate number of HO2S voltage transitions above and below the bias range of 300-600 mV. This DTC sets when the vehicle control module (VCM) fails to detect a minimum number of voltage transitions above and below the bias range during the test period. Possible causes of this DTC are:

    • An open or a short to voltage on either the HO2S signal or HO2S low circuits
    • A malfunctioning HO2S
    • A problem in the HO2S heater or its circuit
    • A faulty HO2S ground

This DTC is designed to detect an HO2S voltage that remains at a high (rich) voltage for more than 110 seconds during a 130 second test period. This DTC is set under the following conditions:

    • There is an HO2S circuit fault that results in a false rich exhaust condition.
    • The HO2S is correctly detecting the rich air/fuel ratio resulting from either a vacuum leak or a fuel control system fault.

Conditions for Running the DTC

    • No active TP sensor DTCs
    • No active EVAP system DTCs
    • No active IAT sensor DTCs
    • No active MAP sensor DTCs
    • No active ECT sensor DTCs
    • No active MAF sensor DTCs
    • No active misfire DTCs
    • No intrusive tests (i.e., EGR or Catalyst) in progress
    • No device control active
    • The system voltage is between 11.7-18 volts

Rich Test Enable

    • System in closed loop
    • The air/fuel ratio is between 14.5-14.8
    • The throttle position is between 0-50 percent
    • The above condition is met for 5 seconds

Decel Fuel Cut-off (DFCO) Rich Test

    • DFCO mode active
    • System in closed loop
    • The elapsed time since test enabled is more than 2 seconds

Conditions for Setting the DTC

Rich Test

The HO2S sensor voltage is more than 994 mV for more than 150 seconds

DFCO Rich Test

The HO2S sensor voltage is more than 469 mV for more than 50 seconds

Action Taken When the DTC Sets

    • The control module illuminates the malfunction indicator lamp (MIL) if a failure is detected during 2 consecutive key cycles.
    • The control module sets the DTC and records the operating conditions at the time the diagnostic failed. The failure information is stored in the scan tool Freeze Frame/Failure Records.

Conditions for Clearing the MIL or DTC

    • The control module turns OFF the MIL after 3 consecutive drive trips when the test has run and passed.
    • A history DTC will clear if no fault conditions have been detected for 40 warm-up cycles. A warm-up cycle occurs when the coolant temperature has risen 22°C (40°F) from the startup coolant temperature and the engine coolant reaches a temperature that is more than 70°C (158°F) during the same ignition cycle.
    • Use a scan tool in order to clear the DTCs.

Diagnostic Aids

Important: Never solder the HO2S wires. For proper wire and connector repair refer to Wiring Repairs or Connector Repairs in Wiring Systems.

Check the following items:

    • The fuel pressure: If the pressure is too high, the system will run rich. The VCM can compensate for some increase; however, if the pressure gets too high, the DTC P0138 may set. Refer to Fuel System Diagnosis .
    • A rich injector. Perform an Injector Balance test. Refer to Fuel Injector Balance Test with Tech 2 .
    • A leaking injector. Refer to Fuel System Diagnosis .
    • Fuel contaminated oil
    • EVAP canister purge: Check for a fuel saturation. If full of fuel, check the canister control and hoses. Refer to Evaporative Emission Control System Diagnosis .
    • Leaking fuel pressure regulator diaphragm by checking the vacuum line to the regulator for fuel.
    • The TP sensor: An intermittent TP sensor output causes the system to run rich due to a false indication of the throttle moving.
    • False rich indication due to silicon contamination of the heated oxygen sensor. This DTC, accompanied by a lean driveability condition and a powdery white deposit on the sensor, may indicate a false rich indication.

An intermittent may be caused by any of the following conditions:

    • A poor connection
    • Rubbed through wire insulation
    • A broken wire inside the insulation

Thoroughly check any circuitry that is suspected of causing the intermittent complaint. Refer to Intermittents and Poor Connections Diagnosis in Wiring Systems.

If a repair is necessary, refer to Wiring Repairs or Connector Repairs in Wiring Systems.

Test Description

The number below refers to the step number on the diagnostic table.

  1. In order to determine if the engine is rich during De-acceleration Fuel Cut-Off (DFCO) operate the vehicle up to highway speed conditions and release the accelerator pedal allowing the vehicle to coast in gear. Monitor the scan tool HO2S voltage and the DFCO parameter. A rich condition will cause HO2S voltage to be above 468 mV during DFCO.

    An HO2S contaminated by silicon will have a white, powdery deposit on the portion of the HO2S that is exposed to the exhaust stream. The usual cause of silica contamination is the use of un-approved silicon RTV engine gasket material or the use of silicon based sprays or fluids within the engine. If the cause of this contamination is not corrected, the replacement HO2S will also get contaminated.

  2. Monitor the HO2S voltage of the opposite bank sensor. If the voltage activity of the opposite bank sensor is similar to the voltage activity of the suspect sensor check for rich conditions that would affect both cylinder banks. An opposite bank sensor with normal HO2S voltage activity indicates the suspect HO2S is defective or a rich condition exists only on the suspect HO2S cylinder bank.

  3. This step checks the HO2S HIGH signal circuit for a short to voltage.

  4. An HO2S contaminated by silicon will have a white, powdery deposit on the portion of the HO2S that is exposed to the exhaust stream. The usual cause of silica contamination is the use of un-approved silicon RTV engine gasket material or the use of silicon based sprays or fluids within the engine. If the cause of this contamination is not corrected, the replacement HO2S will also get contaminated.

Step

Action

Value(s)

Yes

No

1

Important: Before clearing the DTCs, use the scan tool Capture Info to save the Freeze Frame and Failure Records for reference. The control module's data is deleted once the Clear Info function is used.

Did you perform the Powertrain On-Board Diagnostic (OBD) System Check?

--

Go to Step 2

Go to Powertrain On Board Diagnostic (OBD) System Check

2

  1. Run the engine until normal operating temperature is reached.
  2. Using a scan tool monitor the HO2S voltage for the sensor that applies to this DTC.

Is the HO2S voltage fixed more than the value specified?

994 mV

Go to Step 4

Go to Step 3

3

This DTC is intermittent.

Are any additional DTCs stored?

--

Go to the applicable DTC table

Go to Diagnostic Aids

4

  1. Turn OFF the ignition.
  2. Disconnect the HO2S connector for the sensor that applies to this DTC.
  3. Jumper the HO2S LOW circuit terminal (engine harness side) to a known good ground.
  4. Turn the ON ignition leaving the engine OFF.
  5. Using the scan tool monitor the HO2S voltage for the sensor that applies to this DTC.

Is the HO2S voltage within the value range specified?

351 - 551 mV

Go to Step 5

Go to Step 6

5

The HO2S is detecting a rich exhaust condition or may be contaminated. Check for one of the following conditions:

    • HO2S connector water intrusion
    • silicon contaminated HO2S
    • fuel contaminated engine oil
    • EVAP canister purge condition. Refer to Evaporative Emission Control System Diagnosis .
    • Incorrect fuel pressure. Refer to Fuel System Diagnosis .
    • A leaking fuel pressure regulator
    • Rich fuel injectors. Refer to Fuel Injector Balance Test with Tech 2 .
    • An inaccurate MAF sensor

Repair any of the above or similar engine conditions as necessary.

Did you find a problem?

--

Go to Step 10

Go to Step 8

6

  1. Turn OFF the ignition.
  2. Remove the jumper from the HO2S LOW circuit terminal.
  3. Disconnect the VCM connector that contains the HO2S HIGH signal circuit.
  4. Turn ON the ignition leaving the engine OFF.
  5. Using a J 39200 DMM measure the voltage between the HO2S HIGH signal circuit VCM connector terminal (harness side) and ground.

Is the voltage more than the specified value?

20 mV

Go to Step 7

Go to Step 9

7

Repair the short to voltage in the HO2S HIGH signal circuit. Refer to Wiring Repairs in Wiring Systems.

Is the action complete?

--

Go to Step 10

--

8

Important: Before replacing a contaminated HO2S determine and repair the cause of the contamination.

Replace the HO2S. Refer to Heated Oxygen Sensor Replacement .

Is the action complete?

--

Go to Step 10

--

9

  1. Replace the VCM.
  2. Program the new VCM. Refer to VCM Replacement/Programming .
  3. Perform the Passlock Reprogramming Procedure.
  4. Perform the CKP System Variation Learn Procedure. Refer to Crankshaft Position System Variation Learn .

Is the action complete?

--

Go to Step 10

--

10

  1. Using the scan tool, clear the DTCs.
  2. Start the engine.
  3. Allow the engine to idle until the engine reaches normal operating temperature.
  4. Select DTC and the Specific DTC function.
  5. Enter the DTC number which was set.
  6. Operate the vehicle, with the Conditions for Setting the DTC, until the scan tool indicates the diagnostic Ran.

Does the scan tool indicate the diagnostic Passed?

--

Go to Step 11

Go to Step 2

11

Does the scan tool display any additional undiagnosed DTCs?

--

Go to the applicable DTC table

System OK