GM Service Manual Online
For 1990-2009 cars only

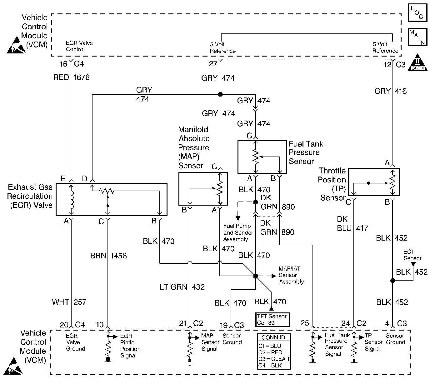
Object Number: 394339  Size: LF
Engine Controls Component Views
Engine Sensors
OBD II Symbol Description Notice
Handling ESD Sensitive Parts Notice
Handling ESD Sensitive Parts Notice

Circuit Description

An exhaust gas recirculation (EGR) system is used in order to lower oxides of nitrogen (NOx) emission levels caused by high combustion temperatures. The EGR accomplishes this by feeding small amounts of exhaust gases back into the combustion chamber. When the air/fuel mixture is diluted with the exhaust gases, combustion temperatures are reduced.

A linear EGR valve is used on this system. The linear EGR valve is designed in order to accurately supply exhaust gases to the engine without the use of intake manifold vacuum. The valve controls exhaust flow going into the intake manifold from the exhaust manifold through an orifice with a control module controlled pintle valve. The control module commands the EGR by applying a 12 volt duty cycle to the EGR valve. This can be monitored on a scan tool as desired EGR position.

The control module can monitor the pintle position with the EGR pintle position signal. This sensor uses a variable resistor with a 5 volt reference, a signal circuit, and a ground. The signal circuit monitors changes in voltage on the variable resistor as the pintle moves.

The VCM will set a DTC P0404 if it detects a large enough difference between desired EGR and actual EGR.

Conditions for Running the DTC

    • The engine is running
    • The system voltage is greater than 9.0 volts

Conditions for Setting the DTC

The difference between the actual EGR position and the desired EGR position is greater than 20 percent for more than 10 seconds.

Action Taken When the DTC Sets

    • The control module illuminates the malfunction indicator lamp (MIL) the first time the diagnostic runs and fails.
    • The control module will set the DTC and records the operating conditions at the time the diagnostic fails. The control module stores the failure information in the scan tools Freeze Frame/Failure Records.

Conditions for Clearing the MIL or DTC

    • The control module turns OFF the MIL after 3 consecutive drive trips when the test has run and passed.
    • A history DTC will clear if no fault conditions have been detected for 40 warm-up cycles. A warm-up cycle occurs when the coolant temperature has risen 22°C (40°F) from the startup coolant temperature and the engine coolant reaches a temperature that is more than 70°C (158°F) during the same ignition cycle.
    • Use a scan tool in order to clear the DTCs.

Diagnostic Aids

Excessive carbon deposits may cause a restriction of movement in the EGR pintle. This problem may be compounded in cold weather with moisture freezing in the valve. Check for full range operation in the EGR system with the scan tool.

Check for excessive exhaust back pressure. Refer to Restricted Exhaust System Check .

An intermittent may be caused by any of the following conditions:

    • A poor connection
    • Rubbed through wire insulation
    • A broken wire inside the insulation

Thoroughly check any circuitry that is suspected of causing the intermittent complaint. Refer to Intermittents and Poor Connections Diagnosis in Wiring Systems.

If a repair is necessary, refer to Wiring Repairs or Connector Repairs in Wiring Systems.

Test Description

Number(s) below refer to the step number(s) on the Diagnostic Table.

  1. This step will determine if the VCM can control the EGR valve.

  2. Commanding the EGR valve to the specified values determines whether the VCM can control the EGR valve accurately. Production variations may not allow the EGR valve to be commanded to 100%.

  3. There are certain circuits in the VCM C4 connector that could cause a short to voltage to the EGR valve control circuit that may disappear when the C4 connector is disconnected. By checking each individual circuit for a short to the EGR valve control circuit with a DMM will confirm if such a condition exists.

  4. If the EGR valve 5 volt reference is shorted to voltage, the DMM will read battery voltage and additional DTCs may be set.

  5. A problem may exist within the terminals which would not show up in probe type testing. Be sure to check the terminals for being backed out, improperly formed, or damaged.

  6. A problem may exist within the terminals which would not show up in probe type testing. Be sure to check the terminals for being backed out, improperly formed, or damaged.

  7. Clearing the DTCs is a very important step for this diagnostic. The clearing function allows the EGR valve to relearn a new minimum pintle position.

Step

Action

Value(s)

Yes

No

1

Important: Before clearing the DTCs, use the scan tool Capture Info to save the Freeze Frame and Failure Records for reference. The control module's data is deleted once the Clear Info function is used.

Did you perform the Powertrain On-Board Diagnostic System Check?

--

Go to Step 2

Go to Powertrain On Board Diagnostic (OBD) System Check

2

  1. Start the engine.
  2. Command the EGR valve to the specified value.

Does the engine run rough or stall?

50%

Go to Step 3

Go to Step 5

3

  1. Start the engine.
  2. Command the EGR valve to the specified values using a scan tool.

Does the actual EGR position closely follow the commanded position?

0%, 20%, 50%, 70%, 100%

Go to Step 4

Go to Step 10

4

This DTC is intermittent.

Are any other DTCs set?

--

Go to the applicable DTC table

Go to Diagnostic Aids

5

  1. Disconnect the EGR valve harness connector.
  2. Probe the EGR valve control circuit at the EGR valve harness connector with a test lamp connected to a ground.
  3. Command the EGR valve to the specified value.

Is the test lamp ON?

100%

Go to Step 6

Go to Step 7

6

Probe the EGR valve ground circuit at the EGR valve harness connector with a test lamp connected to B+.

Is the test lamp ON?

--

Go to Step 21

Go to Step 9

7

  1. Check the EGR valve control circuit for a short to ground between the VCM and the EGR valve harness connector using a test lamp connected to B+.
  2. Repair as necessary. Refer to Wiring Repairs in Wiring Systems.

Did you find a problem?

--

Go to Step 25

Go to Step 8

8

  1. Check the EGR valve control circuit for an open between the VCM and the EGR valve harness connector using a J 39200 DMM.
  2. Repair as necessary. Refer to Wiring Repairs in Wiring Systems.

Did you find a problem?

--

Go to Step 25

Go to Step 23

9

  1. Check the EGR valve ground circuit for an open.
  2. Repair as necessary. Refer to Wiring Repairs in Wiring Systems.

Did you find a problem?

--

Go to Step 25

Go to Step 23

10

  1. Disconnect the EGR valve harness connector.
  2. Caution: Avoid contact with moving parts and hot surfaces while working around a running engine in order to prevent physical injury.

  3. Start the engine.
  4. Probe the EGR valve control circuit at the EGR valve harness connector with a test lamp connected to a ground.

Is the test lamp ON?

--

Go to Step 11

Go to Step 13

11

  1. Turn OFF the ignition.
  2. Disconnect the VCM C4 connector.
  3. Turn ON the ignition leaving the engine OFF.
  4. Probe the EGR valve control circuit at the EGR valve harness connector with a test lamp connected to a ground.

Is the test lamp ON?

--

Go to Step 17

Go to Step 12

12

  1. Turn OFF the ignition.
  2. With the VCM C4 connector still disconnected, check the EGR valve control circuit for a short to all of the other circuits in the C4 connector.

Are there any circuits shorted to the EGR valve control circuit?

--

Go to Step 18

Go to Step 24

13

Measure voltage between the 5 volt reference circuit at the EGR valve harness connector and a ground with a J 39200 DMM.

Is the voltage above the specified value?

5.2 V

Go to Step 19

Go to Step 14

14

Measure the voltage on the EGR valve pintle position signal circuit at the EGR valve harness connector with a J 39200 DMM connected to a ground.

Is the voltage at the specified value?

0 V

Go to Step 16

Go to Step 15

15

  1. Check the EGR pintle position signal circuit between the EGR valve harness connector and the VCM for a short to voltage.
  2. Repair as necessary. Refer to Wiring Repairs in Wiring Systems.

Did you find a problem?

--

Go to Step 25

Go to Step 24

16

Probe the EGR sensor ground circuit at the EGR valve harness connector with a test lamp connected to B+.

Is the test lamp ON?

--

Go to Step 21

Go to Step 20

17

Repair the short to voltage to the EGR valve control circuit. Refer to Wiring Repairs in Wiring Systems.

Is the action complete?

--

Go to Step 25

--

18

Repair the short to the EGR valve control circuit. Refer to Wiring Repairs or Connector Repairs in Wiring Systems.

Is the action complete?

--

Go to Step 25

--

19

Repair the short to voltage in the 5 volt reference circuit. Refer to Wiring Repairs in Wiring Systems.

Is the action complete?

--

Go to Step 25

--

20

  1. Disconnect the VCM C3 connector.
  2. Check the EGR sensor ground circuit between the VCM and the EGR valve for an open.
  3. Repair as necessary. Refer to Wiring Repairs in Wiring Systems.

Did you find a problem?

--

Go to Step 25

Go to Step 23

21

Check for a poor connection at the EGR valve. Refer to Connector Repairs in Wiring Systems.

Did you find a problem?

--

Go to Step 25

Go to Step 22

22

Replace the EGR valve. Refer to Exhaust Gas Recirculation Valve Replacement .

Is the action complete?

--

Go to Step 25

--

23

Check the VCM connectors for a poor connection. Repair as necessary. Refer to Connector Repairs in Wiring Systems.

Did you find a problem?

--

Go to Step 25

Go to Step 24

24

  1. Replace the VCM.
  2. Program the new VCM. Refer to VCM Replacement/Programming .
  3. Perform the Passlock Reprogramming Procedure. Refer to PASSLOCK Reprogramming Seed and Key in Theft Deterrent.
  4. Perform the CKP System Variation Learn Procedure. Refer to Crankshaft Position System Variation Learn .

Is the action complete?

--

Go to Step 25

--

25

  1. Using the scan tool, clear the DTCs.
  2. Start the engine.
  3. Allow the engine to idle until the engine reaches normal operating temperature.
  4. Select DTC and the Specific DTC function.
  5. Enter the DTC number that was set.
  6. Operate the vehicle, within the Conditions for Setting this DTC, until the scan tool indicates the diagnostic Ran.

Does the scan tool indicate the diagnostic Passed?

 

Go to Step 26

Go to Step 2

26

Does the scan tool display any additional undiagnosed DTCs?

--

Go to the applicable DTC table

System OK