GM Service Manual Online
For 1990-2009 cars only

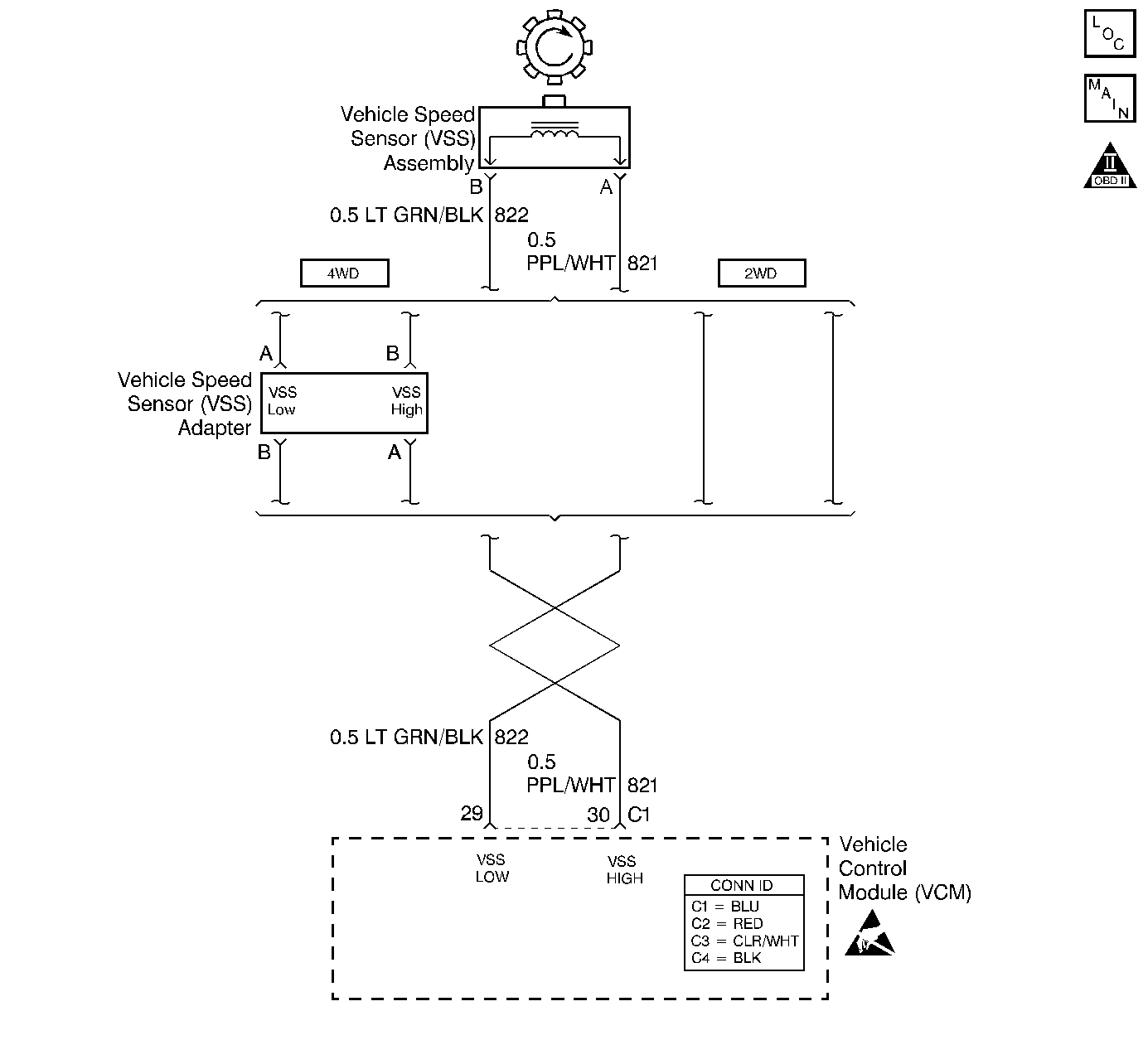
Object Number: 331470  Size: LF
Automatic Transmission Components
Automatic Transmission Controls Schematics
OBD II Symbol Description Notice
Handling ESD Sensitive Parts Notice

Circuit Description

The vehicle speed sensor (VSS) assembly provides vehicle speed information to the vehicle control module (VCM). The VSS assembly is a permanent magnet (PM) generator. The PM generator produces a pulsing AC voltage as rotor teeth on the output shaft of the transmission (2WD) or transfer case (4WD) pass through the sensor's magnetic field. The AC voltage level and the number of pulses increase as the speed of the vehicle increases. The VCM converts the pulsing voltage to vehicle speed. The VCM uses the vehicle speed signal to determine shift timing and torque converter clutch (TCC) scheduling.

When the VCM detects an unrealistically large drop in vehicle speed, then DTC P0503 sets. DTC P0503 is a type B DTC.

Conditions for Running the DTC

    • No TFP manual valve position switch DTC P1810.
    • The engine speed is greater than 450 RPM for 5 seconds.
    • The engine is not in fuel cutoff.
    • The time since the last gear range change is greater than 6 seconds.
    • The transmission output speed rise does not exceed 600 RPM within 6 seconds.

Conditions for Setting the DTC

The transmission output speed drops by greater than 1300 RPM for 3 seconds when the transmission is not in PARK or NEUTRAL.

Action Taken When the DTC Sets

    • The VCM illuminates the malfunction indicator lamp (MIL) during the second consecutive trip in which the conditions for setting the DTC are met.
    • The VCM commands a soft landing to second gear, below 2500 RPM.
    • The VCM commands maximum line pressure.
    • The VCM freezes shift adapts from being updated.
    • The VCM inhibits TCC engagement.
    • The VCM inhibits fourth gear if the transmission is in hot mode.
    • The VCM stores DTC P0503 in VCM history during the second consecutive trip in which the conditions for setting the DTC are met.

Conditions for Clearing the MIL/DTC

    • The VCM turns OFF the MIL during the third consecutive trip in which the diagnostic test runs and passes.
    • A scan tool clears the DTC from VCM history.
    • The VCM clears the DTC from VCM history if the vehicle completes 40 warm-up cycles without an emission-related diagnostic fault occurring.
    • The VCM cancels the DTC default actions when the fault no longer exists and the ignition switch is OFF long enough in order to power down the VCM.

Diagnostic Aids

    • Inspect the wiring at the VCM, the VSS connector and all other circuit connecting points for the following conditions:
       - A backed out terminal
       - A damaged terminal
       - Reduced terminal tension
       - A chafed wire
       - A broken wire inside the insulation
       - Moisture intrusion
       - Corrosion
    • When diagnosing for an intermittent short or open condition, massage the wiring harness while watching the test equipment for a change.

Test Description

The numbers below refer to the step numbers on the diagnostic table.

  1. This step tests the VSS assembly circuit.

  2. This step tests the integrity of the VSS assembly.

  3. This step tests the 5-volt and ground circuits of the VCM.

DTC P0503 Vehicle Speed Sensor Circuit Intermittent

Step

Action

Value(s)

Yes

No

1

Was the Powertrain On-Board Diagnostic (OBD) System Check performed?

--

Go to Step 2

Go to Powertrain On Board Diagnostic (OBD) System Check in Engine Controls

2

  1. Install the Scan Tool .
  2. With the engine OFF, turn the ignition switch to the RUN position.
  3. Important: Before clearing the DTC, use the scan tool in order to record the Freeze Frame and Failure Records. Using the Clear Info function erases the Freeze Frame and Failure Records from the VCM.

  4. Record the DTC Freeze Frame and Failure Records.
  5. Clear the DTC.
  6. Raise and support the rear axle assembly.
  7. Start the engine.
  8. Place the transmission in D3 range.
  9. With the drive wheels rotating, slowly accelerate the engine to 2000 RPM and hold (Road test the vehicle if necessary).

Does the scan tool Transmission OSS drop or fluctuate more than the specified value?

1300 RPM

Go to Step 3

Go to Diagnostic Aids

3

  1. Turn the ignition OFF.
  2. Disconnect the VCM connector C1.
  3. Using the J 39200 digital multimeter (DMM) and the J 35616-A connector test adapter kit, measure the resistance between VCM connector terminals C1-29 and C1-30.

Is the resistance within the specified range?

1377-3355 ohms (2WD)

976-2354 ohms (4WD)

Go to Step 4

Go to Step 6

4

Measure the resistance between terminal C1-30 and ground.

Is the resistance greater than the specified value?

50 K ohms

Go to Step 5

Go to Step 7

5

  1. Place the transmission in NEUTRAL.
  2. Select AC volts.
  3. Hold one rear wheel from turning.
  4. Rotate the other rear wheel by hand, ensuring that the driveshaft is turning.

Is the voltage greater than the specified value?

0.5 volts

Go to Step 8

Go to Step 9

6

  1. Inspect circuit 821 (PPL/WHT) for an open condition.
  2. Inspect circuit 822 (LT GRN/BLK) for an open condition.
  3. Refer to General Electrical Diagnosis in Wiring Systems.

  4. Repair the circuits if necessary.
  5. Refer to Wiring Repairs in Wiring Systems.

Did you find an open condition?

--

Go to Step 15

Go to Step 9

7

  1. Inspect circuit 821 (PPL/WHT) for a short to ground condition.
  2. Inspect circuit 822 (LT GRN/BLK) for a short to ground condition.
  3. Refer to General Electrical Diagnosis in Wiring Systems.

  4. Repair the circuits if necessary.
  5. Refer to Wiring Repairs in Wiring Systems.

Did you find a short to ground condition?

--

Go to Step 15

Go to Diagnostic Aids

8

  1. Reconnect the VCM connector C1.
  2. Disconnect the VSS assembly harness from the VSS assembly.
  3. With the engine OFF, turn the ignition switch to the RUN position.
  4. Using the J 39200 DMM, measure the voltage at the VSS assembly harness connector terminal A and terminal B.

Is the voltage within the specified range?

4.0-5.1 volts

Go to Step 14

Go to Step 11

9

  1. Remove the VSS assembly.
  2. Check the output shaft speed sensor rotor for damage or misalignment.

Did you find a damaged condition?

--

Go to Step 15

Go to Step 10

10

Important: For vehicles equipped with an active transfer case, identify the VSS assembly before replacing. There are two transfer case speed sensors located near the VSS assembly. Refer to the wire colors on the schematic to identify the VSS assembly.

Replace the VSS assembly.

Refer to Vehicle Speed Sensor Replacement.

Is the replacement complete?

--

Go to Step 15

--

11

Was the voltage measured in Step 8 less than the voltage in the value column?

4.0 volts

Go to Step 14

Go to Step 12

12

Was the voltage measured in Step 8 greater than the voltage in the value column?

5.1 volts

Go to Step 13

--

13

Repair the short to B+ in circuit 821 (PPL/WHT).

Refer to Wiring Repairs in Wiring Systems.

Is the repair complete?

--

Go to Step 15

--

14

Replace the VCM.

Refer to VCM Replacement/Programming in Engine Controls.

Is the replacement complete?

--

Go to Step 15

--

15

Perform the following procedure in order to verify the repair:

  1. Select DTC.
  2. Select Clear Info.
  3. Operate the vehicle, ensuring that the transmission output speed drop is less than 500 RPM for 2.5 seconds and output speed is greater than 600 RPM for 2.5 seconds.
  4. Select Specific DTC.
  5. Enter DTC P0503.

Has the test run and passed?

--

System OK

Go to Step 1