GM Service Manual Online
For 1990-2009 cars only

Removal Procedure

Tool Required

J 34730-1A Fuel Pressure Gauge

    Caution: Unless directed otherwise, the ignition and start switch must be in the OFF or LOCK position, and all electrical loads must be OFF before servicing any electrical component. Disconnect the negative battery cable to prevent an electrical spark should a tool or equipment come in contact with an exposed electrical terminal. Failure to follow these precautions may result in personal injury and/or damage to the vehicle or its components.

  1. Disconnect the negative battery cable.
  2. Relieve the fuel system pressure. Refer to Fuel Pressure Relief .
  3. Clean all the fuel pipe connections and the surrounding areas before disconnecting the pipes in order to avoid possible contamination of the fuel system.

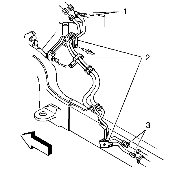
  4. Object Number: 381567  Size: SH
  5. Disconnect the fuel feed and return pipes (1) from the engine fuel pipes.
  6. Remove the upper bellhousing stud and the fuel pipe clip.
  7. Raise the vehicle. Refer to Lifting and Jacking the Vehicle in General Information.
  8. Disconnect the fuel pipes from the attaching hardware (2).
  9. Disconnect the fuel feed and return pipe fittings (3) at the fuel filter and the return pipe union.
  10. Remove the fuel feed and return pipes.

Installation Procedure


    Object Number: 381567  Size: SH
  1. Install the fuel feed and return pipes.
  2. Lower the vehicle.
  3. Notice: Use the correct fastener in the correct location. Replacement fasteners must be the correct part number for that application. Fasteners requiring replacement or fasteners requiring the use of thread locking compound or sealant are identified in the service procedure. Do not use paints, lubricants, or corrosion inhibitors on fasteners or fastener joint surfaces unless specified. These coatings affect fastener torque and joint clamping force and may damage the fastener. Use the correct tightening sequence and specifications when installing fasteners in order to avoid damage to parts and systems.

  4. Connect the fuel feed and return pipes (1) to the engine fuel pipes.
  5. Tighten
    Tighten the fuel pipe fittings to 27 N·m (20 lb ft) using a back-up wrench.

  6. Install the fuel pipe clip and the upper bellhousing stud.
  7. Raise the vehicle. Refer to Lifting and Jacking the Vehicle in General Information.
  8. Install the fuel pipes into the fuel pipe attaching hardware (2).
  9. Connect the fuel feed and return pipes (3) to the fuel filter and the return pipe union.
  10. Tighten
    Tighten the fuel pipe fittings to 27 N·m (20 lb ft) using a back-up wrench.

  11. Lower the vehicle.
  12. Tighten the fuel filler cap.
  13. Connect the negative battery cable.
  14. Inspect for fuel leaks.
  15. 11.1. Turn ON the ignition switch for 2 seconds.
    11.2. Turn OFF the ignition switch for 10 seconds.
    11.3. Turn ON the ignition switch.
    11.4. Inspect for fuel leaks.