GM Service Manual Online
For 1990-2009 cars only

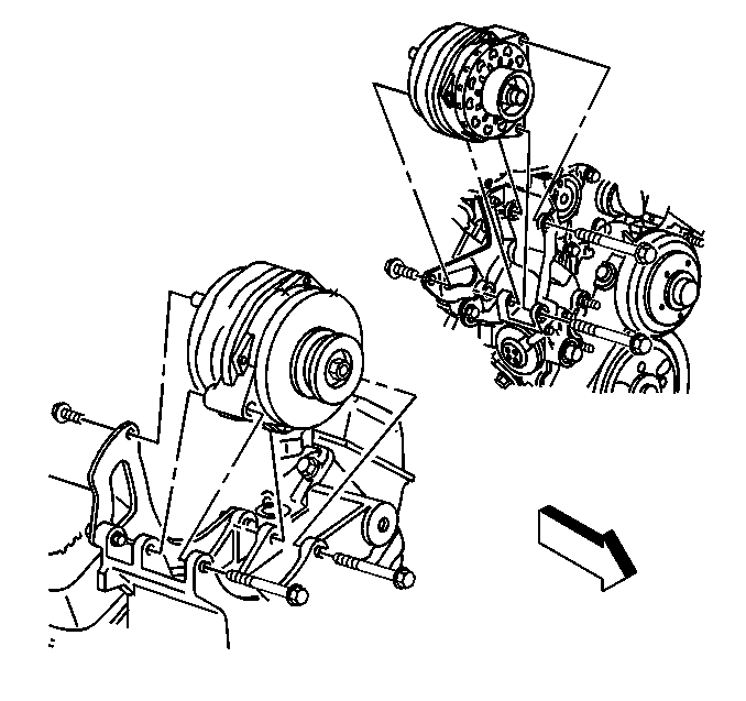
Generator Replacement Gas, CS 144

Removal Procedure

    Caution: Unless directed otherwise, the ignition and start switch must be in the OFF or LOCK position, and all electrical loads must be OFF before servicing any electrical component. Disconnect the negative battery cable to prevent an electrical spark should a tool or equipment come in contact with an exposed electrical terminal. Failure to follow these precautions may result in personal injury and/or damage to the vehicle or its components.

  1. Disconnect the battery negative cable. Refer to Battery Negative Cable Disconnection and Connection .
  2. Disconnect the terminal plug from the back of the generator.
  3. Disconnect the battery lead from the back of the generator.
  4. Remove the upper fan shroud as needed. Refer to Fan Shroud Replacement in Engine Cooling.
  5. Remove the drive belt. Refer to Drive Belt Replacement in Engine Mechanical (6.5L) or Drive Belt Replacement in Engine Mechanical (7.4L).

  6. Object Number: 388423  Size: SH
  7. Remove the generator mounting bolts holding the generator to the brace and the bracket.
  8. Remove the generator.

Installation Procedure


    Object Number: 388423  Size: SH
  1. Install the generator.
  2. Notice: Use the correct fastener in the correct location. Replacement fasteners must be the correct part number for that application. Fasteners requiring replacement or fasteners requiring the use of thread locking compound or sealant are identified in the service procedure. Do not use paints, lubricants, or corrosion inhibitors on fasteners or fastener joint surfaces unless specified. These coatings affect fastener torque and joint clamping force and may damage the fastener. Use the correct tightening sequence and specifications when installing fasteners in order to avoid damage to parts and systems.

  3. Perform the following procedure in order to install the generator mounting bolts holding the generator to the bracket and the brace:
  4. 2.1. Loosely install the generator mounting bolts holding the generator to the bracket and the brace.
    2.2. Install the brace attachment.
    2.3. Tighten the generator mounting bolts holding the generator to the bracket and the brace.

    Tighten
    Tighten the generator mounting bolts holding the generator to the bracket and the brace to 50 N·m (37 lb ft).

  5. Install the drive belt to the generator. Refer to Drive Belt Replacement in Engine Mechanical (6.5L) or Drive Belt Replacement in Engine Mechanical (7.4L).
  6. Install the upper fan shroud as needed. Refer to Fan Shroud Replacement in Engine Cooling.
  7. Connect the battery lead to the back of the generator.
  8. Tighten
    Tighten the battery terminal nut to 8 N·m (71 lb in).

  9. Connect the terminal plug to the back of the generator.
  10. Connect the battery negative cable.

Generator Replacement Diesel, CS 130D

Removal Procedure

    Caution: Unless directed otherwise, the ignition and start switch must be in the OFF or LOCK position, and all electrical loads must be OFF before servicing any electrical component. Disconnect the negative battery cable to prevent an electrical spark should a tool or equipment come in contact with an exposed electrical terminal. Failure to follow these precautions may result in personal injury and/or damage to the vehicle or its components.

  1. Disconnect the battery negative cable. Refer to Battery Negative Cable Disconnection and Connection .
  2. Disconnect the terminal plug from the back of the generator.
  3. Disconnect the battery lead from the back of the generator.
  4. Remove the upper fan shroud as needed. Refer to Fan Shroud Replacement in Engine Cooling.
  5. Remove the drive belt from the generator. Refer to Drive Belt Replacement or Drive Belt Replacement in Engine Mechanical.

  6. Object Number: 388424  Size: SH
  7. Remove the generator mounting bolts holding the generator to the bracket.
  8. Remove the generator.

Installation Procedure


    Object Number: 388424  Size: SH
  1. Install the generator.
  2. Notice: Use the correct fastener in the correct location. Replacement fasteners must be the correct part number for that application. Fasteners requiring replacement or fasteners requiring the use of thread locking compound or sealant are identified in the service procedure. Do not use paints, lubricants, or corrosion inhibitors on fasteners or fastener joint surfaces unless specified. These coatings affect fastener torque and joint clamping force and may damage the fastener. Use the correct tightening sequence and specifications when installing fasteners in order to avoid damage to parts and systems.

  3. Install the generator mounting bolts.
  4. Tighten
    Tighten the generator mounting bolts to 50 N·m (37 lb ft.

  5. Install the drive belt to the generator. Refer to Drive Belt Replacement or Drive Belt Replacement in Engine Mechanical.
  6. Install the upper fan shroud as needed. Refer to Fan Shroud Replacement .
  7. Connect the battery lead to the back of the generator.
  8. Tighten
    Tighten the battery terminal nut to 8 N·m (71 lb in).

  9. Connect the terminal plug to the back of the generator.
  10. Connect the battery negative cable.