GM Service Manual Online
For 1990-2009 cars only
Makes
🢒
Chevrolet
🢒
2000
🢒
Chevy C Pickup - 2WD
🢒
HVAC
🢒
HVAC Systems - Manual
🢒 Cruise Control Component Views
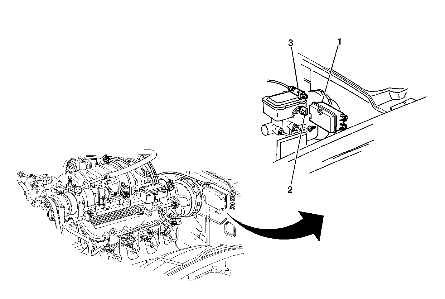
Cruise Control Module
(1)
Cruise Control Module
(2)
Cruise Control Connector
(3)
Cruise Control Cable Assembly