GM Service Manual Online
For 1990-2009 cars only

Fog Lamp Aiming Base/ Luxury


Object Number: 311568  Size: SH

The fog lamps are bracket-mounted (1) to the bumper.

Prior to checking the aim of the fog lamps, prepare the vehicle by completing the following steps:

  1. Make sure that all of the components are in place, if other work has been completed on the vehicle.
  2. Park the vehicle on a level surface.
  3. Stop all of the other work on the vehicle.
  4. Make sure the vehicle has one-half tank of fuel or less.
  5. Close the doors.
  6. Rock the vehicle sideways.
  7. Make sure the vehicle has no load other than the driver.

    Object Number: 277190  Size: SH
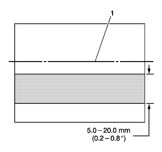
  1. Place a screen 760 mm (2.5 ft) in front of the vehicle.
  2. Draw a horizontal line (1) at the same height as the centerline of the lamps.
  3. Illuminate the fog lamps.
  4. The top edge of the high intensity zone should be 5-20 mm (0.2-0.8 in) below the centerline of the lamps.

  5. Vertically adjust the foglamps by turning the adjuster on the rear of the fog lamp assembly.
  6. Horizontal adjustment of the lamps is not possible.

  7. You can also adjust the fog lamps using the screen method. Refer to Headlamp Aiming .
  8. In order to adjust the fog lamps using the screen method, complete the following steps:

    5.1. Park the vehicle 7.62 m (25 ft) in front of the screen.
    5.2. Using tape, make a horizontal line on the screen at the same height as the centerline of the lamps.
    5.3. Illuminate the fog lamps.

    The top edge of the high intensity zone should be 101.6 mm (4 in) below the horizontal centerline of the fog lamps.

Fog Lamp Aiming Limited, Z-71 Tahoes

The fog lamp housing assemblies are bracket-mounted to the bumper.

Prior to checking the aim of the fog lamps, prepare the vehicle by completing the following steps:


    Object Number: 519954  Size: SH
  1. Make sure that all of the components are in place, if other work has been completed on the vehicle.
  2. Park the vehicle on a level surface.
  3. Stop all of the other work on the vehicle.
  4. Make sure the vehicle has one-half tank of fuel or less.
  5. Close the doors.
  6. Rock the vehicle sideways.
  7. Make sure the vehicle has no load other than the driver.

    Object Number: 277190  Size: SH
  1. Place a screen 760 mm (2.5 ft) in front of the vehicle.
  2. Draw a horizontal line (1) at the same height as the centerline of the lamps.
  3. Illuminate the fog lamps.
  4. The top edge of the high intensity zone should be 5-20 mm (0.2-0.8 in) below the centerline of the lamps.

  5. Vertically adjust the foglamps by turning the adjuster on the front of the fog lamp assembly.
  6. Horizontal adjustment of the lamps is not possible.

  7. You can also adjust the fog lamps using the screen method. Refer to Headlamp Aiming .
  8. In order to adjust the fog lamps using the screen method, complete the following steps:

    5.1. Park the vehicle 7.62 m (25 ft) in front of the screen.
    5.2. Using tape, make a horizontal line on the screen at the same height as the centerline of the lamps.
    5.3. Illuminate the fog lamps.

    The top edge of the high intensity zone should be 101.6 mm (4 in) below the horizontal centerline of the fog lamps.