GM Service Manual Online
For 1990-2009 cars only
Figure 1:

Auxiliary Power Outlet Rear


Object Number: 312732  Size: MF
(1)Front to Rear Harness
(2)Auxiliary Power, Rear Connector
(3)Auxiliary Power Outlet, Rear
Figure 2:

Underhood Lamp


Object Number: 405594  Size: MF
(1)Underhood Lamp
(2)G108
(3)Underhood Lamp Connector
(4)Engine Harness
(5)P101
Figure 3:

Ground G113


Object Number: 405727  Size: MF
(1)G113
Figure 4:

Taillamp Harness (Cab Chassis)


Object Number: 405724  Size: MF
(1)G401
(2)Auxiliary Fuel Tank (Dual Tanks Only)
(3)Tail/Stop Lamp Harness
(4)Tail/Stop Lamp Connector, LH
(5)Tail/Stop Lamp Assembly, LH
Figure 5:

Taillamp Harness (w/Trailier Harness, Except Cab Chassis)


Object Number: 375529  Size: MF
(1)Ground Harness
(2)G401
(3)Tail/Stop Lamp Harness
(4)Tail/Stop Lamp Connector, RH
(5)License Plate Lamp Harness
(6)Rear Extension Lamp Harness
(7)License Plate Lamp, RH
(8)Tail/Stop Lamp Harness
(9)C409
(10)License Plate Lamp Harness
(11)C407
(12)License Plate Lamp, LH
(13)Tail/Stop Lamp Connector, LH
Figure 6:

Grounds G104 and G105 (Diesel)


Object Number: 374092  Size: MF
(1)G105
(2)G104
(3)Ground Strap
(4)Engine Harness
Figure 7:

Engine Harness, Right Rear (5.0L/5.7L)


Object Number: 461190  Size: MF
(1)Transmission Filler Tube
(2)Engine Manifold, RH
(3)C107
(4)4WD Harness
(5)Engine Exhaust Harness
(6)G110
(7)Ground Strap
(8)G104
Figure 8:

Secondary Air Injection (AIR) Pump, G115 (L31)


Object Number: 276736  Size: MF
(1)G115
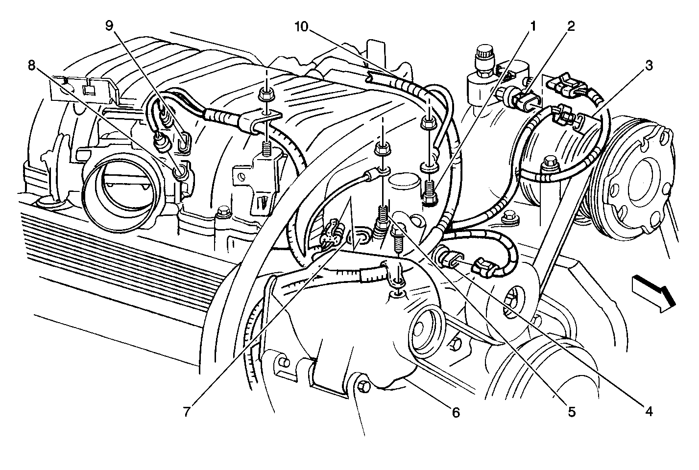
Figure 9:

Engine Harness, Front (7.4L)


Object Number: 461193  Size: MF
(1)G104
(2)A/C Low Pressure Cutout Switch
(3)A/C Compressor Clutch
(4)Engine Coolant Temperature Sensor
(5)G103
(6)Generator
(7)Manifold Air Pressure Sensor
(8)Throttle Position Sensor
(9)Intake Air Temperature Sensor
(10)Engine Harness
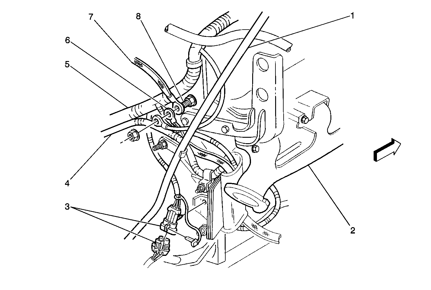
Figure 10:

Mega Fuse


Object Number: 461185  Size: MF
(1)Fan Shroud
(2)Battery, RH
(3)Engine Harness
(4)Heater Hose
(5)Generator Harness
(6)Mega Fuse
Figure 11:

Ground G105 (Gas)


Object Number: 276742  Size: MF
(1)G105
Figure 12:

Ground G300 (Pick-Up)


Object Number: 277052  Size: MF
(1)G300
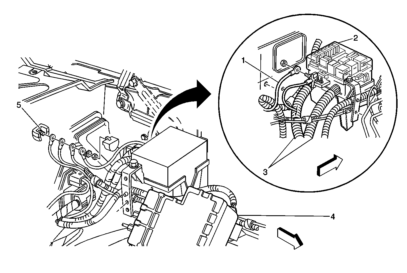
Figure 13:

Underhood Fuse Block


Object Number: 374115  Size: MF
(1)Battery Cable
(2)Underhood Fuse Block
(3)Engine Harness
(4)EBCM
(5)Remote Battery Stud
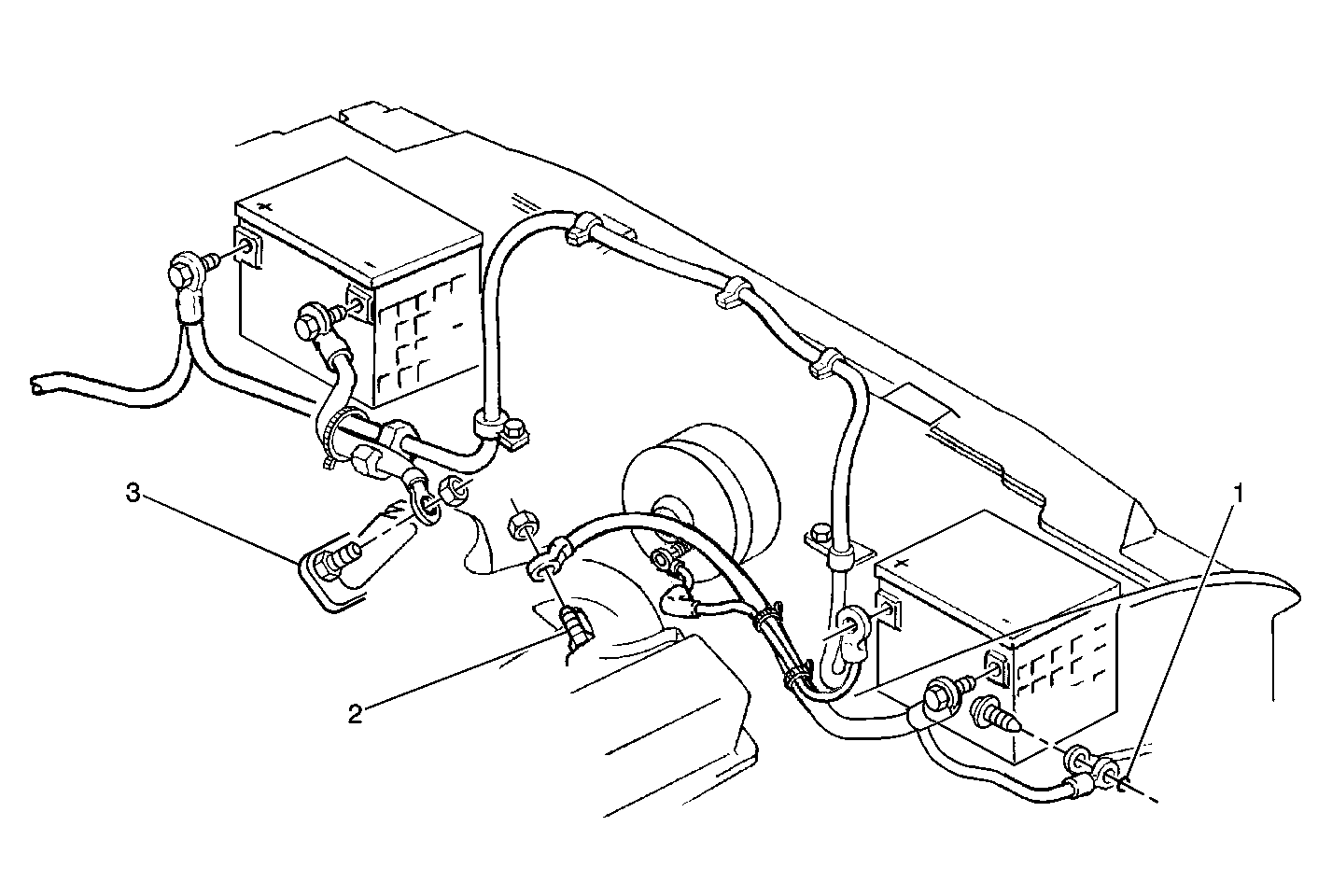
Figure 14:

Fuse A and Fuse B (Police Package)


Object Number: 376127  Size: MF
(1)Fuse A
(2)Fuse B
(3)Negative Battery Cable
(4)Positive Battery Cable
(5)Battery Cable Harness
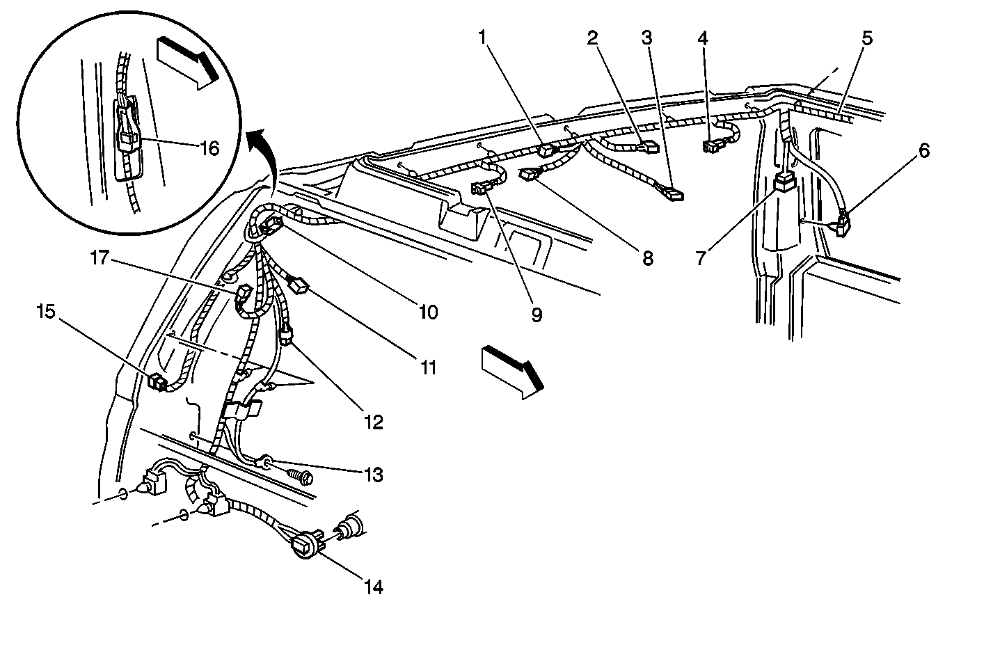
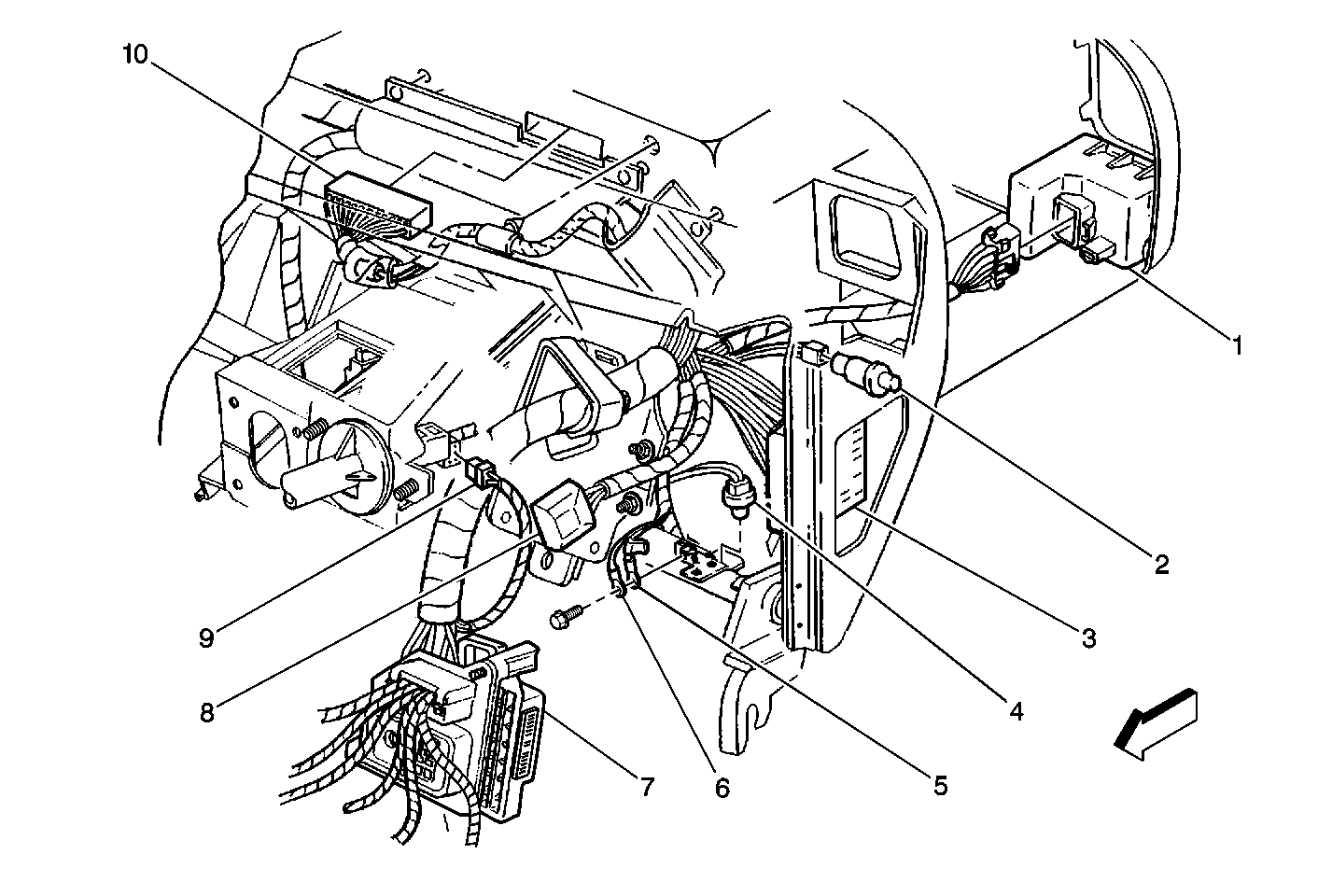
Figure 15:

IP Harness, Left Rear View


Object Number: 376140  Size: MF
(1)Headlamp and Panel Dimmer Switch
(2)Door Jamb Switch, LH
(3)IP Fuse Block
(4)Courtesy Lamp, LH
(5)G200
(6)G201
(7)C100
(8)DRL Module
(9)C227
(10)IP Cluster Connector
Figure 16:

Ground G103 (Gas, Except 7.4L)


Object Number: 405860  Size: MF
(1)EGR Valve Electrical Harness
(2)G103
Figure 17:

Grounds G101, G102, and G103 (Diesel)


Object Number: 405858  Size: MF
(1)G101
(2)G102
(3)G103
Figure 18:

HVAC Harness, Bulkhead, Right Side


Object Number: 461812  Size: MF
(1)Crossbody Harness
(2)G202
(3)C299
(4)Right Door Harness Connectors
(5)HVAC Plenum
(6)Crossbody Harness
Figure 19:

Rear Body Harness


Object Number: 372228  Size: MF
(1)CHMSL Connector
(2)C402
(3)C303
(4)Speaker Connector, LR
(5)Front to Rear Body Harness
(6)C314 (Liftgate)
(7)C405 (Cargo Doors)
(8)C406 (Liftgate)
(9)Speaker Connector, RR
(10)C406 (Cargo Doors)
(11)Door Lock Switch Connector, Rear
(12)Door Lock Actuator Connector, Rear
(13)G400
(14)Auxiliary Power Connector, Rear
(15)Door Jamb Switch Connector, Rear (Liftgate)
(16)C406 (Cargo Doors)
(17)Door Jamb Switch Connector, RR (Cargo Doors)
Figure 20:

Fuel Pump and Sender (Single Tank)


Object Number: 372212  Size: MF
(1)G404
(2)Fuel Tank
(3)Fuel Tank Sender connector
(4)Fuel Pump connector
(5)G404
(6)Fuel Pump and Sender connector (Diesel)
(7)Rear Lamp Extension Harness
(8)Fuel Pump and Sender Assembly