GM Service Manual Online
For 1990-2009 cars only

Removal Procedure

The optional oil cooler is either an integral part of the radiator or this is a separate unit placed in front of the radiator. The cooler lines and hoses are serviceable.

  1. Set the park brake.
  2. Pull back along the pipe in order to remove the plastic cap from the connector.

  3. Object Number: 104737  Size: SH
  4. Use a small, pick-type tool or screwdriver in order to release one of the open ends of the retaining ring from the connector fitting.

  5. Object Number: 104739  Size: SH
  6. Rotate the retaining ring out of position on the connector fitting and remove the ring completely.
  7. Discard the retaining ring clip.

  8. Object Number: 104740  Size: SH
  9. Pull outward on the pipe in order to remove the pipe from the connector fitting.

  10. Object Number: 82134  Size: SH
  11. Remove the oil cooler lines from the oil cooler fittings.

  12. Object Number: 72756  Size: SH
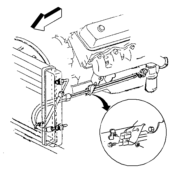
  13. For the 5.7L only, remove the bolt and the clamp from the bracket.
  14. Remove the oil cooler lines from the oil cooler fittings.

  15. Object Number: 72752  Size: SH
  16. For the 7.4L only, remove the bolt and the clamp from the bracket.
  17. Remove the oil cooler lines from the oil cooler fittings.

  18. Object Number: 72754  Size: SH
  19. For 6.5L only, remove the bolt and the clamp from the bracket.
  20. Remove the oil cooler lines from the oil cooler fittings.
  21. Remove and discard the oil filter.
  22. Clean all of the components in a suitable solvent, and dry them with compressed air.
  23. • Use a clean solvent and compressed air in order to backflush the oil the oil cooler and lines.
    • Use compressed air in order to remove the cleaning solvent.
    • Use the same type of oil normally circulated through the cooler in order to flush the system.
  24. Inspect all of the fittings, connectors and cooler lines for damage or distortion.

Installation Procedure

  1. Install the oil filter.
  2. Install the retaining clip into the connector fittings. Do not reuse the existing retaining clips removed from the cooler line connector fittings. The retaining clips being put into the cooler line connector fittings must be new.

  3. Object Number: 104743  Size: SH
  4. Using your thumb and forefinger, insert a new retaining clip into one of the three connector fitting recesses. Ensure that the retaining clip engages all three slots in the connector fittings. Failure to properly install the connector clips could cause the cooler lines to come loose and cause damage to the engine.

  5. Object Number: 104746  Size: SH
  6. With one end of the retaining clip engaged in the connector fitting slot, use your thumb to rotate the retaining clip around the connector fittings, until the clip snaps into place.

  7. Object Number: 104741  Size: SH
  8. Do not install the new retaining ring onto the fitting by pushing the retaining ring.

  9. Object Number: 104664  Size: SH
  10. Ensure that the three retaining ring ears are seen from inside the fitting and that the retaining ring moves freely in the fitting slots.
  11. Install the new retaining ring into the remaining quick connect fittings.

  12. Object Number: 104740  Size: SH
  13. Install the cooler lines to the vehicle. Ensure the cooler line being installed has a plastic cap on each end that connects to the quick connect fitting. If no plastic cap exists, or the plastic cap is damaged, obtain a new cap and position on to the cooler line prior to the cooler line installation.
  14. • Before connecting the lines, test the oil flow through the cooler.
    • If oil flow restriction is not present, connect the oil lines to the connector fitting.
    • If oil flow restriction is present, replace the radiator. Refer to Radiator Replacement .

    Object Number: 104752  Size: SH
  15. Install the cooler line into the quick connect fitting.
  16. Insert the cooler line end into the quick connect fitting until a click is either heard or felt.

  17. Object Number: 104750  Size: SH
  18. Do not use the plastic cap on the cooler line in order to install the cooler line into the fitting.
  19. Pull back sharply on the cooler line in order to ensure that the cooler line is fastened into the quick connect fitting.

  20. Object Number: 104753  Size: SH
  21. Position and snap the plastic cap onto the fitting. Do not manually depress the retaining ring when installing the plastic cap onto the quick connect fitting.
  22. Ensure that the plastic cap is fully seated against the fitting.

  23. Object Number: 104754  Size: SH
  24. Ensure that no gap is present between the cap and the fitting.

  25. Object Number: 104753  Size: SH
  26. Ensure that the yellow identification band on the tube is hidden within the quick connect fitting. A hidden yellow identification band indicates proper joint seating.

  27. Object Number: 104755  Size: SH
  28. Do not install the cooler line end into the fitting incorrectly.
  29. If you cannot position the plastic cap against the fitting, remove the retaining ring from the quick connect fitting per Step 3 of the cooler line removal procedure. Inspect the retaining ring and the tube end in order to ensure neither is bent. Replace the cooler line or the retaining ring if necessary, and reinstall per Step 2 of the cooler line installation procedure.
  30. Install the cooler line into the quick connect fitting again in order to install the remaining cooler lines into the remaining quick connect fittings.

  31. Object Number: 72756  Size: SH

    Notice: Use the correct fastener in the correct location. Replacement fasteners must be the correct part number for that application. Fasteners requiring replacement or fasteners requiring the use of thread locking compound or sealant are identified in the service procedure. Do not use paints, lubricants, or corrosion inhibitors on fasteners or fastener joint surfaces unless specified. These coatings affect fastener torque and joint clamping force and may damage the fastener. Use the correct tightening sequence and specifications when installing fasteners in order to avoid damage to parts and systems.

  32. Tighten the oil cooler fittings.
  33. Tighten
    Tighten the oil cooler fittings to 24 N·m (18 lb ft).

    For the 5.7L, install the oil cooler lines to the oil cooler fittings.


    Object Number: 72752  Size: SH
  34. For the 7.4L, install the oil cooler lines to the oil cooler fittings.
  35. Tighten
    Tighten the oil cooler fittings to 24 N·m (18 lb ft).

  36. Install the oil cooler lines to the clip.
  37. Install the bolt to the clip.
  38. Tighten
    Tighten the bolt to 6 N·m (53 lb in).


    Object Number: 72754  Size: SH
  39. For diesel engines, install the oil cooler lines to the oil cooler fittings.
  40. Tighten
    Tighten the oil cooler fittings to 24 N·m (18 lb ft).

  41. Install the oil cooler lines to the clip.
  42. Install the bolt to the clip.
  43. Tighten
    Tighten the bolt to 6 N·m (53 lb in).

  44. Tighten the bolt and the clamp to the bracket.
  45. Tighten
    Tighten the bolt to 9 N·m (80 lb in).

  46. Run the engine. Inspect the cooling system for leaks.