GM Service Manual Online
For 1990-2009 cars only

Door Wiring Harness Replacement Front Door

Removal Procedure

  1. Remove the cowl kick panel.

  2. Object Number: 277754  Size: SH
  3. Disconnect the cross body wiring harness.

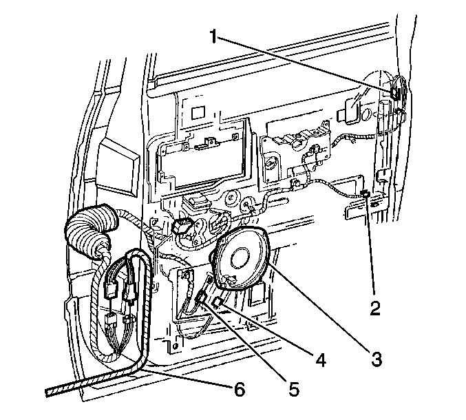
  4. Object Number: 277755  Size: SH
  5. Remove the conduit.
  6. Remove the trim panel. Refer to Front Side Door Trim Panel Replacement .
  7. Remove the water deflector. Refer to Front Side Door Water Deflector Replacement .
  8. Disconnect the power mirror connector (9), as necessary.
  9. Disconnect the keyless entry connector (10), as necessary.
  10. Disconnect the power door lock actuator connector (2), as necessary.
  11. Disconnect the power window motor wiring connector (7), as necessary.
  12. Remove the courtesy lamp harness retainers, as necessary.
  13. Remove the speaker.
  14. Disconnect the speaker wiring harness connector (8), as necessary.
  15. Remove the door wiring harness from the door.

Installation Procedure


    Object Number: 277755  Size: SH
  1. Install the door wiring harness to the door.
  2. Connect the speaker wiring harness connector (8), as necessary.
  3. Install the speaker.
  4. Install the courtesy lamp harness retainers, as necessary.
  5. Connect the power window motor wiring connector (7), as necessary.
  6. Install the power door lock actuator connector (2) into the latch, as necessary.
  7. Connect the keyless entry connector (10), as necessary.
  8. Connect the power mirror connector (9), as necessary.
  9. Install the water deflector. Refer to Front Side Door Water Deflector Replacement .
  10. Install the trim panel. Refer to Front Side Door Trim Panel Replacement .
  11. Install the conduit.

  12. Object Number: 277754  Size: SH
  13. Connect the cross body wiring harness.
  14. Install the cowl kick panel.

Door Wiring Harness Replacement Rear Door

Removal Procedure

  1. Remove the lock-pillar trim panel.

  2. Object Number: 277814  Size: SH
  3. Disconnect the following components:
  4. • The body harness (1)
    • The conduit (7)
    • The power door lock connector (1)
  5. Remove the trim panel. Refer to Rear Side Door Trim Panel Replacement .
  6. Remove the water deflector. Refer to Rear Side Door Water Deflector Replacement .
  7. Remove the courtesy lamp wiring retainers.
  8. Disconnect the power window motor wiring connector (5).

Installation Procedure


    Object Number: 277814  Size: SH
  1. Connect the power window motor wiring connector (5).
  2. Install the courtesy lamp wiring retainers.
  3. Install the water deflector. Refer to Rear Side Door Water Deflector Replacement .
  4. Install the trim panel. Refer to Rear Side Door Trim Panel Replacement .
  5. Connect the following components:
  6. • The body harness (6)
    • The conduit (7)
    • The lock actuator
  7. Install the lock-pillar trim panel.