GM Service Manual Online
For 1990-2009 cars only

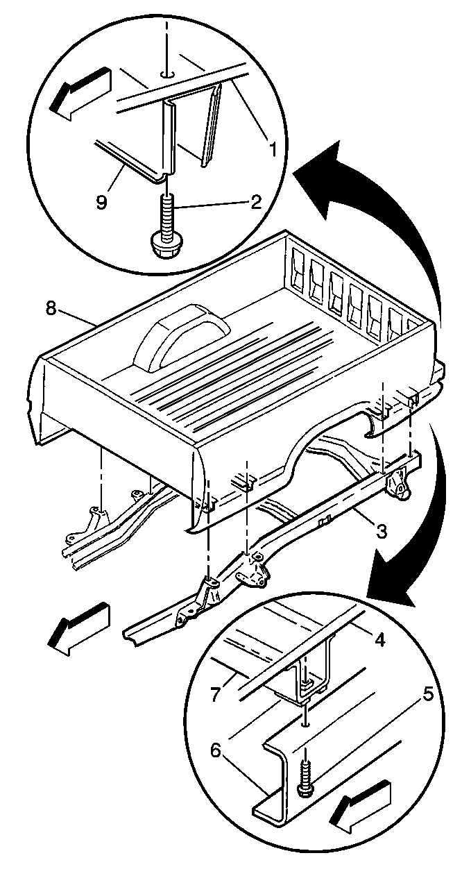
Removal Procedure


    Object Number: 277611  Size: LH
  1. Remove the tail lamp wiring connectors and the ground wire under the back of the box.
  2. Open the cover to the gas cap.
  3. Remove the screws holding the neck of the gas filler tube to the side panel.
  4. Remove the filler neck ground strap.
  5. Remove the eight bolts (2) holding the box (1) to the frame rails (9), from under the box.
  6. Remove the pickup box (8) from the vehicle with aid of four assistants one assistant on each corner of the box..

Installation Procedure


    Object Number: 277611  Size: LH
  1. Install the pickup box (8) to the vehicle.
  2. Notice: Use the correct fastener in the correct location. Replacement fasteners must be the correct part number for that application. Fasteners requiring replacement or fasteners requiring the use of thread locking compound or sealant are identified in the service procedure. Do not use paints, lubricants, or corrosion inhibitors on fasteners or fastener joint surfaces unless specified. These coatings affect fastener torque and joint clamping force and may damage the fastener. Use the correct tightening sequence and specifications when installing fasteners in order to avoid damage to parts and systems.

  3. Install the 8 bolts (2) holding the box (1) to the frame rails (9), from inside the frame rails.
  4. Tighten
    Tighten the box to the frame rail bolts to 70 N·m (52 lb ft).

  5. Install the neck of the gas filler tube to the side panel with the screws.
  6. Install the filler neck ground strap.
  7. Install the wiring connectors and the ground wire to the taillamp assemblies under the back of the box.