GM Service Manual Online
For 1990-2009 cars only
Makes
🢒
Chevrolet
🢒
2000
🢒
Chevy C Pickup - 2WD
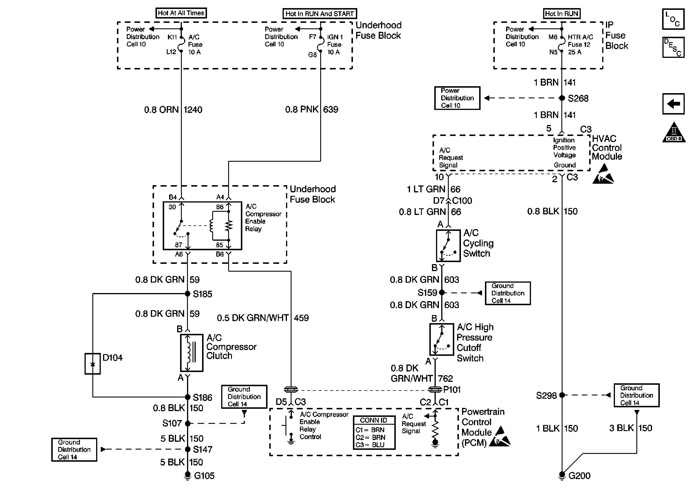
🢒 A/C Controls
A/C Controls
A/C Controls
Cell 10: ECM-B, HORN and A/C COMP Fuses
Cell 10: IGN A Fuse and Ignition Switch
Cell 10: BRAKE and HTR-A/C Fuses
Cell 10: IGN B Fuse and Ignition Switch
Cell 14: G105 (1 of 2)
Cell 14: G105 (1 of 2)
Cell 14: G105 (1 of 2)
Powertrain Control Module Connector End Views
Handling ESD Sensitive Parts Notice
Cell 14: G200 (4 of 4)
Handling ESD Sensitive Parts Notice
OBD II Symbol Description Notice
4WD and Cruise Controls