GM Service Manual Online
For 1990-2009 cars only
Makes
🢒
Chevrolet
🢒
2000
🢒
Chevy C Pickup - 2WD
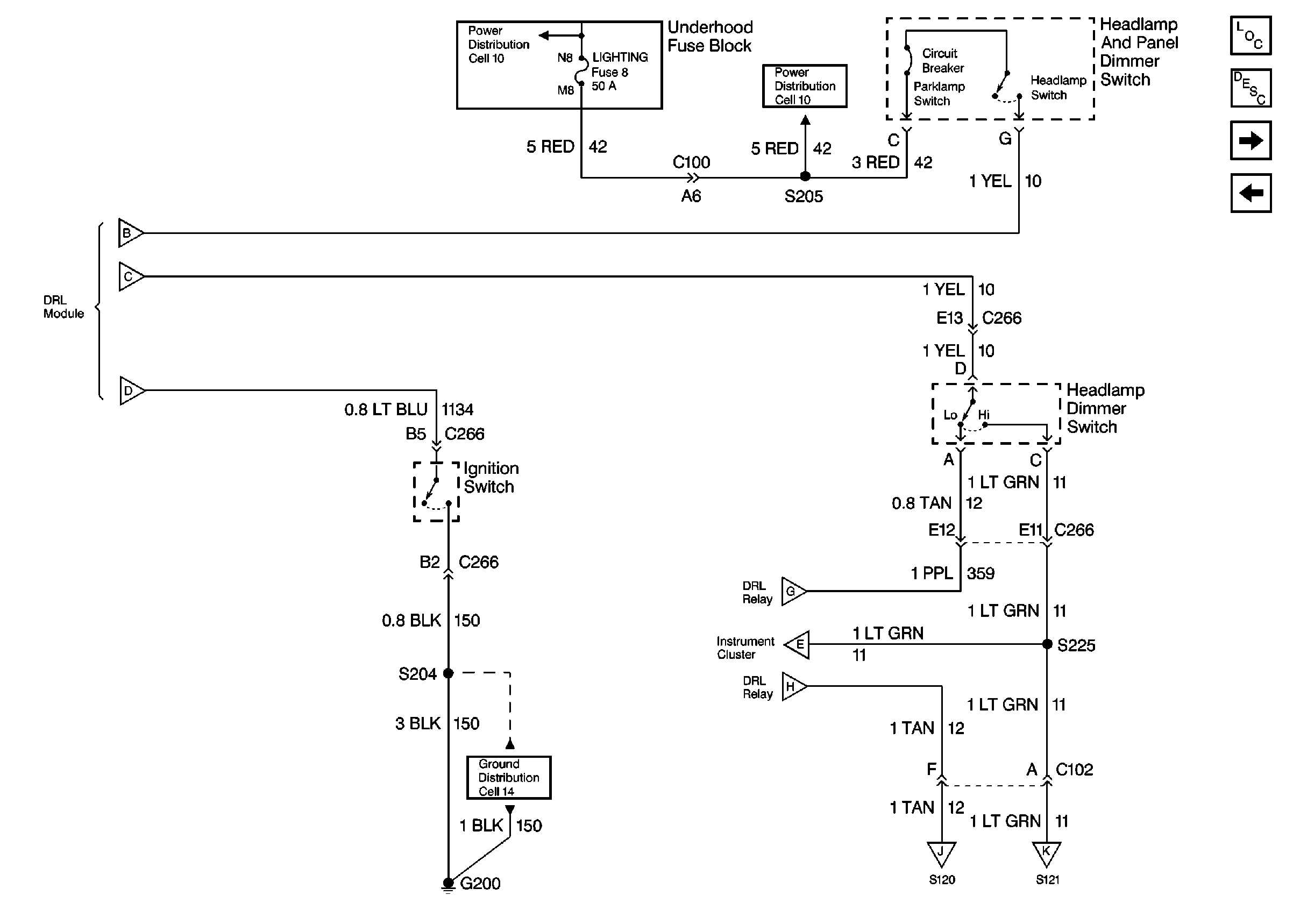
🢒 Cell 102: Headlamp and Panel Dimmer Switch, Headlamp Dimmer Switch
Cell 102: Headlamp and Panel Dimmer Switch, Headlamp Dimmer Switch
Cell 102: Headlamp and Panel Dimmer Switch, Headlamp Dimmer Switch
Headlights/Daytime Running Lights (DRL) Circuit Description
Cell 102: Quad Headlamps, Base Headlamps
Cell 102: DRL Module, DRL Relay
Cell 102: DRL Module, DRL Relay
Cell 102: Quad Headlamps, Base Headlamps
Cell 102: Quad Headlamps, Base Headlamps
Cell 102: DRL Module, DRL Relay
Cell 102: DRL Module, DRL Relay
Cell 102: DRL Module, DRL Relay
Lighting Systems Components
Cell 10: LIGHTING and BATTERY Fuses
Cell 10: Battery, and Underhood Fuse Block