GM Service Manual Online
For 1990-2009 cars only
Makes
🢒
Chevrolet
🢒
2000
🢒
Chevy C Pickup - 2WD
🢒 Door Locks and Fuses
Door Locks and Fuses
Door Locks and Fuses
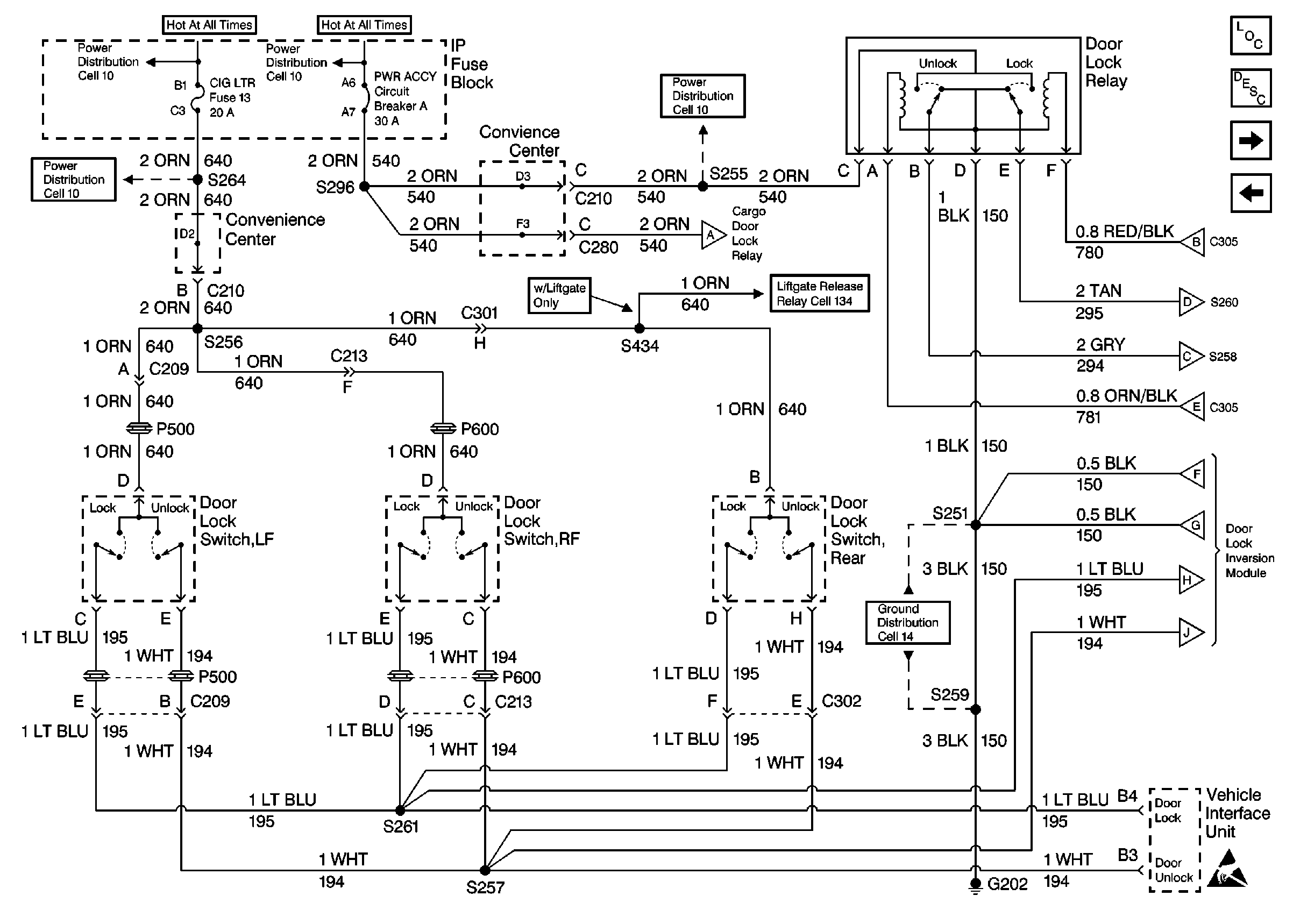
Power Door Systems Components
Power Door Locks Circuit Description Luxury
Door Lock Motors and Body Control Module
Cell 130: PWR ACCY Circuit Breaker, Door Lock Switches, Door Lock Motors,G202 (Pickup/Extended Cab)
Door Lock Motors and Body Control Module
Cell 14: G202 (2 of 4)
Cell 134: CIG LTR Fuse, Liftgate Release Switch, Park/Neutral Postion Switch (Luxury)
Cell 10: AUX Fuse and PWR-ACCY Circuit Breaker
Door Lock Motors and Body Control Module
Cell 10: LIGHTING and BATTERY Fuses
Cell 10: LIGHTING and BATTERY Fuses
Cell 10: CIG LTR Fuse
Handling ESD Sensitive Parts Notice