GM Service Manual Online
For 1990-2009 cars only
Makes
🢒
Chevrolet
🢒
2000
🢒
Chevy C Pickup - 2WD
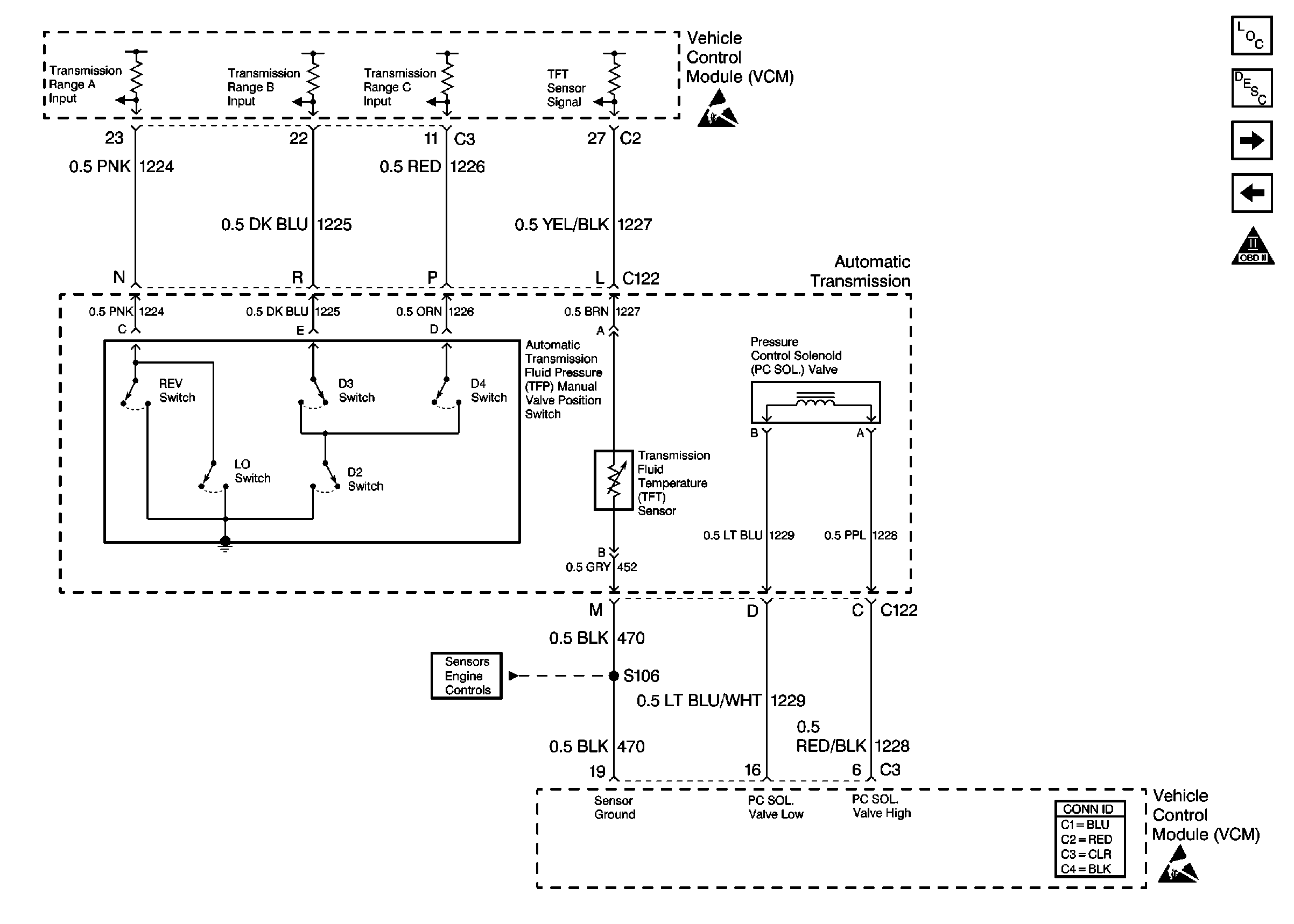
🢒 Transmission Controls (4L 80E)
Transmission Controls (4L 80E)
Transmission Controls (4L 80E)
Handling ESD Sensitive Parts Notice
VCM Connector End Views
Engine Sensors
Handling ESD Sensitive Parts Notice
OBD II Symbol Description Notice
A/C Controls
Transmission Controls (4L 60E)