GM Service Manual Online
For 1990-2009 cars only
Makes
🢒
Chevrolet
🢒
2000
🢒
Chevy C Pickup - 2WD
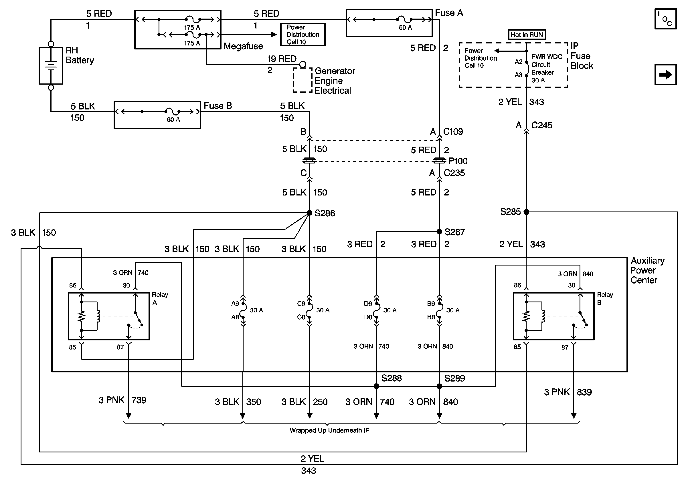
🢒 Cell 10: Megafuse, Auxiliary Power Center (w/9L4)
Cell 10: Megafuse, Auxiliary Power Center (w/9L4)
Cell 10: Megafuse, Auxiliary Power Center (w/9L4)
Power and Grounding Components
Cell 10: Megafuse, Auxiliary Relay Center (w/6J1)
Cell 10: RR WIPER, WIPER, RADIO, and PWR WDO Circuit Breaker
Cell 10: RR WIPER, WIPER, RADIO, and PWR WDO Circuit Breaker
Cell 10: RR WIPER, WIPER, RADIO, and PWR WDO Circuit Breaker
Power and Grounding Components
Cell 10: Megafuse, Auxiliary Relay Center (w/6J1)