GM Service Manual Online
For 1990-2009 cars only
Makes
🢒
Chevrolet
🢒
2000
🢒
Chevy C Pickup - 2WD
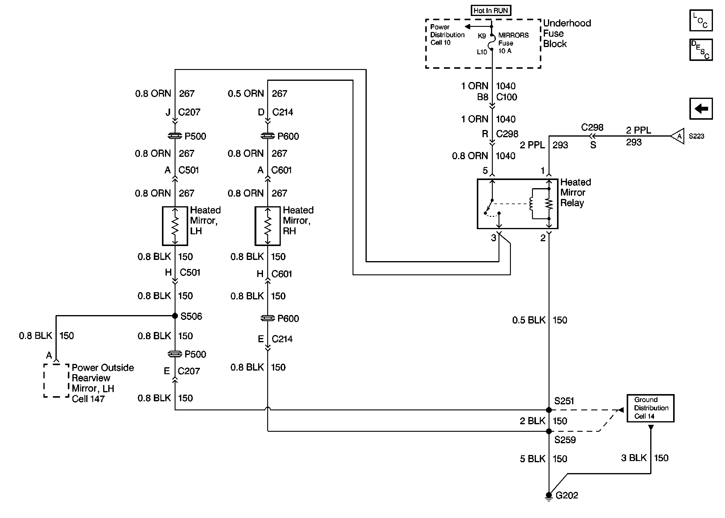
🢒 Heated Mirror Relay, Heated Mirrors
Heated Mirror Relay, Heated Mirrors
Heated Mirror Relay, Heated Mirrors
Cell 10: Battery, and Underhood Fuse Block
Cell 14: G202 (1 of 4)
Fuse Block, HVAC Control Module
Power Door Systems Components
Heated Mirror Circuit Description
Fuse Block, HVAC Control Module