GM Service Manual Online
For 1990-2009 cars only
Makes
🢒
Chevrolet
🢒
2000
🢒
Chevy C Pickup - 2WD
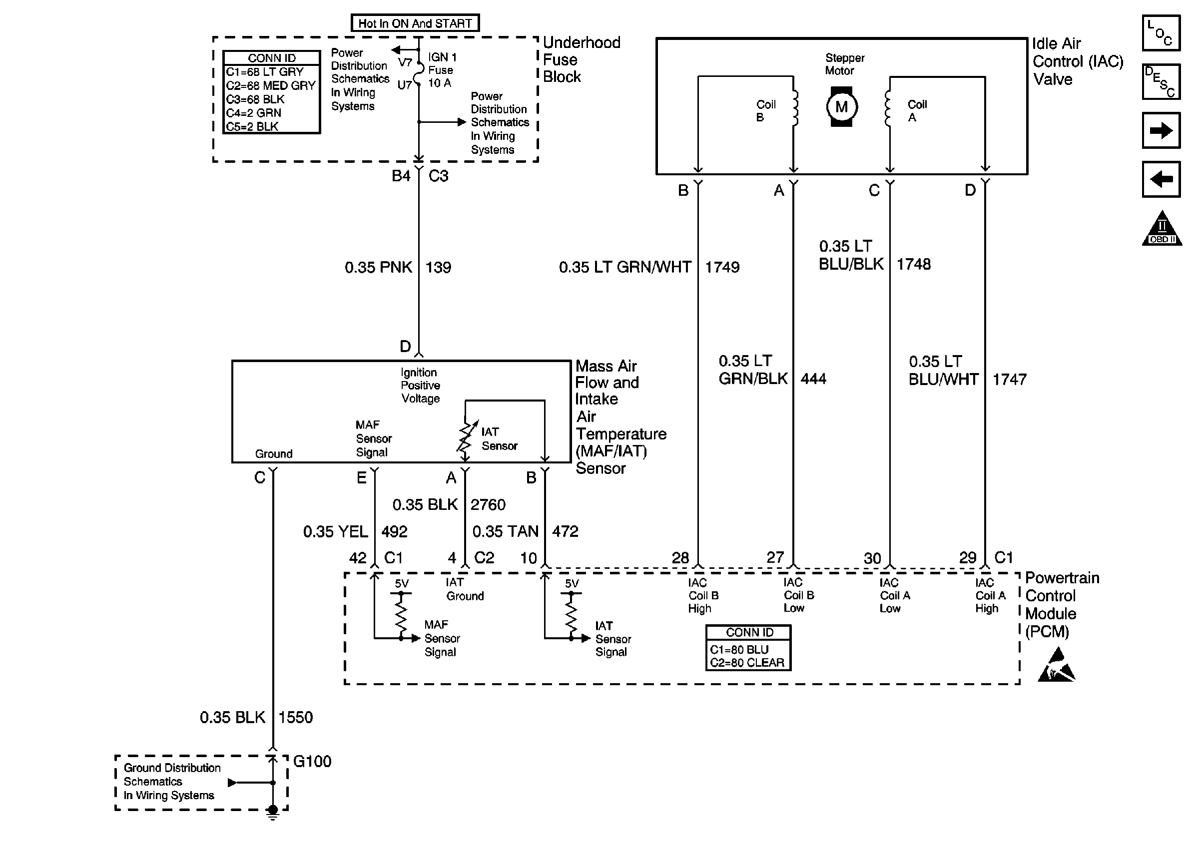
🢒 MAF/IAT Sensor and IAC Valve
MAF/IAT Sensor and IAC Valve
MAF/IAT Sensor and IAC Valve
Engine Controls Components
Powertrain Control Module (PCM)
Cruise Control and Vehicle Speed Signal
EVAP Valves, EGR Valve
OBD II Symbol Description Notice
Power and Grounding Connector End Views Fuse Blocks and Ignition Switch
START Circuit Breaker, PCM IGN and IGN1 Fuses
START Circuit Breaker, PCM IGN and IGN1 Fuses
Powertrain Control Module Connector End Views
Handling ESD Sensitive Parts Notice
G100