GM Service Manual Online
For 1990-2009 cars only
Makes
🢒
Chevrolet
🢒
2000
🢒
Chevy C Pickup - 2WD
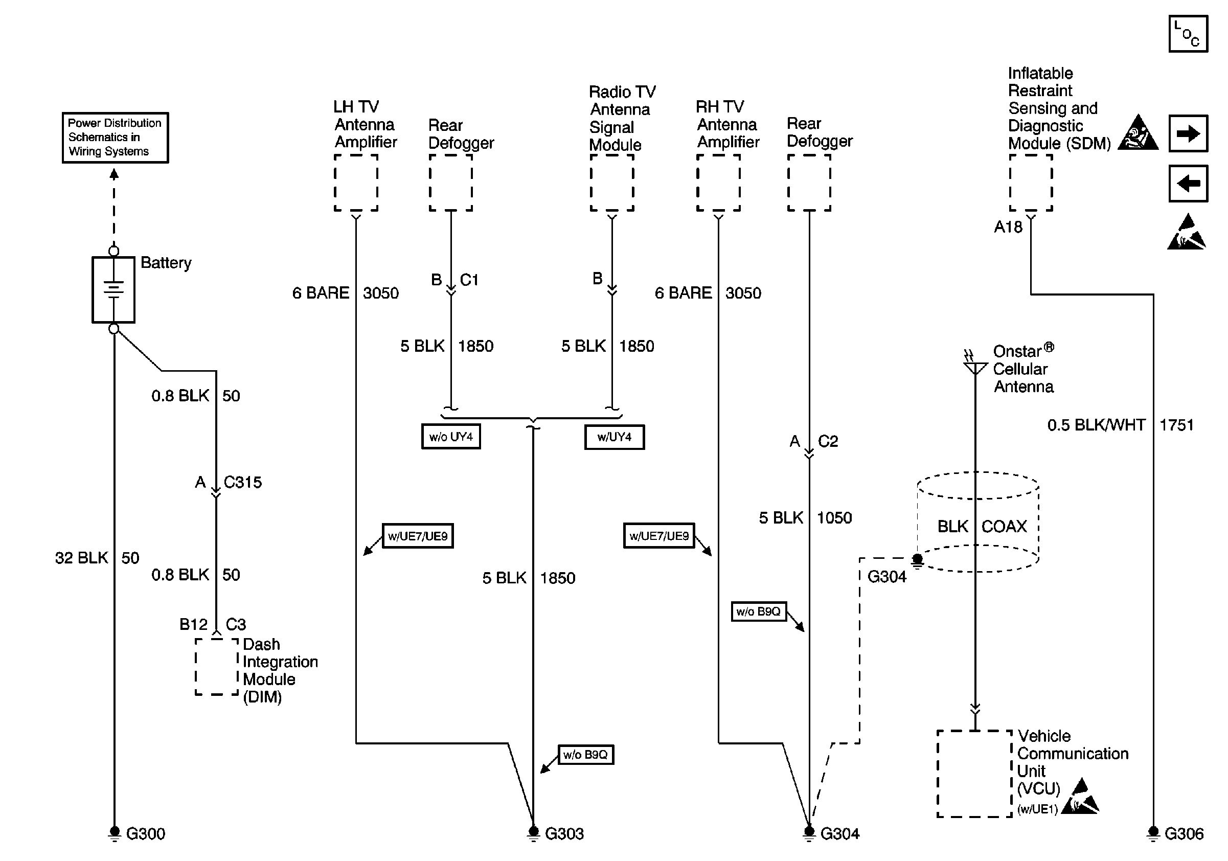
🢒 G300, G303, G304, G306
G300, G303, G304, G306
G300, G303, G304, G306
Power and Grounding Components
G301
G201-V4U/BQ9
Handling ESD Sensitive Parts Notice
SIR Caution