GM Service Manual Online
For 1990-2009 cars only
Makes
🢒
Chevrolet
🢒
2000
🢒
Chevy C Pickup - 2WD
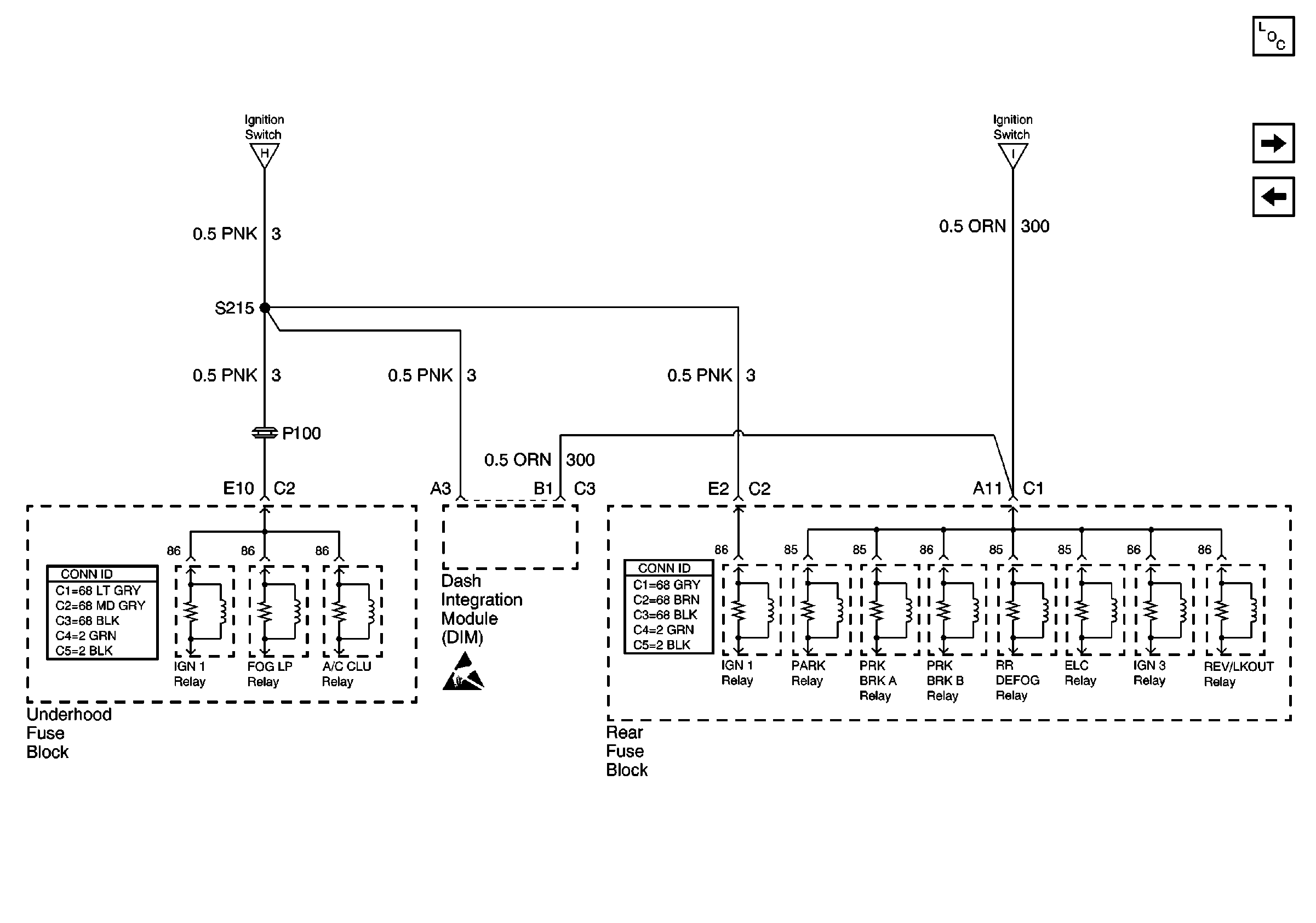
🢒 Ignition Feed to Underhood and Rear Fuse Blocks
Ignition Feed to Underhood and Rear Fuse Blocks
Ignition Feed to Underhood and Rear Fuse Blocks
Power and Grounding Components
MEM T&T, RRLUM/ANT, and HTDST LF Fuses
Ignition Switch
Ignition Switch
Ignition Switch
Power and Grounding Connector End Views Fuse Blocks and Ignition Switch
Power and Grounding Connector End Views Fuse Blocks and Ignition Switch
Handling ESD Sensitive Parts Notice