GM Service Manual Online
For 1990-2009 cars only
Makes
🢒
Chevrolet
🢒
2000
🢒
Chevy C Pickup - 2WD
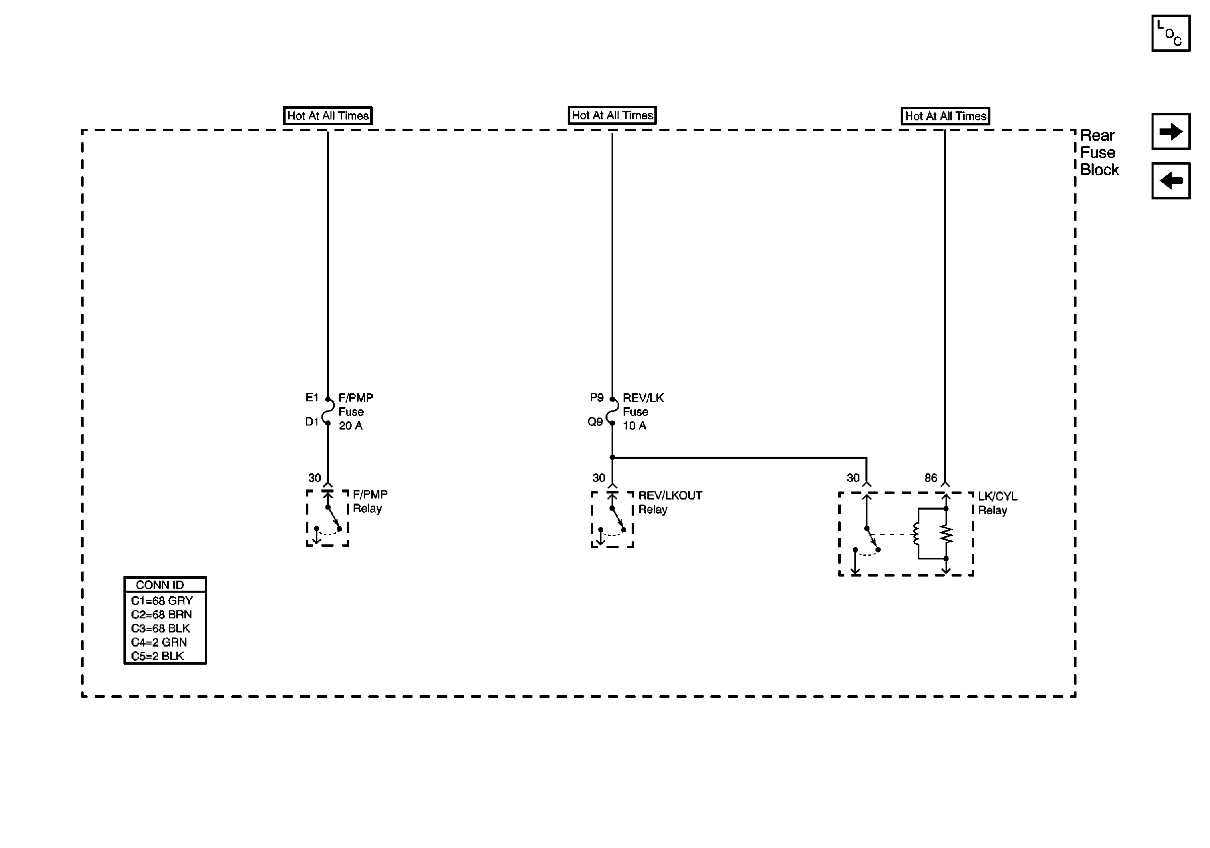
🢒 F/PMP and REV/LK Fuses
F/PMP and REV/LK Fuses
F/PMP and REV/LK Fuses
Power and Grounding Components
BODY, CVRTD, CIGAR, RAP, INT LP, and SUNSHD Fuses
ELC, NIGHT VISION, HVAC, and ABS Fuses
Power and Grounding Connector End Views Fuse Blocks and Ignition Switch
Handling ESD Sensitive Parts Notice