GM Service Manual Online
For 1990-2009 cars only
Makes
🢒
Chevrolet
🢒
2000
🢒
Chevy C Pickup - 2WD
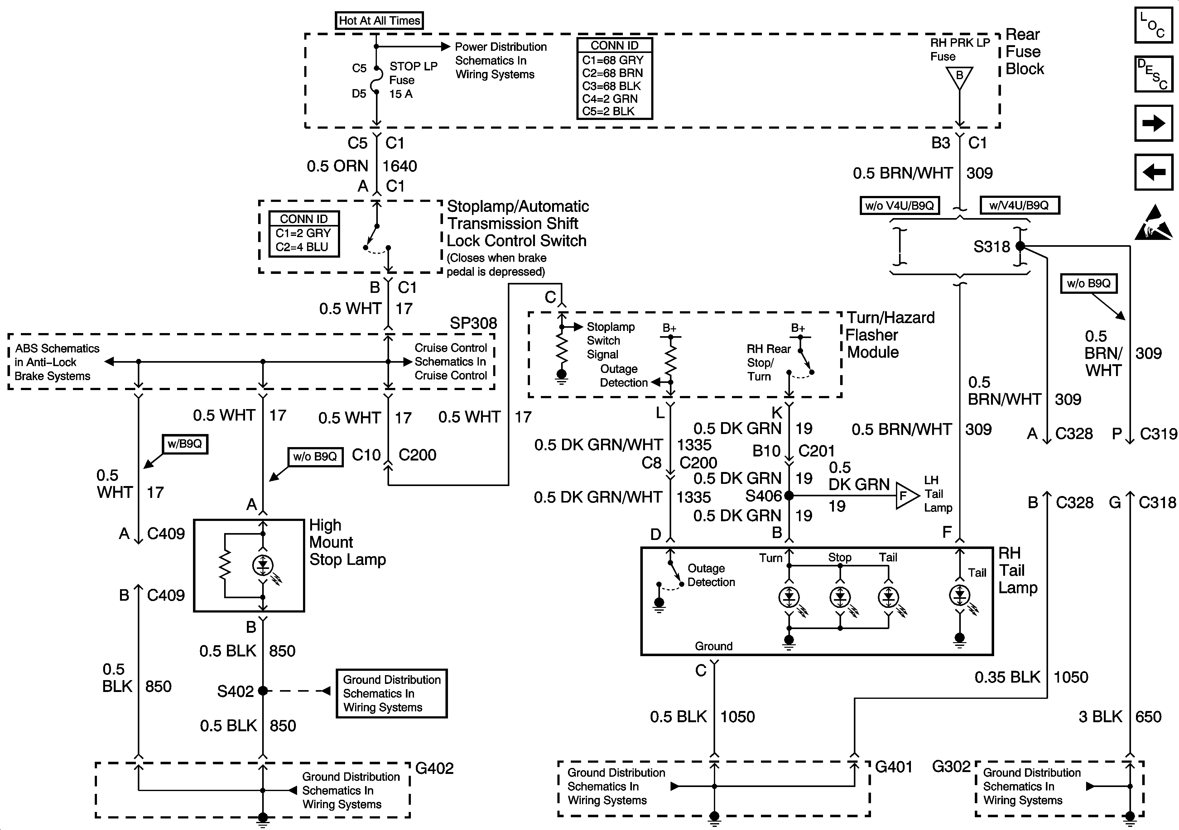
🢒 RH Tail Lamp
RH Tail Lamp
RH Tail Lamp
Lighting Systems Components
Exterior Lights Circuit Description
LH Tail Lamp
Turn/Hazard Flasher Module, Hazard Switch
Handling ESD Sensitive Parts Notice
Headlamp Switch, Park Lamp Relay
LH Tail Lamp
Cruise Control Module PCM Inputs and Vehicle Speed Input
PWR, GND, Stoplamp Switch, Solenoid Valves, and Pump Motor
G402 - Backup Lamps
G402 - Backup Lamps
G401
RR BLO, RRDR MDL, HVAC BLO, STOP LP, IGN SW, and TSIG/HAZ Fuses