GM Service Manual Online
For 1990-2009 cars only
Makes
🢒
Chevrolet
🢒
2000
🢒
Chevy C Pickup - 2WD
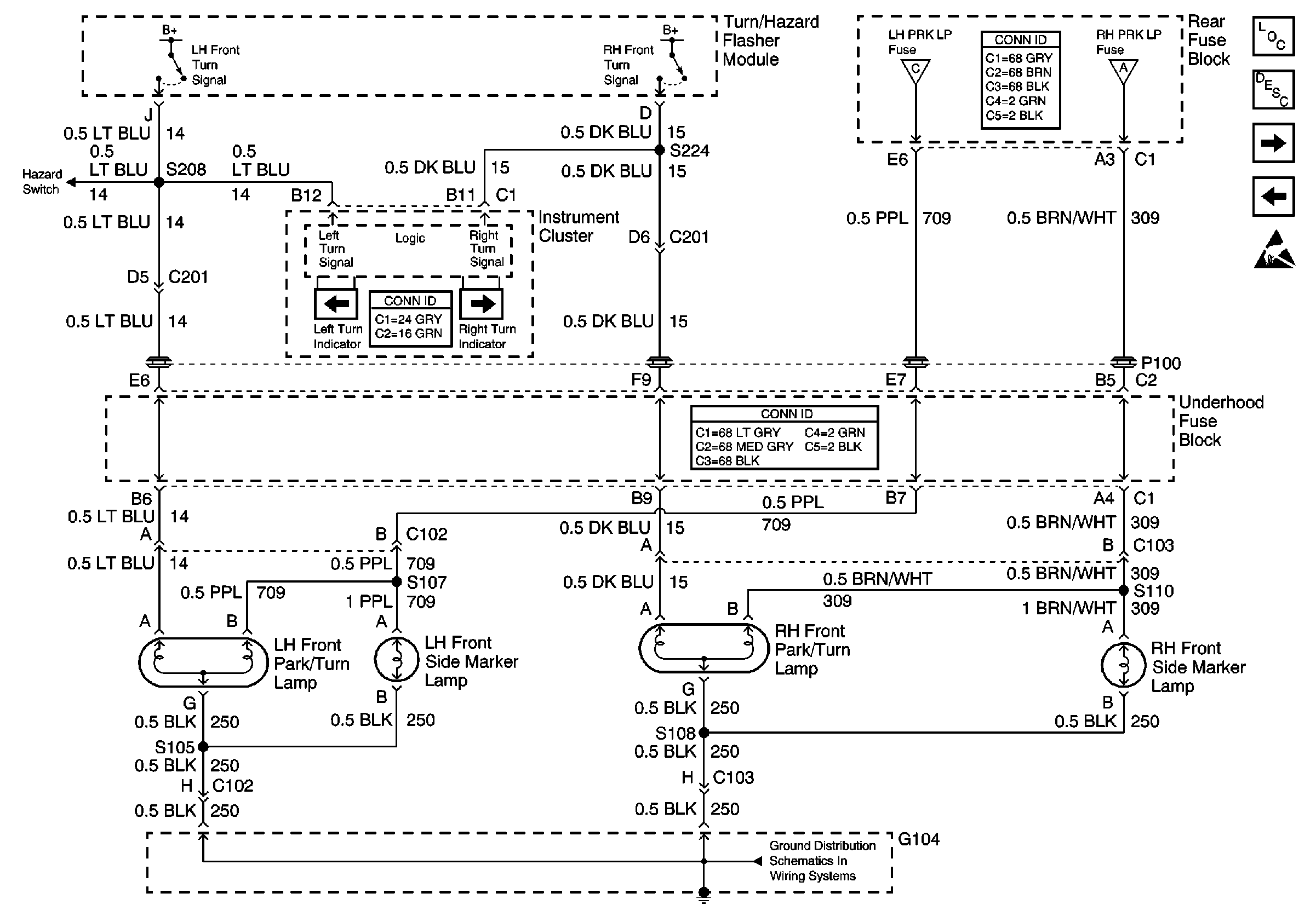
🢒 Front Park/Turn and Side Marker Lamps
Front Park/Turn and Side Marker Lamps
Front Park/Turn and Side Marker Lamps
Lighting Systems Components
Exterior Lights Circuit Description
License and Cornering Lamps
LH Tail Lamp
Handling ESD Sensitive Parts Notice
Headlamp Switch, Park Lamp Relay
Headlamp Switch, Park Lamp Relay
G104 - Relays, Horns and Other Items
Turn/Hazard Flasher Module, Hazard Switch