GM Service Manual Online
For 1990-2009 cars only
Makes
🢒
Chevrolet
🢒
2000
🢒
Chevy C Pickup - 2WD
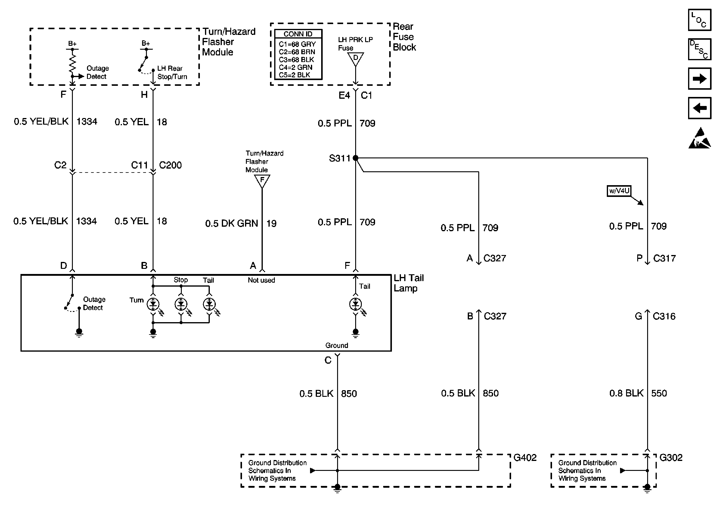
🢒 LH Tail Lamp
LH Tail Lamp
LH Tail Lamp
RH Tail Lamp
Headlamp Switch, Park Lamp Relay
Lighting Systems Components
Exterior Lights Circuit Description
Front Park/Turn and Side Marker Lamps
RH Tail Lamp
Handling ESD Sensitive Parts Notice
G302-V4U/B9Q
G402 - Fuel Sender and Other Items