GM Service Manual Online
For 1990-2009 cars only
Makes
🢒
Chevrolet
🢒
2000
🢒
Chevy C Pickup - 2WD
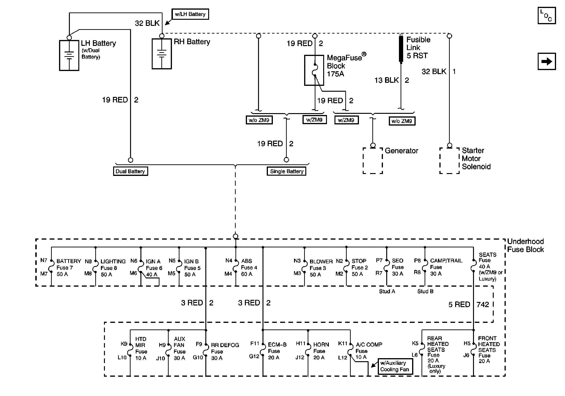
🢒 Battery, and Underhood Fuse Block
Battery, and Underhood Fuse Block
Battery, and Underhood Fuse Block
Power and Grounding Components
LIGHTING and BATTERY Fuses