GM Service Manual Online
For 1990-2009 cars only
Makes
🢒
Chevrolet
🢒
2000
🢒
Chevy C Pickup - 2WD
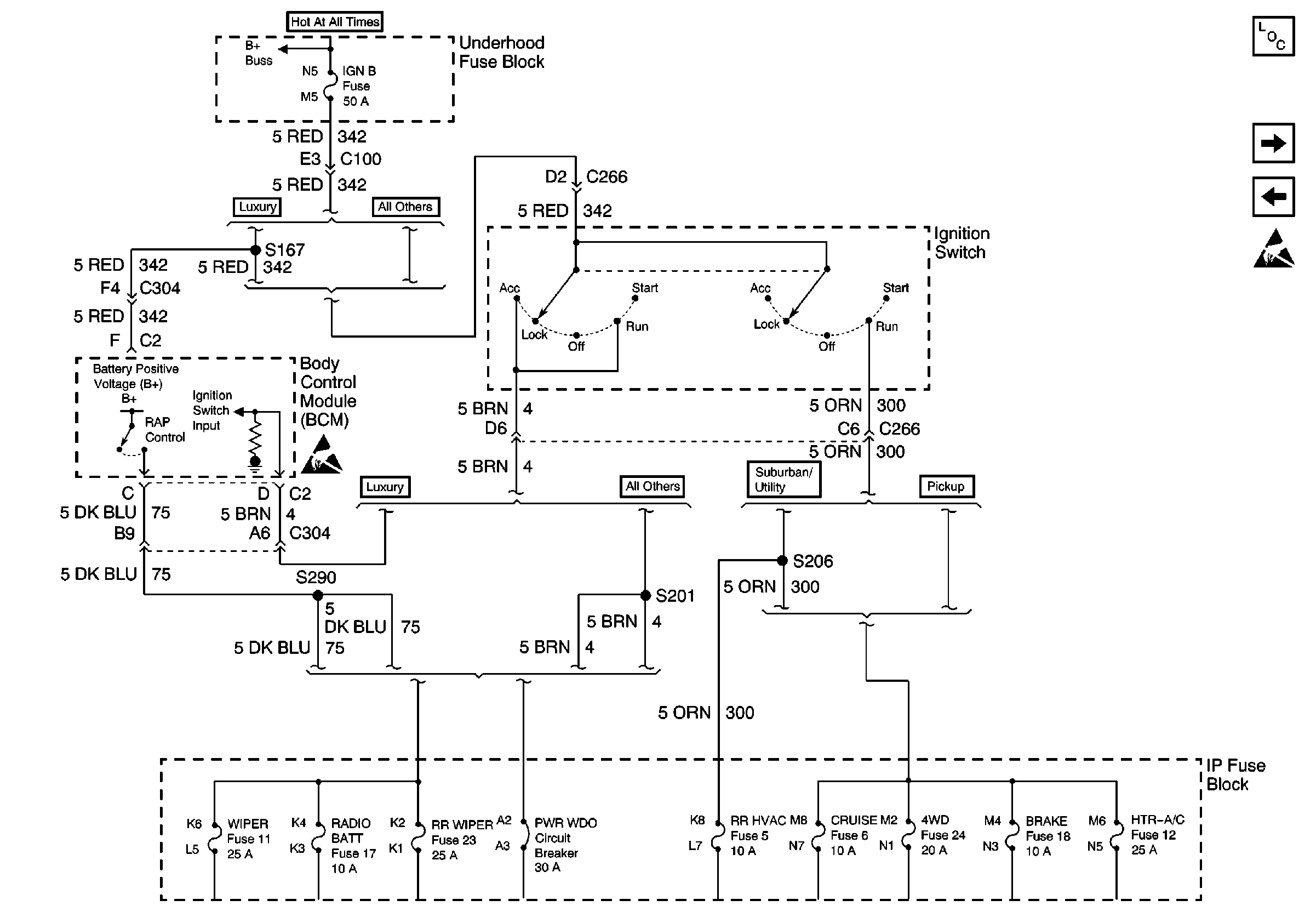
🢒 IGN B Fuse and Ignition Switch
IGN B Fuse and Ignition Switch
IGN B Fuse and Igntion Switch
Power and Grounding Components
ABS, BLOWER, STOP Fuses and Brake Lamp Relay
IGN A Fuse and Ignition Switch
Handling ESD Sensitive Parts Notice