GM Service Manual Online
For 1990-2009 cars only
Makes
🢒
Chevrolet
🢒
2000
🢒
Chevy C Pickup - 2WD
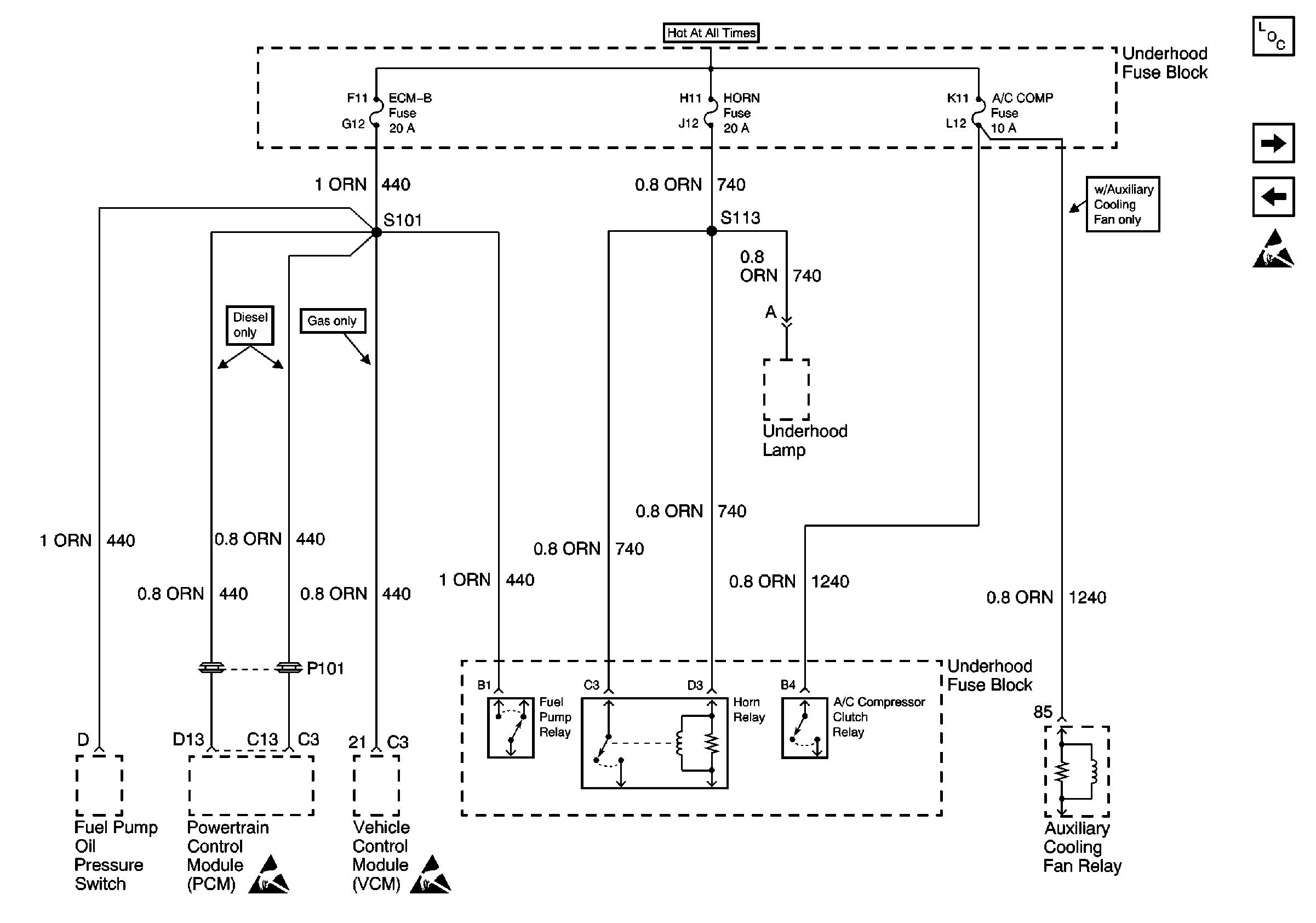
🢒 ECM-B, HORN and A/C COMP Fuses
ECM-B, HORN and A/C COMP Fuses
ECM-B, HORN and A/C COMP Fuses
Power and Grounding Components
FRONT HEATED SEATS, REAR HEATED SEATS, HTD MIR, AUX FAN, and RR DEFOG Fuses
ABS, BLOWER, STOP Fuses and Brake Lamp Relay
Handling ESD Sensitive Parts Notice
Handling ESD Sensitive Parts Notice