GM Service Manual Online
For 1990-2009 cars only
Makes
🢒
Chevrolet
🢒
2000
🢒
Chevy C Pickup - 2WD
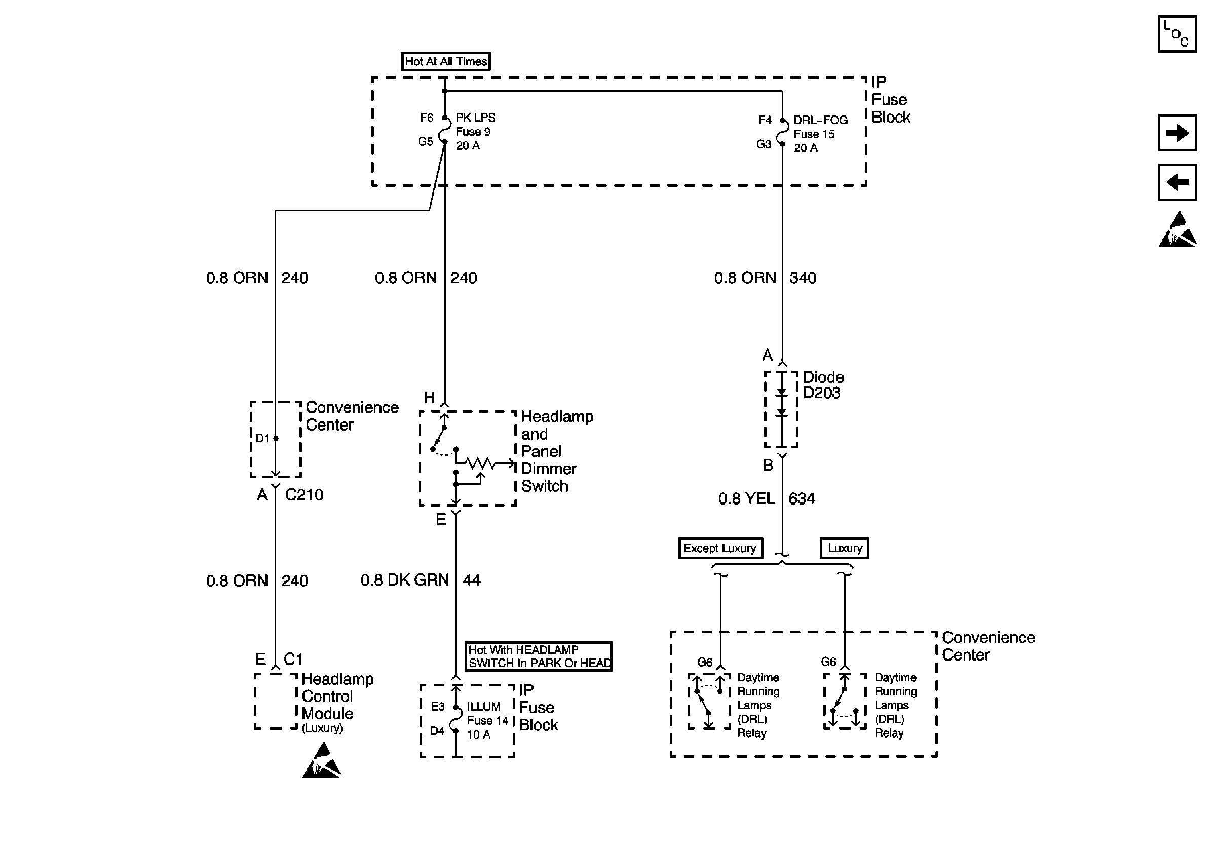
🢒 SECURITY/STRG, PK LPS, and DRL-FOG Fuses
SECURITY/STRG, PK LPS, and DRL-FOG Fuses
SECURITY/STRG, PK LPS, and DRL-FOG Fuses
Power and Grounding Components
STOP/HAZ, RADIO BATT, and AUX PWR Fuses
T CASE, and CTSY Fuses (2 of 2)
Handling ESD Sensitive Parts Notice