GM Service Manual Online
For 1990-2009 cars only
Makes
🢒
Chevrolet
🢒
2000
🢒
Chevy C Pickup - 2WD
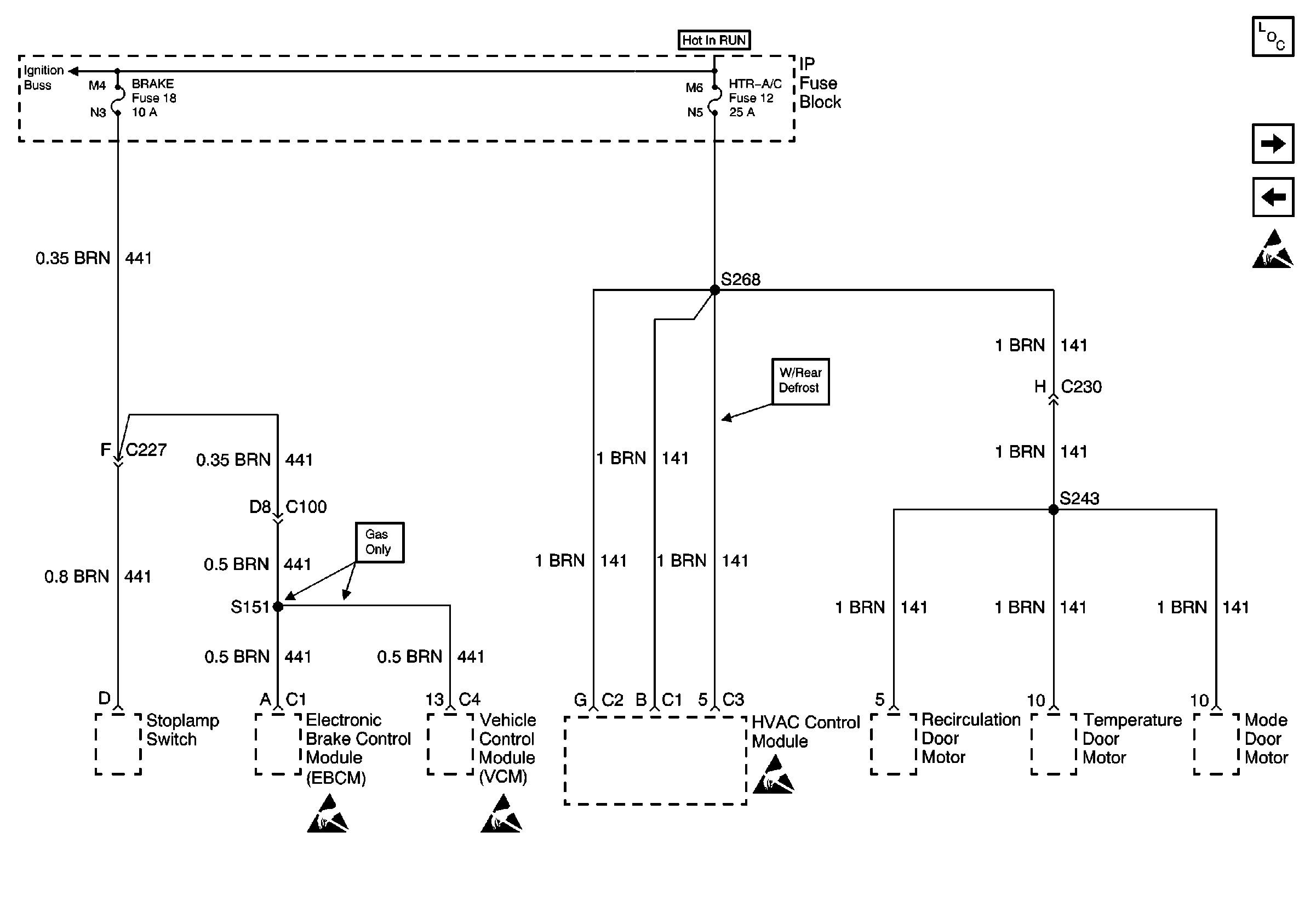
🢒 BRAKE and HTR-A/C Fuses
BRAKE and HTR-A/C Fuses
BRAKE and HTR-A/C Fuses
Power and Grounding Components
ILLUM Fuse
CRUISE and 4WD Fuses
Handling ESD Sensitive Parts Notice
Handling ESD Sensitive Parts Notice
Handling ESD Sensitive Parts Notice