GM Service Manual Online
For 1990-2009 cars only
Makes
🢒
Chevrolet
🢒
2000
🢒
Chevy C Pickup - 2WD
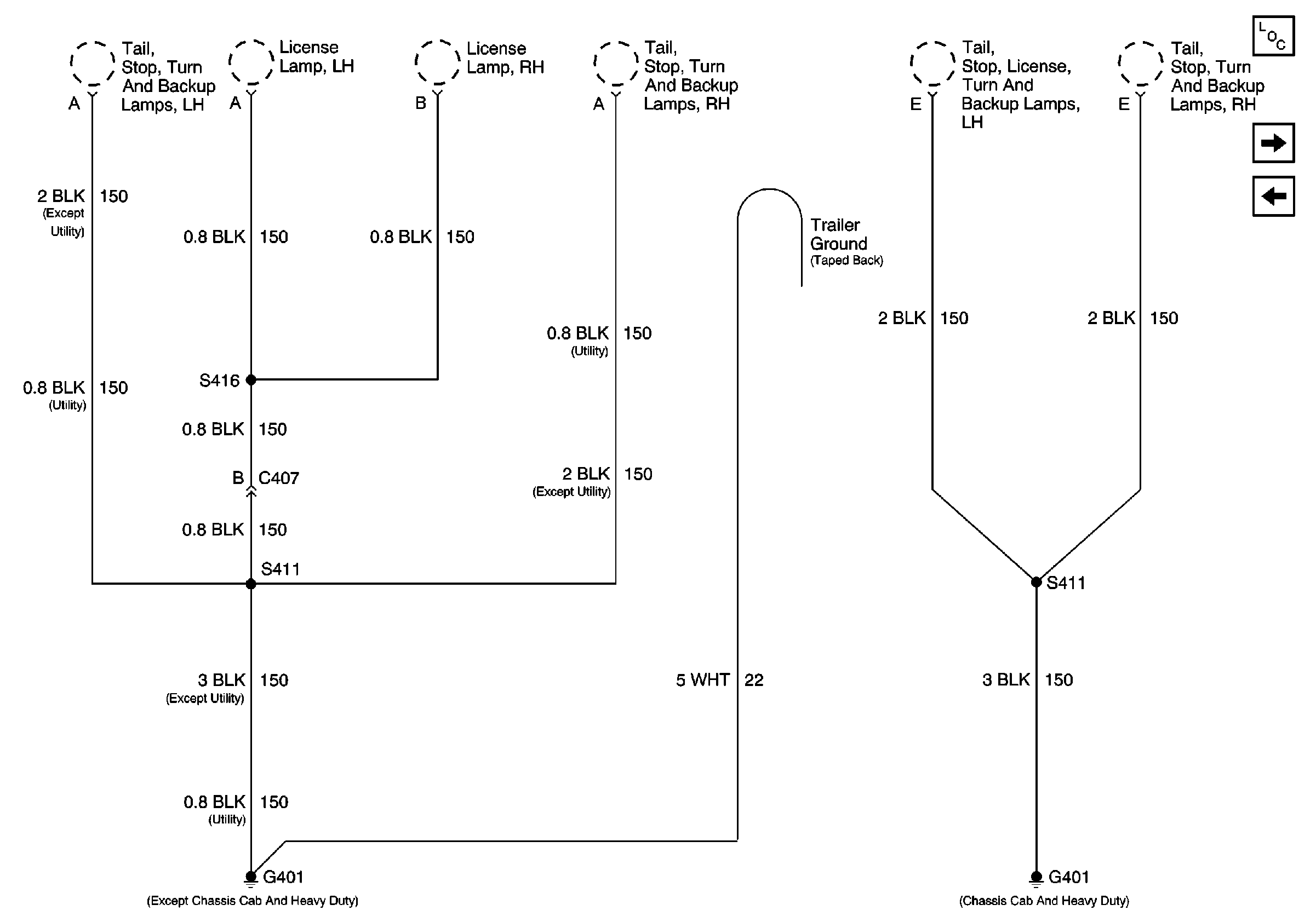
🢒 G401 and G403
G401 and G403
G401 and G403
Power and Grounding Components
G401 and G403 (Pickup w/ Dual Rear Wheels)
G400