GM Service Manual Online
For 1990-2009 cars only
Makes
🢒
Chevrolet
🢒
2000
🢒
Chevy C Pickup - 2WD
🢒 PK LPS Fuse 9, ILLUM Fuse 14, Headlamp and Panel Dimmer Switch (2 of2)
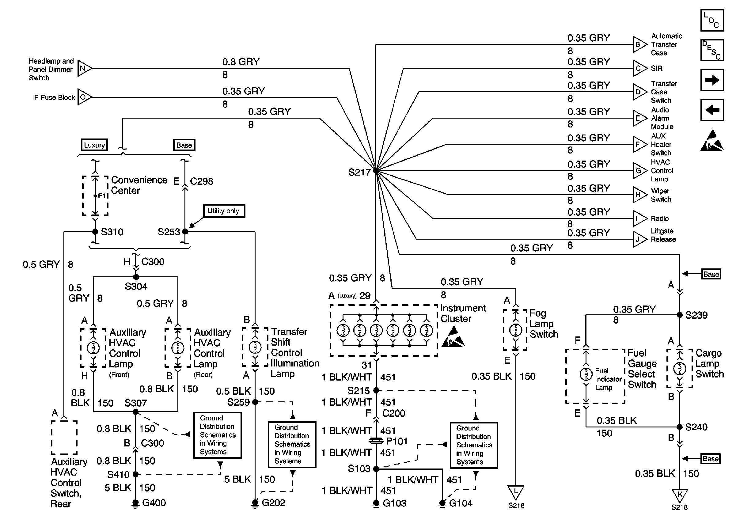
PK LPS Fuse 9, ILLUM Fuse 14, Headlamp and Panel Dimmer Switch (2 of2)
PK LPS Fuse 9, ILLUM Fuse 14, Headlamp and Panel Dimmer Switch (2 of 2)
Lighting Systems Components
Interior Lights Dimming Circuit Description Except Luxury
IP Ground G200
PK LPS Fuse 9, ILLUM Fuse 14, Headlamp and Panel Dimmer Switch (1of 2)
Handling Electrostatic Discharge Sensitive Parts Notice
IP Ground G200
IP Ground G200
IP Ground G200
IP Ground G200
IP Ground G200
IP Ground G200
IP Ground G200
IP Ground G200
IP Ground G200
IP Ground G200
IP Ground G200
G103 and G104
G202 (2 of 4)
G400
PK LPS Fuse 9, ILLUM Fuse 14, Headlamp and Panel Dimmer Switch (1of 2)
PK LPS Fuse 9, ILLUM Fuse 14, Headlamp and Panel Dimmer Switch (1of 2)