GM Service Manual Online
For 1990-2009 cars only
Makes
🢒
Chevrolet
🢒
2000
🢒
Chevy C Pickup - 2WD
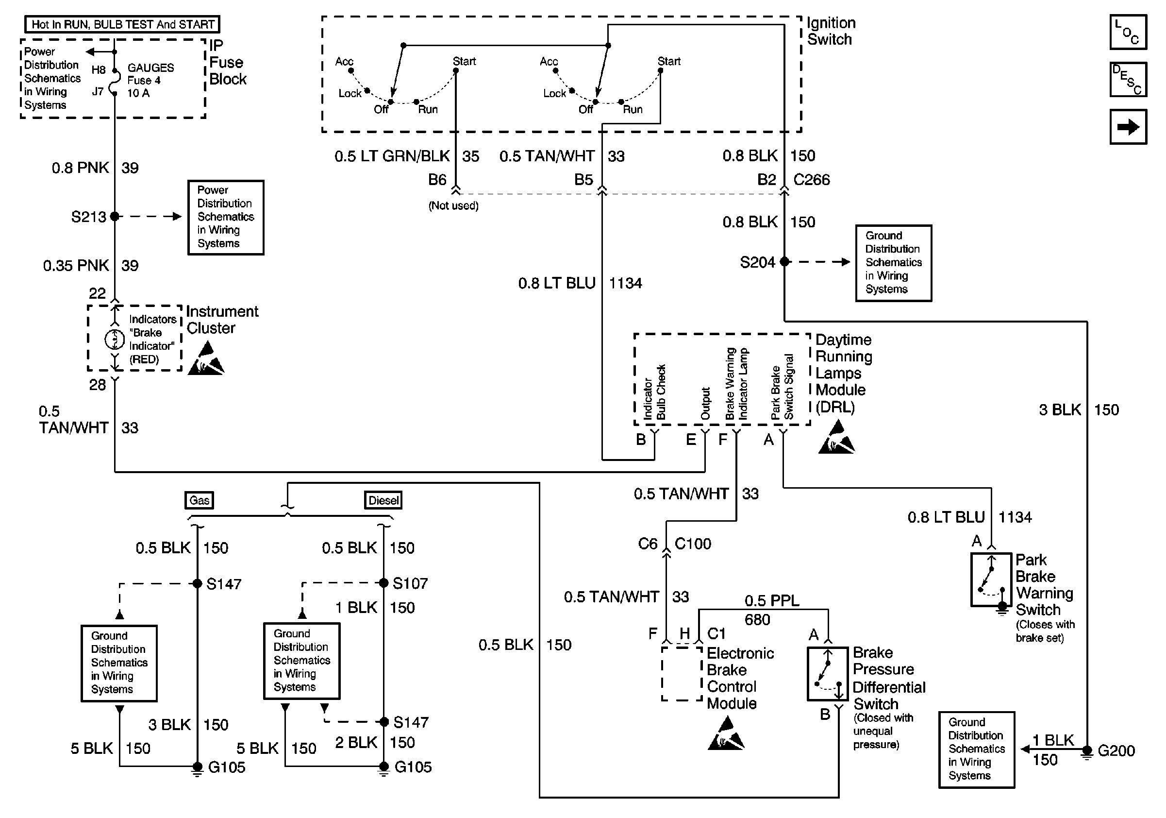
🢒 Brake Warning Lamp Control (all except 15000lb GVW)
Brake Warning Lamp Control (all except 15000lb GVW)
Brake Warning Lamp Control (all except 15000lb GVW)
Hydraulic Brakes Components
Brake Warning System Circuit Description
Brake Warning Lamp Control (15000lb GVW)
Handling ESD Sensitive Parts Notice
G200 (1 of 4)
GAUGES Fuse
GAUGES Fuse
G105 (1 of 2)
Handling ESD Sensitive Parts Notice