GM Service Manual Online
For 1990-2009 cars only
Makes
🢒
Chevrolet
🢒
2000
🢒
Chevy C Pickup - 2WD
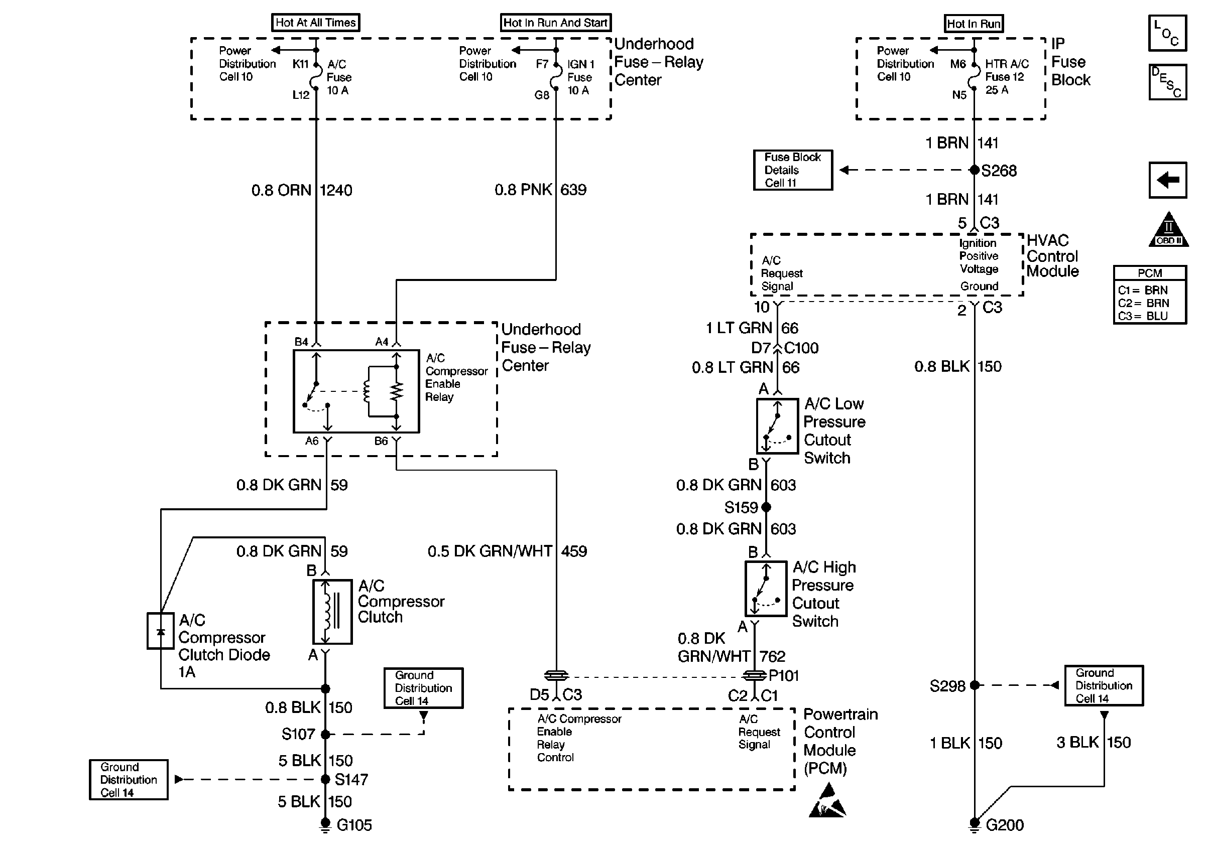
🢒 DIESEL PCM, A/C SYSTEM
DIESEL PCM, A/C SYSTEM
DIESEL PCM, A/C SYSTEM
Engine Controls Components
DIESEL PCM, AUTOMATIC TRANSMISSION SOLENOIDS
OBD II Symbol Description Notice
Engine Controls Schematic References
Engine Controls Schematic References
Engine Controls Schematic References
Engine Controls Schematic References
Handling Electrostatic Discharge Sensitive Parts Notice
Engine Controls Schematic References
Engine Controls Schematic References