GM Service Manual Online
For 1990-2009 cars only
Makes
🢒
Chevrolet
🢒
2000
🢒
Chevy C Pickup - 2WD
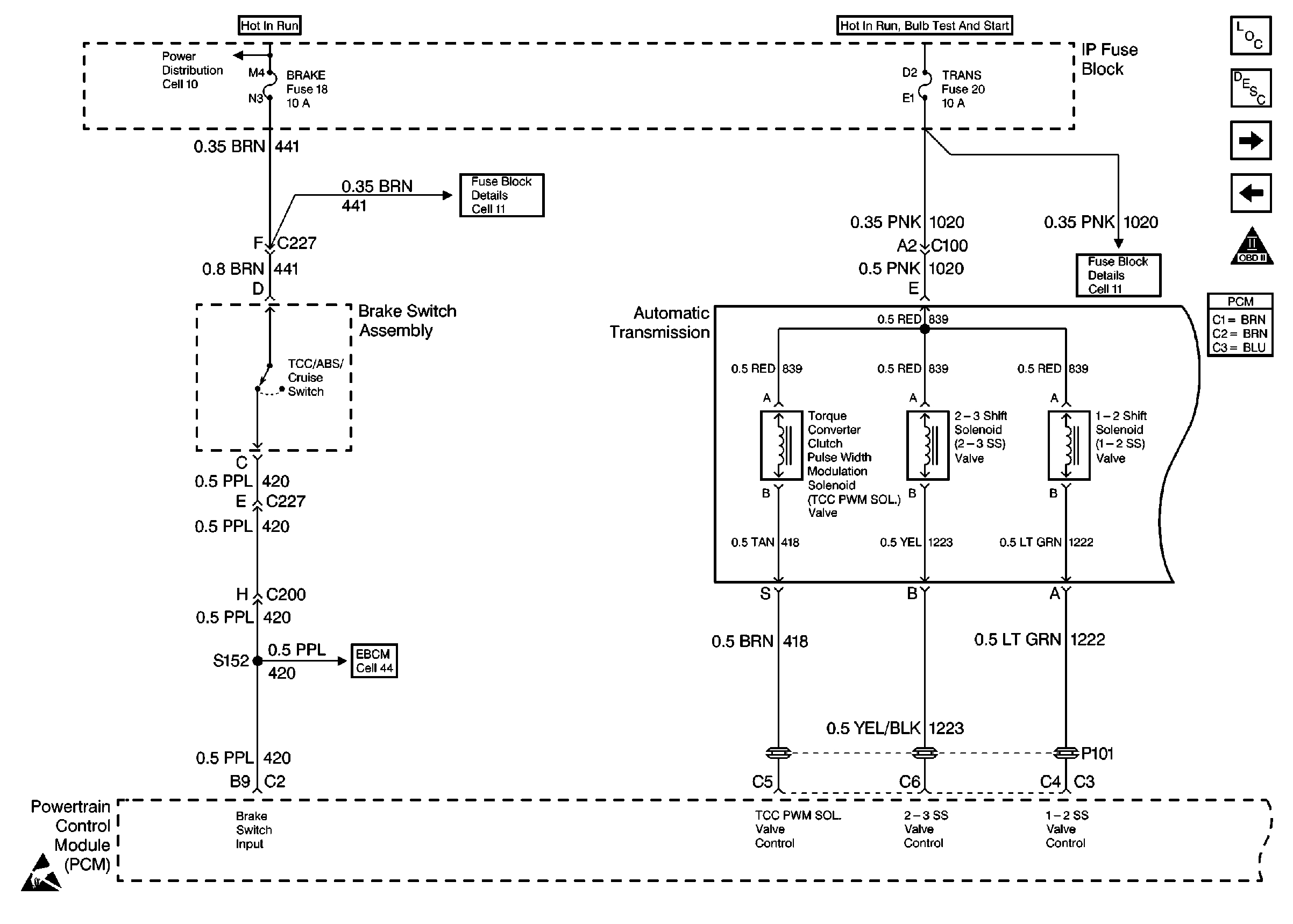
🢒 DIESEL 4L80E PCM, BRAKE SWITCH, TRANSMISSION
DIESEL 4L80E PCM, BRAKE SWITCH, TRANSMISSION
DIESEL 4L80E PCM, BRAKE SWITCH, TRANSMSSION
Automatic Transmission Components Diesel
DIESEL 4L80E PCM, TRANSMISSION, SOLENOIDS
DIESEL 4L80E PCM, FUSES, VSS
OBD II Symbol Description Notice
Automatic Transmission Schematic References
Automatic Transmission Schematic References
Automatic Transmission Schematic References
Handling Electrostatic Discharge Sensitive Parts Notice