GM Service Manual Online
For 1990-2009 cars only
Makes
🢒
Chevrolet
🢒
2000
🢒
Chevy C Pickup - 2WD
🢒 Engine Coolant
Engine Coolant
Engine Coolant
Cooling System Components
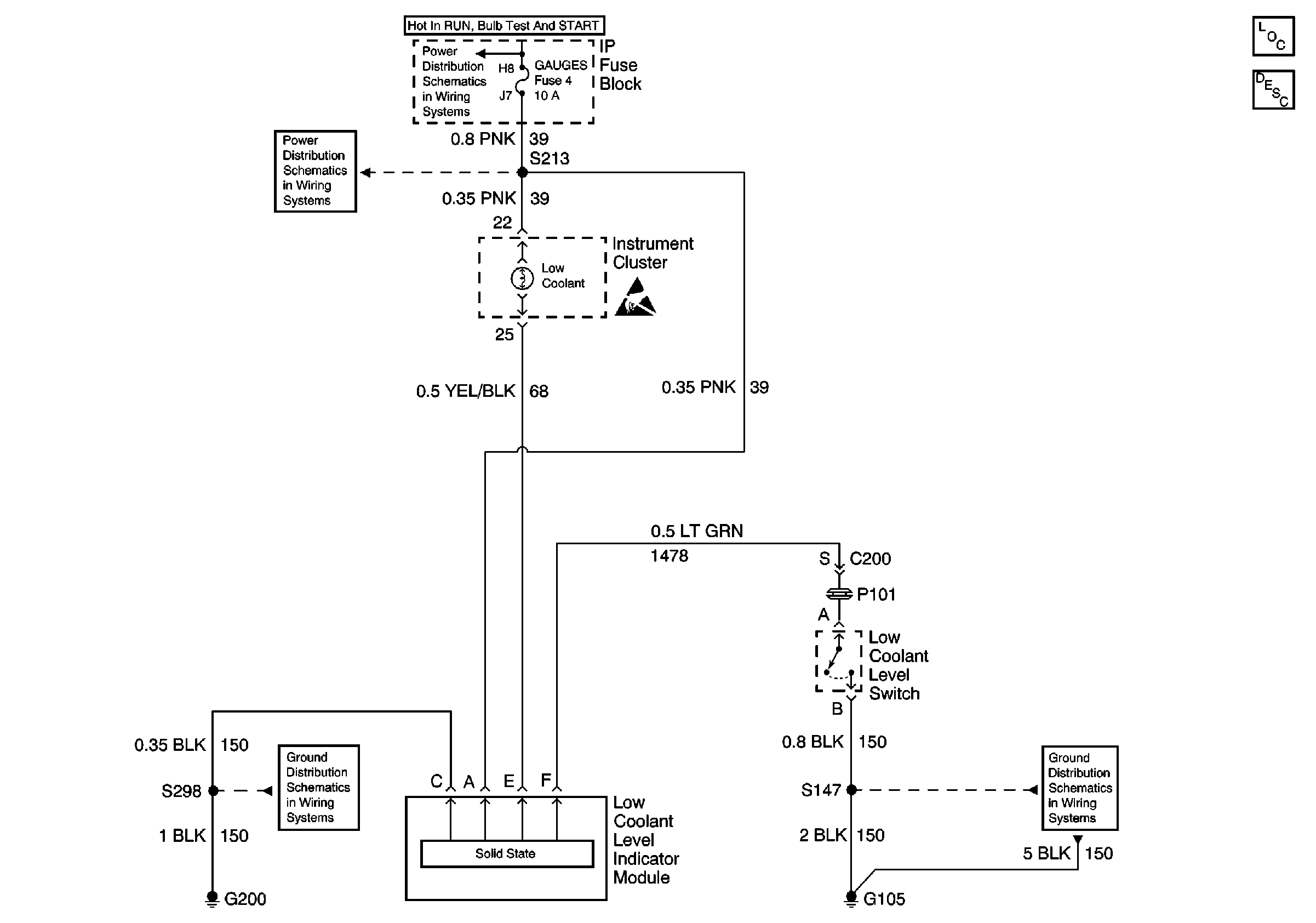
Coolant Level Sensor Circuit Description
G105 (1 of 2)
G200 (4 of 4)
GAUGES Fuse
GAUGES Fuse