GM Service Manual Online
For 1990-2009 cars only

Object Number: 327065  Size: LF
Handling Electrostatic Discharge Sensitive Parts Notice
Handling Electrostatic Discharge Sensitive Parts Notice
Handling Electrostatic Discharge Sensitive Parts Notice
OBDII Symbol Description Notice

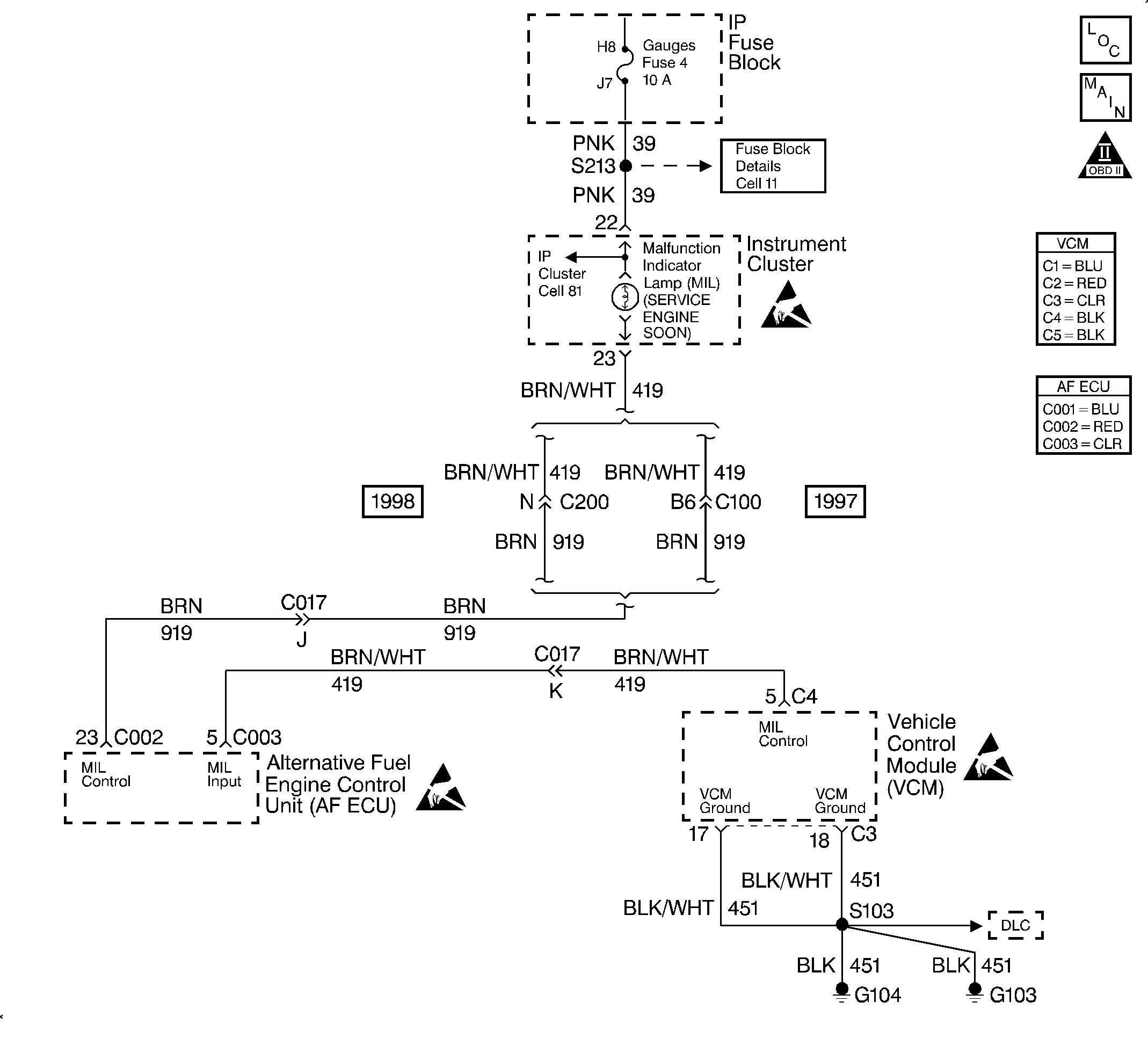
Circuit Description

The MIL stays on when the vehicle's operator initially turns on the ignition. The Vehicle Control Module (VCM) turns off the MIL when the engine is running and no Diagnostic Trouble Codes (DTCs) are stored. The ignition switch supplies battery voltage directly to the MIL telltale. The VCM controls the MIL by providing a ground path through the MIL control circuit in order to turn on the MIL. The MIL control circuit is routed through the Alternative Fuel (AF) Engine Control Unit (ECU) to give the ECU the ability to turn on the MIL if an AF system DTC is set. The AF ECU does not affect the normal VCM operation of the MIL lamp.

Diagnostic Aids

    • An open gauge fuse will cause the entire IP cluster to be inoperative.
    • A missing or disconnected AF ECU will cause the MIL to be inoperative.
    • Check any circuitry that is suspected of causing an intermittent complaint for the following conditions:
       - Backed out terminals
       - Improper mating
       - Broken locks
       - Improperly formed or damaged terminals
       - Poor terminal wiring connections
       - Physical damage to the wiring harness

Test Description

The numbers below refer to the step numbers on the diagnostic table.

  1. The AF Powertrain OBD System Check prompts the technician to complete some basic checks and store the freeze frame and failure records data with the scan tool if applicable. This creates an electronic copy of the data when the fault occurred. The information is then stored in the scan tool for later reference.

  2. If the engine fails to start and the MIL is inoperative, then the fault can be isolated to either the VCM ignition feed (ECM-1 fuse), the battery feed (ECM-B fuse), a poor VCM ground at the engine block, or the VCM.

  3. An MIL that responds correctly to the scan tool commands indicates that the fault is not present at this time or that the condition has been corrected.

  4. This step isolates a VCM problem from a circuit problem.

  5. Locate and repair any shorts that may have caused the fuse to open before replacing the fuse.

  6. This step checks the MIL control circuit for a short to voltage.

  7. Refer to the appropriate service manual for MIL bulb replacement procedures.

  8. Refer to the C/K Truck Service Manual for IP replacement procedures.

  9. VCM grounds will only cause a problem if all of the grounds do not make a good connection. Inspect where all the grounds meet at the engine block if a VCM ground problem is suspected.

Malfunction Indicator Lamp Circuit Check

Step

Action

Value(s)

Yes

No

1

Was the Alternative Fuels (AF) Powertrain On-Board Diagnostic (OBD) system check performed?

--

Go to Step 2

Go to Alternative Fuels (AF) Powertrain On Board (OBD) System Check

2

  1. Turn the engine OFF for 10 seconds.
  2. Turn the ignition ON , engine OFF.

Is the MIL on?

--

Go to Step 4

Go to Step 3

3

Attempt to start the engine.

Does the engine start?

--

Go to Step 6

Go to Step 7

4

  1. Install a scan tool.
  2. Command the MIL on and off.

Does the MIL turn on and off when commanded?

--

Go to Step 33

Go to Step 5

5

  1. Turn the ignition OFF.
  2. Disconnect the black VCM connector.
  3. Turn the ignition ON.

Is the MIL on?

--

Go to Step 19

Go to Step 29

6

  1. Turn the ignition OFF.
  2. Disconnect the black VCM connector.
  3. Turn the ignition ON.
  4. Probe the MIL control circuit with a fused jumper connected to ground.

Is the MIL on?

--

Go to Step 29

Go to Step 8

7

Inspect the ECM-B fuse and the ECM-1 fuse for an open.

Are the fuses OK?

--

Go to Step 9

Go to Step 10

8

Did the fuse in the fused jumper open?

--

Go to Step 12

Go to Step 13

9

  1. Turn the ignition OFF.
  2. Disconnect the black VCM connector.
  3. Turn the ignition ON.
  4. Probe the VCM ignition feed circuit (terminal BK18) with a test light to ground.

Does the test light illuminate?

--

Go to Step 18

Go to Step 11

10

  1. Inspect for a short to ground in the circuit of the fuse that was open and repair if necessary.
  2. Replace the faulty fuse.

Is the action complete?

--

Go to Step 33

--

11

Repair the open in the VCM ignition feed circuit. Refer to Repair Procedures in Electrical Diagnosis in the C/K Truck Service Manual.

Is the action complete?

--

Go to Step 33

--

12

Repair the short to voltage in the MIL control circuit. Refer to Repair Procedures in Electrical Diagnosis in the C/K Truck Service Manual.

Is the action complete?

--

Go to Step 33

--

13

  1. Disconnect connector C017 (GRY).
  2. Install a jumper between pins J and K on the VCM side of the connector.
  3. Turn the ignition ON.
  4. Probe the MIL control circuit in the BLK VCM connector C4 with a fused jumper connected to ground.

Is the MIL on?

--

Go to Step 24

Go to Step 14

14

Inspect for an open in the MIL control circuit.

Is a problem found?

--

Go to Step 31

Go to Step 15

15

Inspect for an open ignition feed circuit or fuse (gauge #4) to the MIL.

Is a problem found?

--

Go to Step 31

Go to Step 16

16

inspect for an open MIL bulb.

Is a problem found?

--

Go to Step 31

Go to Step 17

17

Replace the IP. Refer to Instrument Panel, Gauges and Console in the C/K Truck Service Manual.

Is the action complete?

--

Go to Step 33

--

18

  1. Turn the ignition OFF.
  2. Disconnect the CLR VCM connector.
  3. Probe the battery feed circuit (terminal CLR21) with a test light connected to ground.

Does the test light illuminate?

--

Go to Step 23

Go to Step 30

19

  1. Turn the ignition OFF.
  2. Disconnect the CLR ECU connector.
  3. Turn the ignition ON.

Is the MIL on?

--

Go to Step 20

Go to Step 21

20

  1. Turn the ignition OFF.
  2. Disconnect the RED ECU connector.
  3. Turn the ignition ON.

Is the MIL on?

--

Go to Step 22

Go to Step 28

21

Repair the short to ground in the MIL control circuit between the CLR ECU and the BLK VCM connector.

Is the action complete?

--

Go to Step 33

--

22

Repair the short to ground in the MIL control circuit between the RED ECU connector and the IP panel.

Is the action complete?

--

Go to Step 33

--

23

Inspect for a faulty VCM ground connection at the engine block.

Is a problem found?

--

Go to Step 31

Go to Step 29

24

  1. Disconnect ECU connector C003.
  2. Inspect for continuity of the MIL circuit between C017 and C003 using a DVOM.

Is there continuity?

--

Go to Step 25

Go to Step 31

25

  1. Disconnect ECU connector C002.
  2. Inspect for continuity of the MIL circuit between C017 and C002 using a DVOM.

Is there continuity?

--

Go to Step 26

Go to Step 31

26

Inspect for faulty ECU connections.

Is a problem found?

--

Go to Step 31

Go to Step 27

27

Inspect for faulty connections at connector C017.

Is a problem found?

--

Go to Step 31

Go to Step 28

28

Replace the ECU. Refer to Engine Control Unit Replacement

Is the action complete?

--

Go to Step 33

--

29

Inspect for faulty VCM connections.

Is a problem found?

--

Go to Step 31

Go to Step 32

30

Repair the open battery feed circuit.

Is the action complete?

--

Go to Step 33

--

31

Repair the faulty connection as necessary.

Is the action complete?

--

Go to Step 33

--

32

Replace the VCM.

Important:: Reprogram the VCM if the VCM is faulty. Refer to VCM Replacement/Programming in Engine Controls - 5.0, 5.7L in the C/K Truck Service Manual.

Is the action complete?

--

Go to Step 33

--

33

  1. Allow the engine to idle until normal operating temperature is reached.
  2. Verify that no DTCs are set.

Are any DTCs displayed that have not been diagnosed?

--

Go to the applicable DTC table

System OK